SUBMERSIBLE electric motors, SUBSEA electric motors, ROV electric motors, ROV motors,
HPU's, ROV HPU's. SME electric motors. Subsea Pumps.
For SUBSEA vehicles, SUBSEA submersibles, SUBSEA trenchers, and SUBSEA equipment.
Submersible electric motors for sump pumps, and any special purpose submersible electric motor requirements.
SUBSEA + ROV ELECTRIC MOTOR REPAIRS AND REWINDS.
SUBSEA electric generators for Tidal Power Generation.
Silvercrest / Submersible Motor Engineering
Design, manufacture, and supply, submersible and ROV electric motors for all underwater applications.
Silvercrest / Submersible Motor Engineering
Can design and manufacture SUBMERSIBLE, SUBSEA, and ROV Motors to suit any requirement. We have manufacturing, submersible motor repair and service centers in Australia, the USA, and Great Britain.

We are totally flexible in our design capabilities: |
| |
| |
| |
| |
NEWS FLASH. SME and PLEUGER create Global Service Network for submersible motors. SME is pleased to announce the signing of a Memorandum of Understanding with Pleuger Industries to combine forces for the “After Sales Service” for submersible motors. The agreement provides SME access to Pleugers’ spare parts to assist in the overhaul and service of Pleuger products through the SME Service Network globally. The combined strengths of Pleuger Industries and SME will ensure that we are able to supply a World Class Service network to all existing and future clients. SME will purchase and resell original Pleuger spare parts for submersible electric motors. SME designs and manufactures submersible and underwater electric motors for complex bespoke applications. SME offers repair, rewind, modification and technical support services in Australia, Great Britain, and the USA for its own SME product range. Also, for the products of all other subsea or submersible motor manufacturers. For more information contact: sales@Silvercrestsubmarines.com
Subsea Electric Motors & ROV Electric Motors. SME design and manufacture a world leading range of Subsea Electric Motors, including motors for HPU’s on ROV‘s, Electric Thrusters for Manned Submarines, and Heavy Duty Jetting Pumps on Subsea Trenchers. SME motors are robust and reliable in the toughest of environments. Our flexible design capabilities mean we can manufacture Subsea Motors to suit any application. Our range of motors allow Flexible External Dimensions to suit all requirements and provide the possibility of “Drop In‘’ replacement motors. SME have produced over l00 different types of Subsea motors and thousands of motors. We offer a variety of Construction Materials from Anodised Aluminium to Exotic Stainless Steel Alloys to ensure long term reliability in varied environments whilst still offering the advantages of light weight design. To ensure the integrity of the motors SME does not use castings and all components are manufactured from solid metal or extrusions. Motors can be offered with a variety of Interfaces for Driven Equipment — from Robust Shafts with Multiple Shaft Seals to Close Coupled Motors with Female Spline Hubs to allow direct fitment of Hydraulic Pumps. SME can design and manufacture from the “Lamination Up” to ensure the Motor is ideally suited for the application. This bespoke Manufacturing policy ensures we can meet any special design requirements. SME can build motors from Fractional Kilowatt Motors right through to large outputs in the Megawatts and above to ensure we meet all requirements. SME Subsea Motors can be manufactured in all voltages from 240Vac through to 6600V at 50Hz or 60Hz, or for use with Variable Speed Drives. Due to SME’s proprietary Insulation System motors up to 4l60V can be built with a Random Winding to reduce size and weight whilst losing nothing in terms of reliability. This insulation system is specifically engineered to ensure suitability of operation in Hydraulic Oil or many of the Bio-Degradable Oils commonly used for Compensation circuits. All motors are designed for external compensation allowing for operation at depths as much as 4000M. The Motors can also be offered with Cooling circuits to ensure high output motors maintain minimal operating temperatures at Full Load. SME Motors are fitted with Water Detection Probes and Temperature Detectors and these can be terminated to a variety of different Subsea Connectors. Power can be supplied to the motors through Subsea Connectors or Highly reliable Oily Tube Connections. SME’s extensive testing facilities ensure we can test these Subsea Motors at rated Voltage and Frequency. This testing can also involve Hydraulic Load testing on a HPU or Flow and Pressure Testing of Jetting Pumps in our Test tank. Full string testing involving the Drives, Control Gear, Motor and Driven equipment can also be organised. Submersible Motor Engineering’s extensive Service Capability also ensures we are the best location for Service and Refurbishment of Subsea Motors of any manufacturer. Quite often SME can return motors to their clients in a better than new condition due to our ability to implement the latest Engineering Practices into the repair process.
|
SUBSEA/ROV MOTORS. Silvercrest/SME specialize in the bespoke manufacturing of submersible motors, HPU's, and pumps for use on ROVs, subsea trenchers, subsea ploughs, dredgers and water lift pump systems, for use in the offshore Oil and Gas and Telecommunications industries. We offer a range of submersible motors (5hp to 1500hp) with a choice of voltages (ranging from 380vac to 6600vac) for use subsea to depths of 6000msw. All of these motors are available in either SS316, Duplex, Super Duplex, or Hard Anodized Aluminium finish. We can also design and build motors to suit your individual and special project requirements. In addition we refurbish, rewire, and service a wide range of submersible motors. Our product is excellent, our prices very competitive, and our delivery schedule the best in the industry. We recently delivered ten 260kW, 3000VAC, double ended, 2-pole, stainless steel bodied motors to a subsea operator, for use on their fleet of sub-sea trenchers. This was a bespoke order that was completed in just six weeks from receipt of order. In addition we also recently manufactured five (5) 400kw motors for SMD. We have supplied submersible motors, HPUs, and motor-pump sets to SMD, Fugro, Impresub, Saab SeaEye, LDtravocean, Geocean, ASME, AssoDivers, Blade Offshore, CT Offshore, D&R Subsea, DCNS, Deep Ocean, ERA Ltd, Fearsome Engine, Film Ocean, JVPC, MaCorp, ISE, NIOT, Sonsub, Subsea 7, IHC, Total Marine Technology, ETA, Oceaneering, Shell, Petronas, Murphy Oil, Haechun, Canyon, Caldive, Exxon, Ocean Force Management, Osbit Power , OTN, Perry, PFS, Saab SeaEye, STS ROV, Weir Group, Hibbard, Simec, Sulzer, WeSubsea, OESEF, Hydrobotics, UTROV and other subsea companies worldwide. We will be very pleased to discuss the details of your future subsea motor / pump requirements in order to produce a detailed quotation for you. Email: sales@Silvercrestsubmarines.com
We design, manufacture, and supply, submersible electric motors for all SUBSEA and ROV, SUBSEA equipment, also for any special purpose submersible electric motor requirements. We manufacture and repair ROV submersible motors for all subsea application. We repair and rewind large high voltage (500kW, 6600V) submersible electric motors.
We offer a wide range of electric submersible motors with matched hydraulic and water pumps. We have our own submersible motors that are drop-in replacements for most of the popular models in use. We manufacture complete submersible electric motors, motor-pump sets, and ROV HPU. SME has years of experience with the design and manufacture of submersible motors, used in the offshore, subsea, military and dredging industries. This experience has resulted in SME being the company of choice as a manufacturer and supplier for many of the major offshore subsea companies. SME submersible motors are specially designed to suit our customer requirements. With special attention being paid to the motor design. Resulting in SME manufacturing rugged motors with low maintenance requirements, a very high reliability, and a long service lifetime.We offer submersible motor rewind / rebuild /electrical conversion / and original construction modification. We supply ROV HPU submersible motors from 30kW to 250kw, trenching HPU submersible motors from 100kW to 500kW, trenching jetting pumps, plough HPU submersible motors, plough jetting pump sets, turbine and centrifugal water pumps, and hydraulic pumps (Rexroth A7 and A10 series, Sauer 90 series and Kawasaki KV3 series).
|
|
All the photos above show motors designed and manufactured by Silvercrest / Submersible Motor Engineering. ROVs, Trenchers, and Submarines, shown in the photos are fitted with Silvercrest / Submersible Motor Engineering electric motors.
SILVERCREST / SME. Tel: (+44) 1285.760620. Email: sales@SilvercrestSubmarines.com
SUBMERSIBLE MOTORS, ROV MOTORS, SUBSEA MOTORS for Sale. MOTOR-PUMP SETS, ROV HPU for Sale. TIDAL ELECTRIC GENERATORS.
Silvercrest / Submersible Motor Engineering specialize in the bespoke manufacturing of submersible motors, Rov motors, and subsea motors, motor-pump sets, and HPU's for use on Rovs, subsea trenchers, subsea ploughs, dredgers and water lift pump systems. For use in the offshore Oil and Gas and Telecommunications industries, and subsea to depths of 4000m. We offer a range of motors, motor-pump sets, ROV HPU, submersible, subsea and Rov motors (5hp to 1500hp) for use in the more popular classes of subsea ploughs and Rovs. All of these motors are available in either SS316, Duplex, Super Duplex stainless steel, or with a hard anodized aluminium finish. We can offer subsea submersible motors with a wide range of speeds and voltages (including 3000v, 6000v and 10,000v). Silvercrest / Submersible Motor Engineering will design and build motors to suit your individual and special project requirements. We refurbish and service a wide range of submersible motors. Our product is excellent, our prices very competitive, and our delivery schedule the best in the industry.
Submersible Motor Engineering/Silvercrest is the world leader in submersible motor technology, enabling our customers to explore deeper underwater than ever before. High power, high voltage and high-pressure specifications are common place for many of our clients. Our submersible subsea and ROV motors are the best on the market today, offering a comprehensive choice of materials and design to underwater and ROV operators. Submersible Motor Engineering/Silvercrest specializes in all aspects of submersible electric motor operation, performance, and design. Due to industry demand for readily available quality parts, we also rewind, repair, redesign, and machine major components of other manufacturer's motors that require repair and re-manufacture.
CONTACT US TODAY TO DISCUSS YOUR SUBSEA MOTOR REQUIREMENTS. Email: sales@SilvercrestSubmarines.com Email: sales@SilvercrestSubmarines.co.uk
SME(UK) has now opened our new submersible motor service facility in the United Kingdom.
SME(UK) now offer a complete submersible electric motor repair facility for: Rewinds / rebuilding /electrical conversion / construction modification. We also design and build specialized motors for use SUBSEA for the offshore industry. Installation and start-up technical support. Have a problem and need help with your subsea motor, then we offer the best choice in consulting services. Troubleshooting. Any type of mechanical repair. Shaft. Bearings. End bells. Seals. Testing. Repair and rewind of large high voltage (500kW 6600V) submersible electric motors. SME High Temperature Submersibles in 6"to 20" frames suitable for operation in ambients of 75 Deg.C High Voltage water filled submersible motors-3300V,4160V and 6600V. Upgraded Temperature Monitoring unit available with new improved user friendly parameter setting. SME ROV and Subsea motors suitable for depths of 4000m. ROV HPUs. Subsea Motor-pump sets. Subsea Electric Generators for Tidal Generation. Induction Generators or slow speed Permanent Magnet Synchronous Generators up to 500kW. SME (UK) designs, manufactures and supplies water filled and oil filled ROV and subsea submersible motors globally. SME (UK) is a full Sales, Service & Repair division for the factory in Australia. SME (UK) offers repair of all submersible electric motors. SME (UK) can rewind and completely rebuild the following listed motors. Alstra, Aturia, Bamsa, B. J., Elmaksan, Exodyne/EEMI, G.E., Hayward Tyler, Hitachi, Mercury, Oddesse, Pleuger, Saer, S.M.E., Subteck, Sumo, Sun Star, U.S.
SME WATER JETTING PUMP for ROV TRENCHERS. Silvercrest/SME now offers high quality, robust and reliable, water jetting pumps complete with SME submersible motor for all subsea operations. Ideal for ROVs, subsea Trenchers, Dredgers and other underwater applications. Silvercrest/SME supply our own Pump/Motor combination. We offer a 2- pole, or 4-pole motor, coupled to our own designed pump (especially designed for trenching applications). Depth rating is 3000msw plus. The pump and motor combination is rigorously tested in our factory to full performance before despatch.
We recently delivered ten 260kW, 3000VAC, double ended, 2 pole, stainless steel bodied motors to CTC Marine Projects Ltd, for use on their fleet of sub-sea trenchers. This was a bespoke order that was completed in just six weeks from receipt of order. Also five 400kw, 4 –Pole, 3300/3/60, SS316 Construction, Subsea Submersible Motors for SMD. Silvercrest / Submersible Motor Engineering supply submersible motors, HPU's, and motor-pump sets worldwide. Our customers include SMD, Saab SeaEye, Ldtravocean, Fugro, CTC Marine Projects, Perry Slingsby and many others.
Subsea Trencher fitted with our SME 142-265KW stainless steel construction submersible motor and pump.
Silvercrest / Submersible Motor Engineering have manufactured and recently supplied six 400kw ROV20-4 motors, 4-pole/3300vac/3 phase/60hz, stainless steel construction. Single ended for fitment with Sauer hydraulic pumps Series-90-L250. Rated for 3000m depth operations. Also three ROV204 submersible motors (300kw/4 pole/3300vac/3 phase/60hz) with stainless steel construction, and double ended for fitment with Sauer hydraulic pumps to SMD-Hydrovision. Together with 7.5kw motors for Rov cursor application. Silvercrest / Submersible Motor Engineering has manufactured a seven (7) 6600V motors, for three different offshore contracts. Petronas Dulang and Angsi Platforms. Star Energy KG Platform.
A new Saab-SeaEye Jaguar ROV, fitted with our SME ROV12-2, 48kW 65HP, 2-pole, 3000/3/50, aluminium construction ROV submersible motor, and Rexroth hydraulic pump. Fitted with temperature sensing and water detectors. Epoxy coated for protection.
SME motor with Heat Exchanger.
Two submersible double-ended motors mounted with hydraulic pumps, fitted to a submarine digger. SME ROV14-4, 75kW/100HP, 4–pole, 3000/3/60, Anodised Aluminium Subsea Motors with Interface to suit the Hydraulic Pumps.
SME 260Kw submersible motor-pump set fitted to a subsea trencher.
Silvercrest / Submersible Motor Engineering is a leading manufacturer of high quality submersible motors and pumps, designed specifically for subsea operations.
SME ROV 65Hp MOTOR with Fybroc Centrifugal Water pump.
SME manufacture and design subsea electric motors, either water or oil-filled for all ROV and subsea applications. SME design, manufacture, and supply, submersible electric motors for bore holes, SUBSEA and ROV electric motors for SUBSEA equipment, submersible electric motors for sump pumps, and any special purpose submersible electric motor requirements. SME also offer SUBSEA electric generators for Tidal Power Generation.
Submersible Motor Engineering design, manufacture, and supply, submersible electric motors, SUBSEA and ROV electric motors for all SUBSEA equipment, ROV HPUs, submersible electric motors for sump pumps, and any special purpose submersible electric motor requirements. Submersible Motor Engineering also offer SUBSEA electric generators for Tidal Power Generation.
269kw motors fitted with pumps and heat exchangers.
SME Repair and Rewind large high voltage (500kW, 6600V) submersible electric motors.
We manufacture and rebuild very large submersible motors for a range of different offshore and subsea companies. These include: Global Marine, CTC, Sonsub, Star Energy, Sulzer Wood, Sulzer, Fugro, Apache, BHP Billiton, Petronas, SMD, Exxon Mobile, Chevron, Perry Slingsby, Subsea7, Bayu Purnama, ISE Ltd, Saudi Aramco, Woodside, PXP.
SME 150kw Water Jetting Motor-Pump set. SME 195Kw subsea motor.
260kW Silvercrest / Submersible Motor Engineering Pump Motor under construction.
Submersible 15Kw ROV HPU. Subsea Submersible Electric Motor.
Silvercrest / Submersible Motor Engineering will bespoke manufacture virtually any shape and size of submersible motor required for subsea operations. We will be very happy to discuss the details of your subsea motor / pump requirements in order to produce a detailed technical quote for you.
Silvercrest / Submersible Motor Engineering design and build specialized subsea motors, and support packages for use on all types of Rovs and underwater vehicles in the offshore and subsea industry. These submersible motors are usually made to order and vary from 1kW to 1500kW, 400 to 6600 Volts. 50 or 60 Hz, 2-Pole to 8-Pole. There are two common methods of construction available: - Stainless steel construction, or Marine Grade aluminium that is Black anodised to resist corrosion. In addition we can offer Duplex and Super Duplex stainless steel construction. These motors are usually oil filled and pressure compensated. Common operating voltages are between 300 volts and 3300 volts - even for small 5kW motors. 6,000vac and 11,000vac motors also available by special request. Certain subsea motors can operate down to depths of 10,000 meters.
Silvercrest / Submersible Motor Engineering manufactures new Submersible, Subsea, and Rov motors. Silvercrest / Submersible Motor Engineering rewinds, services and repairs all brands of Subsea, Submersible and Rov motors. Including Hitachi, Pleuger, Grundfos, Mercury, Byron Jackson, Haywood Tyler, and Franklin. Silvercrest / Submersible Motor Engineering is a leading manufacturer of high quality submersible motors and pumps, designed specifically for subsea operations. Silvercrest / Submersible Motor Engineering specialize in the bespoke manufacturing of submersible motors, pumps and ancillary equipment for use on Rovs, subsea trenchers, subsea ploughs, dredgers and water lift pump systems, for use in the offshore Oil and Gas and Telecommunications industries.
75HP Rov Subsea Motor.
We manufacture our own laminations, designed specifically to meet the individual requirements of each customer. We do not buy off the shelf standard rotor sets and fit them in a housing, as some other manufacturers will often do. As a result our motors are more efficient and generally ightly smaller, in both diameter and length, than our nearest competitors for any given power rating. Silvercrest / Submersible Motor Engineering offer a range of ‘standard’ motors for use in well-established underwater installations, such as the more popular classes of Rov and subsea ploughs.
Silvercrest / Submersible Motor Engineering offer: Repair and rewind of large high voltage (500kW, 6600V) submersible electric subsea motors. High Temperature Submersible subsea motors in 6-inch to 20-inch frames suitable for operation in ambient temperatures of 75 Degrees C. High Voltage water filled submersible subsea motors (3300V, 4160V and 6600V). Upgraded Temperature Monitoring units available with new improved user-friendly parameter setting. ROV and subsea submersible motors suitable for depths of 4000m (10,000m depths by request). WD Series sump-pump motors. Subsea Electric Generators for Tidal Generation. Induction Generators or slow speed Permanent Magnet Synchronous Generators up to 500k.
CONTACT US TODAY TO DISCUSS YOUR SUBMERSIBLE MOTOR, SUBSEA MOTOR and ROV MOTOR REQUIREMENTS.
Tel: (+44) 1285.760620 Email: sales@SilvercrestSubmarines.com
Silvercrest / SME. “Excellence” in the manufacture of “quality” Subsea Electric Motors. We offer Subsea Electric Motors. Full Range of Speed Options. All Voltages and Frequencies. All Construction Options from Anodised Aluminium to Exotic Metal Alloys. Extensive Electrical and Hydraulic Testing Facility. Engineered Motor Solutions for Complex Applications . World Leaders in the Design, Manufacture, and Supply of Subsea electric motors. Over 2000 motors delivered and operating worldwide.
Contact us today: Email. sales@silvercrestsubmarines.co.uk
SME products have been designed and developed utilising many years of operating and service experience with submersible motors and subsea motors. SME are a quality assured company and are certified to ISO 9001 by SGS for “Design, development, manufacture and testing of submersible subsea electric motors”. SME produce their motors under a rigorous QA procedure to ensure that all motors are supplied in a “Quality and Reliability Assured” condition. In addition to ensuring the motors are supplied in excellent condition, SME believe it is their responsibility to try to ensure that the end users get many years of reliable life from their SME motors.
At SME we try to help the end user – not just sell them a motor in a box. We offer the services of experienced commissioning engineers to go to site and ensure the motors are installed, commissioned, and protected correctly. We also offer full 24 hour service and testing facilities. At SME we are continually working to improve the performance of our products and for this reason we reserve the right to make changes without notice to any of the data in this brochure. Please contact us direct for confirmation of any drawings dimensions or performance data.
SME SUBSEA MOTORS SME can design and build Subsea motors to suit any requirements, due to our totally flexible design capabilities: Flexible External Dimensions to suit all applications. Dimensions to allow drop in replacement of existing units. Anodised aluminium, or, 316 stainless steel or more exotic materials, such as Duplex. Power drive to load using an output shaft with a standard coupling, or, close coupled. Single drive shaft, or, a drive shaft at both ends, double shaft extension. SME can design and build a motor with a completely new lamination to meet special design requirements, if necessary. SME design their motors so they do not run hot. Typical motors can run on deck for at least ten minutes on full load, with no cooling, without overheating. The motors are designed to be compact in size and suitable for heavy-duty applications, like trenching.
If weight is important, SME can design the motor for minimum weight by utilising an aluminium construction and a hollow motor shaft, while still ensuring the motor is generously rated for full load operations. If the motor is going to drive a hydraulic pump we recommend a close-coupled arrangement to save the weight of the coupling and the coupling housing. SME can design and build motors for all voltages from 24 volts to 6600V with 50Hz or 60Hz frequencies, or for VVF requirements. High Voltage motors can have random wound stator windings, or formed coils, depending on space and weight constraints. The winding wire for the High Voltage motors is double insulated and passes a twisted wire test at 16,000 volts and is rated up to 155 Deg.C. All windings are designed to keep ‘turn to turn’ voltage to a minimum. All winding materials and cables are specially selected to be suitable for use in hydraulic oils. In general, SME Subsea motors have low loss lamination steel (3 watts/kg), which allows for higher flux densities, and less heat, with less materials and weight. All motors are oil filled and we recommend hydraulic oils for good lubrication characteristics in preference to electrical oil ( which has better di-electric capabilities, but worse lubrication capabilities). If motors are going to drive a water pump, SME can design the motor to take the thrust load from the pump and keep the sea water out of the motor with a single or double mechanical seal arrangement. Small thruster motors can be designed and built for voltage/speed control, which is a relatively simple speed control system and can be built with a thrust bearing incorporated to take the thrust load from the impeller.
To ensure the integrity of the motor housing, SME does not use castings. All components are machined from solid or from extrusions. The external aluminium components are typically 6061 T6 marine grade aluminium and hard anodized to a military specification.
All ball bearings are from well known brands such as SKF, FAG, or NSK. Oil seals are high temperature and typically made from Viton. Mechanical seals are typically Burgmann. All hardware used on SME Subsea motors is 316SS. All fixing holes are blind. Oil in and out fittings and the stator pack-fixing bolt, if applicable are sealed with O rings.
The preferred power cable entry system for SME motors is to use an “oily tube” connected to an adaptor, which is part of an oil tight rubber gland that is fixed to the stator frame. SME do not recommend bringing the power cables through the end-shields of the motor as this creates additional complications when the motors are stripped down during service (because the end-shields cannot be readily removed from the stator). Subsea connectors can be offered as an alternative to the Oily Tube if requested.
SME strongly recommend that the motors are fitted with PT100s fitted in the windings and also to the bearings. The internal motor temperatures are monitored and set up to alarm if the temperatures rise above a safe temperature. SME can also offer additional protection with a water detector. The auxiliary connections for PT100s, can be made through standard high pressure, water tight, plug and sockets as, supplied by “Subconn”, “Impulse”, and “Burton”. These are also fitted to a connection block on the stator, not on the end shield. All finished motors are pressure tested to ensure they are “oil tight” and suitable for compensated operation down to 4000 metres. All motors are rated for continuous operation and all prototype motors are full load performance tested at rated voltage and rated frequency to confirm their performance characteristics. All motors can be issued with a “Type Test Certificate” or even full load tested at additional cost, if required.
SME can offer to arrange for hydraulic pumps to be set up and tested on the motors at rated voltage and frequency. SME can offer to supply Hydraulic Power Units, “complete”, with the addition of customer specified Hydraulic Pump. SME Subsea motors can be designed and built for all subsea applications, such as ROVs, Trenchers, Ploughs, Submarines and Dredges. All brands of Subsea motor can be serviced, repaired and tested by SME. In some cases the original motors can be significantly upgraded. If you are having problems with your existing Subsea motor please contact SME – we are ready and able to provide assistance and we are very price competitive.
APPLICATIONS Driven equipment can include: Hydraulic Pumps: For ROV Hydraulic Power Units, Subsea Robotics, Thrusters, etc. Water Pumps: For Jetting Systems, Hull Cleaning, Trenching and Pipe and Cable Laying Equipment, Pipe Pressurisation, Dredging, etc. Propellers/Impellers: For Remotely Operated Vehicle Thrusters, Manned Submarine Thrusters, Mass Flow Excavation, etc. Gearboxes: For Subsea Winches, Cable Tensioners and De-reelers. Fish Pumps.
MATERIALS OF CONSTRUCTION SME can manufacture Subsea Motors in Aluminium (Grade 6061 T6), Stainless Steel(Grade 316), Duplex (SAF2205), Super Duplex (SAF2507) and other more exotic materials.
VOLTAGES Motors are available in AC Voltages from 24V to 6600V. Motors up to 4160V in Random Wound Designs. Above 4160V motors are manufactured using a Formed Coil system. Special random wound design motors may be available above 4160V for specific applications.
DEPTH RATING All SME's Subsea Electric Motors are designed for external compensation and have been used at depths of more than 4000M. Compensation advice can be provided on request.
SPEED Motors are available in a variety of speeds at both 50Hz and 60Hz. Synchronous speed at different numbers of poles. (Hz) 2P 4P 6P 8P 10P 12P 50 3000 1500 1000 750 600 500 60 3600 1800 1200 900 720` 600 Lower speed ratings are available on application. Motors are suitable for operation Using variable speed drives and SME can provide advice on variable speed drive operation if requested.
INSTRUMENTATION SME Subsea Motors are available with a range of instrumentation: Bearing and Winding Temperature Monitoring Water Ingress Detection Pressure Transducer Resolvers and Encoders Tachometers
COOLING Motors are generally designed to operate with no additional cooling other than the ambient water temperatures but in some cases external cooling may be required. SME can provide motors with closed loop cooling circuits or motors that are suitable for use with externally fed cooling circuits.
ELECTRICAL CONNECTIONS SME Subsea Motors use an oily tube termination for all power connections as standard. However, appropriately sized and rated Subsea connectors can be used as an alternative, either a Bulkhead Connection on the motor, or as part of a fixed Flying Lead Termination. Instrumentation is generally terminated using a variety of Subsea Connectors. Customers are free to specify their Connectors of choice.
MECHANICAL INTERFACE Motors are design built to suit the application and SME can supply a broad range of interfaces from direct coupled arrangements to the use of separate coupling housings. SHAFTS: Female and Male Spline Shafts, Internal and External Keyed Shafts. FLANGES: NEMA, IEC, SAE, DIN Standards are all available as well as unique requirements. Motors can be provided with Double Ended Arrangements to drive multiple loads.
MOTOR MOUNTING Motors can be provided with various Mounting arrangements including Feet, Flanges, Brackets, or Clamping. In most cases SME can match the mounting interfaces of units being replaced to ensure ease of installation in existing equipment. Motors can be manufactured for Horizontal or Shaft Up or Down installation.
COMPENSATION REQUIREMENTS Motors are built to utilise external compensation. Motors are fitted with oil in and out ports as well as several bleed points to facilitate easy plumbing. Fittings can be provided with BSP, NPT or JIC and other fittings with both straight and tapered threads to provided uniformity on the installation. There are a vast range of acceptable compensation fluids and SME can provide advice in the suitability of various oils.
SME MOTOR RANGE SME is able to provide many and varied Subsea Motors to suit specific applications. Please contact us to discuss your requirements.
SUBSEA PUMPS SME design and manufacture a world leading range of Electric and Hydraulically Driven Subsea Pumps. These are designed to operate as Heavy Duty Jetting Pumps on Subsea Trenchers and Ploughs, Subsea Dredging and Excavation Equipment. SME Pumps are robust and reliable in the toughest environments. Our flexible design capabilities mean we can manufacture Subsea Pumps to suit most applications. We offer a variety of Construction Materials from 316 grade Stainless Steel to Exotic Stainless Steel Alloys, with nickel aluminium bronze impellers. SME Electrically Driven Subsea Pumps can be manufactured in all voltages from 380V through to 6600V at 50Hz or 60Hz, or for use with Variable Speed Drives. All pump motors are designed for external compensation allowing for operation at depths as much as 4000M. The Motors can also be offered with Cooling circuits to ensure high output motors maintain minimal operating temperatures at Full Load.
TESTING SME‘s West Australian facility, located in Perth, provides for an extensive testing regime for repaired and overhauled motors. SME can full load test motors on our dynamometers and can also offer performance testing of complete pump/motor units in our purpose built test tank – at the specified voltage and frequency up to 6600 volts. SME can guarantee motors that have been serviced and repaired are fit for purpose before dispatch, providing customers with complete confidence in the work prior to re-installation. All motors that re rewound by SME are subject to an immersion pressure test which is conducted in our pressure test vessel to ensure the integrity of the windings prior to assembly and load testing. Our commitment to a strict testing regime protects our clients from the risks of downtime caused by unexpected failure. Our Factory offers the following equipment: High Voltage Transformers 1000/2400/3300/4160/6600V High Current Voltage Regulator Dynamometer Load Test Equipment 300kW/2600kW Power Generation 350kVA/1350kVA 15kV Hi Pot and Surge Tester Subsea Pump Testing Facilities
SME COMPANY PROFILE Submersible Motor Engineering Pty Ltd is an Australian Company that designs and manufactures Submersible and Subsea Electric Motors for Global Markets. SME has the ability to design and produce specialist electric motors for complex applications, in many cases for a “one off” requirement. SME should be the company of choice to work with to provide High Quality Engineered Solutions for your Subsea Motor requirements. SME offers a Repair, Rewind Modification, and Technical Support Service, in Perth, and in Phoenix. With a new facility soon to be opened in the United kingdom. Our facilities ensure that we can handle any job we are confronted with, regardless of complexity. Our purpose built testing facility ensures absolute confidence in workmanship and reliability for our clients. When it comes to Sales and Service of Submersible and Subsea Motors, SME’s range of Worldwide Locations ensures that we can provide excellent service and technical support on our own SME range of products, but also the products from all other manufacturers of Subsea Motors.
SUBMERSIBLE MOTOR-PUMP SET (HPU) for IMMEDIATE SALE.
New 65Hp submersible Rov HPU for sale. The motor-pump set is brand new, direct from our factory and has been constructed specifically for this purpose.
SME ROV12-2, 48kW 65HP, 2-pole, 3000/3/50, Aluminium Construction ROV Motor fitted with Rexroth A10VO28DFR1/31R-PSC62N00 Hydraulic Pump. Burton Connector for Power Leads. Fitted with Temperature Sensing and Water Detectors.
Mil Spec hard-anodised T6 hardened 6061 grade Aluminium construction, with all 316 hardware. Rotor dynamically balanced. Oil filled externally compensated. Fully factory performance tested on Dynamometer at rated voltage and frequency. Subsea connectors for power and instrumentation. Designed for maximum electrical efficiencies to reduce full load currents. Motor designed for low operating temperatures to extend reliable lifespan. Specialised winding insulation system to ensure long operating life, even under the most arduous of duties. On Deck operation generally allowable. Location. UK.
SILVERCREST/ SME Tel: (+44) 1285 760620 Email: sales@SilvercrestSubmarines.com
Submersible Motor Engineering manufacture: High temperature submersible subsea motors for 55 deg.C. water ambient. High efficiency water filled submersible subsea motors. All stainless steel construction submersible subsea and ROV motors. Full performance testing of submersible motors. 1000V and other special voltages - NO PROBLEM! Super Duplex submersible subsea motors. We offer a wide range of electric submersible motors, with matched hydraulic and water pumps for use subsea, and with underwater vehicles, and ROVs. Drop in replacement motors for most of the popular submersible motors in use offshore and subsea. Subsea ROV Trenching Motors, Hydraulic Pumps and Water Pumps. We supply ROV HPU submersible motors from 30kW to 150kW. Trenching HPU submersible motors from 100kW to 500kW. Subsea trenching jetting pumps, subsea plough HPU submersible motors, subsea plough jetting pump sets, turbine and centrifugal water pumps, and hydraulic pumps (including Rexroth, Sauer, and Kawasaki). HPU (Hydraulic Power Units) for subsea, and ROV operations. Submersible Motor Engineering Hydraulic Power Units (HPU) are used throughout the subsea oil and gas industry, for subsea hydraulic power generation, and for running high pressure/high flow water pumps.
200kw, 4160v, Submersible motors ready for shipping to a subsea operator.
ALSO AVAILABLE.
SME MOTOR-PUMP SET for ROV TRENCHERS. Silvercrest / Submersible Motor Engineering can supply our own Pump/Motor combination. We offer a 2- pole, or 4-pole motor coupled to our own designed pump (especially designed for trenching applications). Depth rating is 3000msw plu For example : SME ROV14-4, 185kW 250H, 4 Pole, 4160/3/60, SS316 Construction Subsea Motor. Fitted to SME SS316 Construction/NAB Impeller Water Pump to produce 390m3/hr at 16 Bar.
Down Hole Submersible Motor. s. The pump and motor combination is rigorously tested in our factory to full performance before despatch.
4- Pole Down Hole Motor for submersible pump application. 10hp/4 pole/ Low RPM motor. We are pleased to offer our: SME 10 inch, 10HP, 4 Pole, 400/3/50, SS316 Construction Submersible Motor. A submersible motor for use on a subsea pumping project.
SME WATER JETTING PUMP (NOW AVAILABLE). SME now offers a high quality, robust and reliable, water jetting pump complete with SME submersible motor for all subsea operations. Ideal for ROVs, Trenchers, Dredgers and other underwater applications. The SME Jetting Pump comes complete with a 265kW, 2- Pole, 3300V 60Hz, 3500rpm, all 316 Stainless Steel motor. The Pump is single stage with the impeller mounted directly onto the motor shaft (So no pump bearings to wear). This Impeller is easily removed and replaced as the only wear point. Easy on site serviceable. This pump provides flow rates from 1000-1500m3/h.
High voltage subseaTrencher motors for water jetting.
150 KW, 3000V, 60HZ, 2 Poles, 3500 RPM, Compensation: Oil Filled. Power Connector: Burton. Sensor Connector: Subconn. This motor will be coupled with a Pleuger water pump. We are pleased to offer our: SME ROV14-2, 200HP 150kW, 2 pole, 3000/3/60, SS316 Stainless Steel Construction Motor to suit operation with Water Jetting Pump.
250Kw Motors for new Underwater Vehicle.
New 250Kw motors for new build Underwater Vehicle, to be mounted with hydraulic pumps. Our ROV14, 250kW / 335Hp, 4-Pole, 1800rpm, 4000/3/60, Anodised Aluminium Construction Subsea Motor to Drive Hydraulic Pump. Interface to suit Hydraulic Pump.
High voltage motor-pump set to be used subsea at a depth of 6000msw.
The requirements being 3000VAC 50Hz, 15kW, 1500rpm (motor), 20 Lpm (hydraulic fluid flow rate), 21 Mpa (pump outlet pressure). We can offer the following motor-pump set complete. SME ROV10-4, 15kW 20HP, 4 Pole, 3000/3/50, Aluminium Construction Subsea Motor, Coupled to Rexroth A10VSO18DFR Hydraulic Pump to give 20L/m at 21 Mpa. Epoxy coated for protection.
Submersible electrical motor. Input voltage 380 Volts and 50 Hz. The application being for a hydraulic power pack aggregate which will work on a ship, and be in contact with sea water. Power capacity of the motor should be around 25 -30 kW and speed of rotation about 1400 - 2000rpm, pressure 500 bar. We can offer the following motor, SME ROV10-4, 30kW, 4 Pole, 1500rpm, 380/3/50, Aluminium Construction Subsea Motor to Drive Hydraulic Pump, Epoxy coated for protection.
Heat Exchanger Motors.
We now offer a complete range of water filled, watertight, submersible subsea motors with integral heat exchangers in 10-inch, 12-inch, 14-inch and 16-inch size for 2 pole and 4 pole speeds.
These subsea motors offer a significantly lower temperature rise when compared with standard submersible subsea motors. This is an advantage that can be utilized when customers want to operate in water with a high ambient temperature, or when there will be minimal cooling water flow available. Even with the standard applications the lower temperature rise will extend the life of the motor significantly. There is an accepted rule of thumb for electrical insulation that its life is shortened by one-half for every 10°C increase in operating temperature. The winding operating temperature for a normal water filled submersible motor is about 70 degrees.C, in 25 degree.C water. However an SME Heat Exchanger Motor will be running at about 45 degree.C. (This is 25 degrees cooler). This magnitude of difference in temperature rise will have a significant positive impact on motor life.
The basic design principle for these subsea motors is to circulate the internal water in the motor remove the heat from the "active" parts of the motor, and then pass it through a heat exchanger which brings the internal water back to somewhere close to the external ambient water temperature - before feeding it back through the "active" parts again to remove more heat. The heat exchanger increases the external surface area of the motor by 50% and the water circulation allows the heat to dissipate more evenly and quickly out of the subsea motor and into the external water. The small impeller inside the subsea motor that circulates the water has an insignificant impact on the motor efficiency in terms of additional load, while the subsea motor has an improved efficiency because the stator and rotor copper losses are reduced due to the lower operating temperature.
Motor Thermal Protection Unit
All SME Heat Exchanger Motors come with four (4) PT100 temperature sensors installed in the motor. One PT100 is attached to the thrust bearing assembly that will detect excessive thrust loads and overheating in the thrust bearing. One PT100 is installed in the end winding on the non-drive end of the motor. One is installed half way down the slot in the winding in the middle of the motor. One is installed in the end winding on the drive end of the motor.
SME can offer one temperature protection unit (SME4TM) to monitor all four PT100'S installed in the Heat Exchanger Motor.
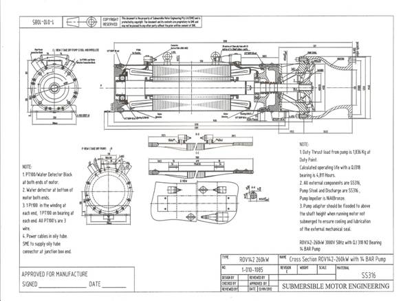
Water Pump Motors. Our water pump motors are not vertically oriented, water filled, down hole pump motors, as has previously been the norm throughout the subsea industry. Silvercrest / Submersible Motor Engineering motors are substantial oil filled submersible motors, designed to run in the horizontal axis with a large thrust bearing assembly to withstand water pump loads. We can offer specially designed turbine pumps to match our motors. Again these pumps are not the usual vertically oriented type, these are specifically designed with a twin bearing arrangement, for use in the horizontal axis. Thus dramatically extending operational life and improving pump reliability. Silvercrest recently delivered ten 260kW, 3000VAC, double ended, 2 pole, stainless steel bodied motors to CTC Marine Projects Ltd. The motors will be used by CTC on their subsea plough and trenching vehicles worldwide. This was a bespoke order that was completed in six weeks from receipt of order, ex-works from our manufacturing facility in Australia. The 260kW/ 3000V / 60Hz / 2 pole pump motors (designed specifically for use in the horizontal axis) were fitted with shafts at both ends, in order to mate with three tandem mounted hydraulic pumps on one end and a Hayward Tyler M6 single stage water pump-set on the opposite end. In this 260kW model, rather than using the pivot shoe arrangement, typical of vertically oriented pump-sets, heavy duty tapered roller bearings were fitted to the rotor to manage the water pump induced end-loads. Thus giving a calculated bearing life in excess of 11,000 hours, even when used in the horizontal axis. Depth rating on each motor is 10,000 meters, with oil filled compensation. Motor housings are 316 stainless steel, with Mylar coated windings (the ultimate in winding coating technology) being used in each motor at the request of CTC, giving an insulation rating of >16kV at a temperature of 140 degrees C.
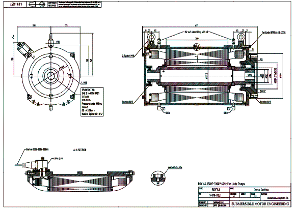
Rov and Subsea Plough and Trencher Motors. Silvercrest offer an established range of Rov motors ranging from 5HP to 500HP. All of these motors are available in either SS316 or Hard Anodized Aluminium finish. We will also design and build submersible motors to suit your individual requirements and subsea project. Our motors are in use with most of the major operators worldwide such as Saipem, SMD Hydrovision, Sonsub, CTC Marine Projects, Impresub, Fugro, Thales, MTQ, LD Travocean and Canyon Offshore.
100HP Aluminium Bodied ROV HPU Motor.
75HP Plough Motor 11.kW Submarine Thruster. 265KW Trencher Motor.
400Kw Motor/3000vac for Subsea Trencher.
Submersible ROV HPU and Compensation Units. Silvercrest / Submersible Motor Engineering manufacture and supply a wide range of electric submersible motors, motor-pump sets, together with matched hydraulic pumps (HPU) or water pumps. We can supply ROV HPU submersible motors from 30kW to 250kW, trenching HPU submersible motors from 100kW to 450kW, trenching jetting pumps, plough HPU submersible motors, plough jetting motor pump sets, turbine and centrifugal water pumps, hydraulic pumps, Rexroth A7 and A10 series pumps, and Sauer 90 series & Kawasaki KV3 series pumps. We also offer a range of subsea components for manned submersibles, ROVs, submarines, subsea trenchers and subsea ploughs. Also oil compensation units (Compensators). We supply AC thrusters as direct replacements to existing DC thrusters from 1kW to 50kW in size.
Oil Compensator Units. Silvercrest / Submersible Motor Engineering supply oil compensator units for subsea vehicles, to suit manned submersibles, ROVs, submarines, subsea trenchers and subsea ploughs, and subsea equipment. We can offer a range of oil compensation unit sizes, including a 2.7L Compensator. 7 x 1/4" NPT (BSPT). SA-HC-0745-MAS.
This is a rolling diaphragm, positive pressure compensator (2700cc capacity), manufactured in corrosion resistant plastic suitable for ROV and tooling applications. These units are particularly suitable for compensating thrusters, compensating oil filled junction boxes, compensating valve packs, and other subsea applications
Motor-pump sets (depth rated to 3000m) for subsea trenching operations. Silvercrest / Submersible Motor Engineering has recently manufactured and supplied two 265kw motor-pump sets for SMD-Hydrovision (England). The package comprised 265kw subsea motors, 2-pole, 3000v, 3ph, 60hz. Together with Jetting Pumps (wet end only, operating at 2-pole, 60 hertz). The motors were a stainless steel construction, and the pumps Zinc Free Bronze. These motor-pump sets will be installed onto one of the world’s largest subsea trenching vehicles. In addition, Silvercrest / Submersible Motor Engineering has manufactured and delivered in just eight weeks from order, two water turbine pumps to CTC Marine Projects based in Teeside (England). The pumps will be used by CTC, in conjunction with Silvercrest / Submersible Motor Engineering submersible 260Kw motors, on their subsea plough and trenching vehicles worldwide.
The two Silvercrest SH-M6R submersible pumps with a 231mm OD impeller and a nominal operating speed of 3600rpm will be used as an alternative to the Hayward Tyler model M6-1 stage CI/BR/SS submersible pump. The Silvercrest pump although matching the performance of the Hayward Tyler unit, is specifically designed for horizontal operation providing a greatly increased reliability for use in horizontal and downward angled operation.
Examples of Submersible motors we have manufactured.
SME 10-inch motor, 110kW 2P 400V 50Hz Super Duplex Construction for Service Water Lift Pumps.
SME 36-inch, 550kW -540HP, 4 Pole, 10000/3/50, Super Duplex Construction Submersible Motor.
SME 12-inch 150kW 200HP 4 Pole 480/3/60 Super Duplex Construction Submersible Motor c/w 60M of Submersible Cable.
SME 36-inch 2200kW 6-Pole 6600/3/60Hz Super Duplex construction. Submersible Motor.
Submersible motors with 60hz frequency, 1180rpm speed, 6,6KV voltage, and 2000kW power rating. Complete with 50m power cable, and PT100 with 50m instrument cable. To be used as fire water pump drive units.
SME 36-inch, 2200kW, 6 Pole, 6600/3/60Hz, submersible motor. Super Duplex Construction. SME 36-inch, 2200kW, 6 Pole, 6600/3/60Hz submersible motors.
SME 36-inch, 1800kW, 4 Pole, 6600/3/60Hz Submersible Motor.
SME 36- inch, 1000kW, 8 Pole, 6600/3/60Hz, Submersible Motor
SME ROV24-6, 400kW, 6 Pole, 4100/3/30-64, SS316 Construction Motor, Double Ended to have Water Pump on one end and a Hydraulic Pump at the other end. Max Axial Thrust 100kN, Max Radial Thrust 40kN.
SME SS132-4, 5.5kW, 4 Pole, 400/3/50, SS316 Construction Subsea Motor for Thruster application (reversing Propeller mounted directly on shaft).
SME ROV16-2, 400kW, 2-Pole, 3300/3/60, SS316 Construction Subsea Motor with integral Thrust Bearing and Interface to suit operation with Water Pump (vertical operation).
SME ROV12-2, 48kW 65HP, 2-pole 3000/3/50, Aluminium Construction ROV Motor fitted with Rexroth A10VO28DFR1/31R-PSC62N00 Hydraulic Pump. Motor to have Burton Connector for Power Leads. Fitted with Temperature Sensing and Water Detectors terminated on Subconn or similar connector. Power Conductor and Sensor Connector Blocks to be in the same position on the motor at opposite ends (or as requested). Epoxy coated for protection. 4kw submersible motor, to be connected to a worm drive and gearbox. Supply voltage 440V, three phase. SME ROV10-4, 4kw, 4 Pole, 440V 50/60Hz, SS316 Construction Subsea Motor
SME ROV14-4 75Kw/100HP, 4-pole, 3000/3/60, anodised aluminium subsea motor. Double-ended motor with Interface to suit Sauer and Kawasaki Hydraulic Pumps.
300 kW electric motor, 1800 rpm, 4160V 60Hz, electric supply, with adaptation flange to fit with Sauer Danfoss hydraulic pump 90 R 250 type, standard splined shaft.
SME ROV14-4, 66kW/88HP, 4-pole, 3000/3/60, Anodised Aluminium Subsea Motor, with Interface to suit Hydraulic Pump. SME ROV10-2, 75HP, 2 – Pole, 3000/3/60, SS316 construction. Subsea Motor fitted with SMP 9WH-4 Stage NAB Construction Pump to provide 4000L/M at 5Bar or 1060GPM at 170ft Head. Motor is oil filled and externally compensated. Tube connection for Power and Subconn or equivalent connector for Water Detector and Temperature Monitoring. SME ROV22-14, 120HP, 14-Pole, 3000/3/60, SS316 construction. Subsea Motor fitted with Jetech 15055-UW-H Subsea Quintuplex High Pressure Pump to provide 50L/M at 850Bar. Motor is oil filled and externally compensated. Tube connection for Power and Subconn or equivalent connector for Water Detector and Temperature Monitoring. SME ROV22-12, 120HP, 12-Pole, 3000/3/60, SS316 construction. Subsea Motor fitted with Jetech 100J3-UW-H Subsea Triplex High Pressure Pump to provide 46L/M at 850Bar. Motor is oil filled and externally compensated. Tube connection for Power and Subconn or equivalent connector for Water Detector and Temperature Monitoring.
SME ROV18-4, 260kW, 350 HP, 4 Pole, 3000/3/60, Duplex Stainless Steel Construction Subsea Motor. To drive close coupled Hydraulic Pumps ( Bosch Rexroth Pump A11VLO-260, and Bosch Rexroth Pump A10VSO-4). SME ROV10-4, 40kW, 4 Pole, 3000/3/60, SS316 Construction Subsea Motor fitted with PTS Sterling 350C-1, 316SS Submersible pump to deliver 88 litres per second at 21 meters total developed head. Duty Power: 27.5 kW. Duty Thrust: 575 kg, NOL Power: 28.2 kW. Shut Head Thrust: 860kg. SME ROV10-2, 22kW, 2 Pole, 300/3/60 SS316 Construction Subsea Motors, fitted with PTS Sterling 200E-1, 316SS Submersible pumps to deliver 44 litres per second at 21 meters total developed head. Duty Power: 16.6 kW. Duty Thrust: 250 kg, NOL Power: 17.5 kW. Shut Head Thrust: 400 kg.
SME ROV12-8, 3HP, 8 Pole, 480v 23Hz, Aluminium Construction Subsea Motor.
SME ROV24-6, 400kW, 6-Pole, 4100/3/30-64, SS316 Construction Motor. Double Ended to have Water Pump at one end, and the Hydraulic Pump at the other end. SME SS132-4, 5.5kW, 4 Pole, 400/3/50, SS316 Construction Subsea Motor for Thruster application (reversing Propeller mounted directly on shaft). SME ROV10-4, 20HP, 4 Pole, 440/3/50-60, Aluminium Construction Subsea Motor to drive Hydraulic Pump. SME ROV14-2, 375kW, 2 Pole, 3300/3/60, SS316 Construction Subsea Motor to be fitted to your Water Pump. Flange and Shaft requirements to be advised by the client. SME ROV16-2, 400kW, 2 Pole, 3000/3/50, SS316 Construction Subsea Motor fitted to SME SS316 Construction/NAB Impeller Water Pump. Unit to be tested at rated performance in SME Test Facility. SME ROV10-4, 11.5kW, 4 Pole, 400/3/50, SS316 Construction Double Shafted Subsea Motor. To be a drop in replacement for the SubAtlantic Motor. SME ROV10-4, 2.2kW, 3HP, 4-Pole, 600/3/60, Aluminium Construction Subsea Motor complete with Flange and Shaft to interface with your Gearbox. Power Cables in Oily Tube. Motor to be epoxy coated for protection.
SME ROV10-4, 15kW 20HP, 4 Pole, 415/3/50, Aluminium Construction Subsea Motor, Coupled to Rexroth A10VSO28DFR Hydraulic Pump. Subconn Connectors for Power HPBH4F, and instrumentation MCBH4MAL (Capped). Epoxy coated for protection.
SME ROV14-4, 150kW, 4 Pole, 4160/3/60, SS316 Construction Subsea Motor. Fitted to SME SS316 Construction/NAB Impeller Trenching Water Pump to produce rated Pump performance. Motor fitted with Thermex/Fluidex Heat Changer, circulation Gear Pump, and Associated Plumbing. Horizontal or Vertical Operation. Unit to be tested at rated performance in SME Test Facility.
SME ROV24, 150kW 200HP, 3300/3/50. 12 Pole, 500rpm, SS316 Construction Subsea Motor to drive Dredge Pump.
SME ROV14-4, 50kW, 4 Pole, 400/3/50, SS316 Construction Oil filled Subsea Motor. Motor fitted with 3 x RTD's (1 x Redundant), 1 x Water Detector. Speed Monitoring in separate air filled chamber. Motor to be used with compensation circuit including gearbox. Motor to have shaft and flange as per customer requirements (female shaft possible). Motor suitable for vertical operation with no axial load exerted on the motor by the driven equipment.
SME ROV14-4, 100kW, 4 Pole, 400/3/50, SS316 Construction Oil filled Subsea Motor. Motor fitted with 3 x RTD's (1 x Redundant), 1 x Water Detector. Speed Monitoring in separate air filled chamber. Motor to be used with Compensation circuit including gearbox. Motor to have shaft and flange as per customer requirements (female shaft possible). Motor suitable for vertical operation with no axial load exerted on the motor by the driven equipment.
ROV14, 75HP / 55kW, 4 Pole, 1800rpm, 3000/3/60, Aluminium Construction Subsea Motor. Epoxy coated for protection. SS316 can also be offered. ROV14, 100HP / 75kW, 4 Pole, 1800rpm, 3000/3/60, Aluminium Construction Subsea Motor. Epoxy coated for protection. SME ROV14-2, 260kW, 2 Pole, 3000/3/60, Duplex St-St Construction Subsea Motor. Fitted to SME Duplex St-St Construction/NAB Impeller Trenching Water Pump, to produce Pump performance 1200m3/Hr at 6 Bar. Motor fitted with Thermex/Fluidex Heat Changer, Circulation Gear Pump and Associated Plumbing. Horizontal Operation. Unit to be tested at rated performance in SME Test Facility. Motor Oil/water filed, ambient pressure compensated. Depth rate 1500m. (2 off) Bearings PT sensors included. (2 off) Water ingress detectors included.
SME ROV22-8, 185kW, 250HP, 8 Pole, 230/3/60, SS316 Construction. Oil filled externally compensated Subsea Thruster Motor. SME ROV14-4, 250kw /335Hp, 4-Pole, SS316 Construction, 3300/3/50 Subsea Motor. To Interface with your A4VG250 Hydraulic Pumps.
SME ROV22-4, 150kw, 4 Pole, 6000/3/50, SS316 Construction Subsea Motor to Drive Hydraulic Pumps (Model TBA)
SME ROV14-4, 110kW 150HP, 4 Pole, 3300/3/50,60hz, Aluminium Construction Subsea Motor (epoxy coated for protection). Fitted with Rexroth A11VLO19DRS Hydraulic Pump to produce 240L/Min at 210 Bar.
SME ROV14-4, 75HP, 4 Pole, 3300 /3/60hz, Aluminium Construction Subsea Motor. SME ROV14-2, 260kW 350HP, 2 Pole, 4160/3/60, SS316 Construction Subsea Motor. Fitted to SME SS316 Construction/NAB Impeller Water Pump, to produce 500m3/hr at 16 Bar. Unit to be tested at rated performance in SME Test Facility. SME ROV14-2, 260kW 350hp, 2 pole, 4160/3/60, SS316 Stainless Steel Construction Motor to suit operation with Water Jetting Pump. Flange and Shaft requirements to be advised. SME ROV10-2, 18.5kW, 25HP, 2 Pole, 3000/3/50, Aluminium Construction Subsea motor to drive 6-inch Water pump. Epoxy coated for protection. SME ROV12-4, 56kW, 75HP, 4-Pole, 3000/3/60, Aluminium Construction Subsea Motor to direct couple Hydraulic Pumps to both ends. SME ROV10-2, 3.5kW, 2-Pole, 1000-3000V (customer to choose), 60Hz, SS316 Construction Subsea Motor. Seaconn Power Connector.
SME ROV12-4, 100HP, 3000/3/60, Aluminium Construction Subsea Motor to exactly match Curvetech Motor. SME ROV10-2, 15kW 20HP, 2 Pole, 3000/3/60, Aluminium Construction Subsea Motor. Coupled to Rexroth A10VSO10DFR1/52R-PUC64N00 Hydraulic Pump to provide 30L/min at 210 Bar. Motor fitted with Temperature and Water Detectors, terminated in Subconn MCBH4M Connector. Power supplied through Oily Tube. ROV Motor 200kW 335HP, 4 Pole, 1800rpm, 4160/3/60, SME ROV14, SS316 Construction Subsea Motor to drive hydraulic pump.
ROV Motor 100kW 150HP, 2 Pole, 4160/3/60, SME ROV14-2, SS316 Construction Motor to suit operation with water jetting pump. Flange and shaft requirements to be advised.
ROV Motor 150kW, 4 Pole, 1800 rpm, 4160/3/60, SME ROV14, SS316 Construction Subsea Motor to drive hydraulic pump.
SME 14 inch, 150HP, 8 Pole, 380vac/3ph/50hz, SS316 Construction. This is an Inverted Submersible Motor to drive a Propeller Pump. SME 26 inch, 350kW, 8 Pole, Super Duplex Construction Submersible Motor to drive Turbine Pump. SME ROV14-2,135kW, 2 Pole, 3300/3/60, SS316 Construction Subsea Motor. Driving SME SS316 Construction Subsea Pump with NAB Impeller. To operate at 5 Bar. SME ROV 14-2, 260kW, 2 Pole, 3000/3/50, SS316 Construction Subsea Motor fitted to SME SS316 Construction/NAB Impeller Water Pump to Pump performance between and 1000m3/hr at 40M.SME ROV14-4, 150kW 200HP, 4 Pole, 4160/3/60, SS316 Construction Subsea motors. To drive Centrifugal Pump through close coupled arrangement with Coupling housing. Motor to have Power terminated through 15m of 32mm Oily tube. Temperature and Water Connectors terminated in Burton 5506-1508-0002 connector. ROV 15KW HPU. SME ROV10-2, 15kW 20HP, 2 Pole, 3000/3/60, Aluminium Construction Subsea Motor. Coupled to Rexroth A10VSO10DFR1/52R-PUC64N00 Hydraulic Pump to provide 30L/min at 210 Bar. Motor fitted with Temperature and Water Detectors terminated in Subconn MCBH4M Connector. Power supplied through Oily Tube. 3000msw depth rated.
SME ROV10-2, 18.5kW, 25HP, 2 Pole, 3000/3/50, Aluminium Construction Subsea motor to drive 6-inch Water pump. Epoxy coated for protection.
SME ROV12-4, 56kW, 75HP, 4-Pole, 3000/3/60, Aluminium Construction Subsea Motor to direct couple Hydraulic Pumps to both ends. SME 10-inch, 37kW 50HP, 2 Pole, 380/3/50, Ni Al Br Construction Submersible Motor, with Modified Shaft and Flange to suit drawing for Hayward Tyler MS 201-50 motor, and existing pump model 7F23. Fitted with 30m 25mm2 Mulitcore power cable internally spliced in the motor. SME ROV14-2, 260kW, 2 Pole, 3000/3/60, Duplex St-St Construction Subsea Motor. Fitted to SME Duplex St-St Construction/NAB Impeller Trenching Water Pump, to produce Pump performance 1200m3/Hr at 6 Bar. Motor fitted with Thermex/Fluidex Heat Changer, Circulation Gear Pump and Associated Plumbing. Horizontal Operation. Unit to be tested at rated performance in SME Test Facility. Motor Oil/water filed, ambient pressure compensated. Depth rate 1500m. SME ROV14-4, 200kW, 4 Pole, 1800rpm, 3000/3/60 Anodised Aluminium Construction Subsea Motors to drive Parker Hydraulic Pumps. Motor with 5m of Oily Tube and cable. Motor fitted with PT100 and Water Detector terminated in Subconn Connector.
SME WATER JETTING PUMP for ROV TRENCHERS. SME now offers high quality, robust and reliable, water jetting pumps complete with SME submersible motor for all subsea operations. Ideal for ROVs, Trenchers, Dredgers and other underwater applications. Silvercrest/SME supply our own Pump/Motor combination. We offer a 2- pole, or 4-pole motor, coupled to our own designed pump (especially designed for trenching applications). Depth rating is 3000msw plus. The pump and motor combination is rigorously tested in our factory to full performance before despatch.
For example: SME ROV14-4, 185kW / 250Hp, 4 Pole, 4160/3/60, SS316 Construction Subsea Motor. Fitted to SME SS316 Construction/NAB Impeller Water Pump to produce 390m3/hr at 16 Bar. The SME Jetting Pump can also be offered complete with a 265kW, 2- Pole, 3300V 60Hz, 3500rpm, all 316 Stainless Steel motor. The Pump is single stage with the impeller mounted directly onto the motor shaft (So no pump bearings to wear). This Impeller is easily removed and replaced as the only wear point. This pump provides flow rates from 1000-1500m3/h.
SILVERCREST / SME. TEL: (+44) 1285 760620 EMAIL: Sales@SilvercrestSubmarines.com
Some recent submersible subsea and ROV motor and HPU projects for our subsea clients, have included the following: Our motors are manufactured to the clients exact requirements as indicated in the final specification, and the SME drawings.
a) Submersible motors each 550Hp, 50Hz, 2-poles (2900rpm), at 6000v. This being for a major project, that will couple Kazis pumps (turbine type suitable to enter Bore holes) with Silvercrest / Submersible Motor Engineering motors. All motors to have NEMA flange to connect with the pumps. Installation depth expected to be 350m.
b) SME 10-inch, 180kW 240HP, 2-Pole, 3600rpm, 480/3/60, SS316 construction Submersible Motor. c/w Inbuilt Heat Exchanger for High Ambient Temperature. Motor is Water Filled and Water Cooled.
c) SME 12 inch, 250kW 335HP, 2 Pole, 3600rpm, 1000/3/60, SS316 Construction Submersible Motor. c/w Inbuilt Heat Exchanger for High Ambient Temperature. Motor is Water Filled and Water Cooled. d) SME ROV14, 150Kw, 4 Pole, 3000/3/50, 1490rpm Stainless Steel Construction Subsea Motor designed to close couple to Rexroth A11VLO190DRS-11-LN-12N00 Hydraulic Pump. The motor will cool itself in the ambient seawater. Sensors and electrical connector are included in the motor price. e) Two new submersible motors fitted with jetting pumps for a subsea trencher. SME ROV14-2, 150kw, 2-Pole, 3000/3/60, SS316 Construction Subsea Motor fitted with 250GM-4C-177-3550 Nickel Aluminium Bronze Pump to produce 210m3/Hr (two pumps 420m3/h). Absorbed Power 130kW with 151kW Non Overloading. f) ROV54, Power: 1 HP. Operating Depth: 2000 meters, 440AC/3 Phase, 60Hz, and a speed of 3500 RPM. The motor to drive a submersible seawater centrifugal pump mounted onto the motor shaft. The shaft will be fully supported on both sides. The pump does not give pressure, just flow. SME ROV5-4, 1HP, 4Pole, 440/3/60, SS316 Construction Motor, to drive Water Pump.
g) Submersible electric motor with the shaft and flange modified to meet the clients exact technical requirements. SME ROV10-6, 7kW, 6-Pole, 440/3/50, 1000rpm, Duplex Construction. Externally Compensated Subsea Motor to close couple to Worm Gearbox 30-40:1 suitable for operation during 30G Vibration.
h) SME ROV8-4, 5HP, 4 Pole, 240/3/60, Aluminium Construction Subsea Motor to Close couple to your Hydraulic Pump.
k) Water Filled Submersible motor for operation in a shaft containing potable water. Motor to be suitable for 220 kW at 1485 rpm on 400 volt, 3 Ph 50 Hz supply. Maximum Water temperature 15 deg C. SME 14-INCH, 300HP 220Kw, 4- Pole, 400/3/50 SS316 Construction Submersible Motor. Flange and Shaft requirements as per the clients specification.
l) SME ROV14-2, 90kw, 2 Pole, 3000/3/60 SS316 Construction Submersible Oil Filled Motor coupled to Hydroflo Pump Model 9HH-2 stage Water Pump to Provide 5000 L/m at 7 Bar. Pump Discharge size advised by the Client.
m) SME ROV16-2, 400kW, 2-Pole, 3300/3/60, SS316 Construction Subsea Motor with integral Thrust Bearing and Interface to suit operation with Water Pump (vertical operation).
n) 15kw submersible motor, submerged up to 10m (to drive a hydraulic pump). 400vac, 3 phase, 50Hz. Speed 1465rpm. Motor to be placed in a hydraulic reservoir, or clean water pod (client to select). Motor to be oil free. Stainless steel construction. SME ROV10-4, 15kw, 4 Pole, 400/3/50, SS316 Construction Subsea Motor (Air Filled).
o) Three 200Kw motors, 4000v, 60hz, 1800RPM, Anodised aluminium construction, to be fitted to a new underwater excavator. To be mounted with hydraulic pumps. ROV14, 200kW, 4-Pole, 1800rpm, 4000/3/60, Anodised Aluminium Construction Subsea Motor to Drive Hydraulic Pump. Interface to suit Hydraulic Pump. Flange and Shaft as required by client. p) Replacement 20HP, 880v, 60Hz, 3 phase, submersible motor for a hydraulic power pack. Foot mountings are adjustable. SME.ROV6-20 submersible motor.
q) Three submersible motors for 200m water depth, rated for VSD. To operate pumps that will rotate between 300 and 600 rpm. The gearbox having a reduction of 3.5. Motor speed has to be within +/- 1000 and 2000 rpm.
r) ROV14, 75HP / 55kW, 4 Pole, 1800rpm, 3000/3/60, Aluminium Construction Subsea Motor. Epoxy coated for protection or SS316.
s) ROV14, 100HP / 75kW, 4 Pole, 1800rpm, 3000/3/60, Aluminium Construction Subsea Motor. Epoxy coated for protection.
t) Two Parker F11-150 hydromotors mounted on gearbox. Max rotations per motor: 2467 rpm. Max. torque per motor: 484 Nm. Most used case: Max rotations per motor: 1337 rpm. Max torque per motor: 131 Nm. We suggest our ROV144-130kW (175Hp), 4P, 3300V, 82Hz, 2500 RPM, motor. At the slower speeds the performance will match the requirements of roughly: 25kW, 1811 Volts, 45Hz, for the 130kW motor. It is understood that these motors will be running on a VVVF Drive, and that the Drive Output Voltage will be roughly proportional to the Hz. Motors are externally compensated so depth can be as much as 3000m. u) Three Parker F11-250 hydromotors mounted on a gearbox Max rotations per motor: 2230 rpm. Max. torque per motor: 864 Nm. Most used case: Max rotations per motor: 1141 rpm. Max torque per motor: 278 Nm. We suggest our ROV164-210kW (280Hp), 4P, 3300V, 74Hz, 2250 RPM motor. At the slower speeds the performance will match the requirements of roughly: 40kW, 1688 Volts, 38Hz, for the 210kW motor. It is understood that these motors will be running on a VVVF Drive and that the Drive Output Voltage will be roughly proportional to the Hz.
v) A submersible motor for use on a ROV with a depth rating of maximum 50 meters in seawater. Double shaft motor 56 kW, 3000V, 3-phase 60Hz, 1800 rpm. On each side of the motor a pump unit will be fitted. SME ROV12-4, 56kW, 75HP, 4-Pole, 3000/3/60, Aluminium Construction Subsea Motor to direct couple Hydraulic Pumps to both ends. This will be a motor with Female Shaft, and close couple the pump to the motors using a face seal against the pump.
x) A 3300vac, 100HP, submersible motor, 3phase, 60hz. 1750RPM. To be used to drive a hydraulic pump. Standard shaft size and flange for a 40gpm pump. ROV14-4, 100HP, 4-Pole, 3300/3/60, Aluminium Construction, Subsea Motor to drive Hydraulic Pump. Flange and Female Shaft to suit your Pump. Can be offered in SS316 Construction if required, instead of Aluminium.
y) Submersible motors to match with Rexroth hydraulic pumps. 30Kw, 4P, 380V / 50HZ submersible motor to match with 4VSO40DR/32R-PPA Rexroth pump. Oil temperature at 0-80 degrees. Horizontal mounting, with hollow shaft. The motors to be contained in a Hydraulic oil bath. 45kw submersible motor to match with A4VSO71DR/32R-PPA Rexroth pump. 75kw submersible motor to match with A4VSO180DR/32R-PPA Rexroth pump. SME ROV10-4, 30kW, 4 Pole, 380/3/50, SS316 Construction Submersible Motor to direct Couple to A4VS040 Hydraulic Pump. SME ROV10-4, 45kW, 4 Pole, 380/3/50, SS316 Construction Submersible Motor to direct Couple to A4VS071 Hydraulic Pump. SME ROV14-4, 75kW 4 Pole 380/3/50 SS316 Construction Submersible Motor to direct Couple to A4VS0180 Hydraulic Pump.
z) An electric submersible motor to power a submersible ROV TMS. Power 17.5kw, Speed 1800rpm, and Voltage 3000v at 60hz. To be mated with a hydraulic pump ( Parker PV016 R1K1T1N MMC piston pump). SME ROV10-4, 17.5kW, 4 Pole, 1800rpm, 3000/3/60, Aluminium Construction Subsea Motor to drive Parker Hydraulic Pump. SS316 motor construction also available.
a1) The rewire and service of two 150hp, 1750rpm, 3000/3/60, Curvetech motors. We are able to offer a Full Factory Rewind and service of Curvetech 150hp motors. Our standard refurbishment programme includes the following:
Any further work deemed necessary as a result of the factory inspection will be quoted separately, and a decision given by the customer as to the course of action required on an item-to-item basis.
Submersible motors to match with Rexroth hydraulic pumps. 30Kw, 4P, 380V / 50HZ submersible motor to match with 4VSO40DR/32R-PPA Rexroth pump. Oil temperature at 0-80 degrees. Horizontal mounting, with hollow shaft. The motor to be contained in a Hydraulic oil bath. We are pleased to offer a highly modified Cast Iron Motor (30kw, 4-pole, 380/3/50, suitable for running immersed in an oil bath, with a special Flange and Female Shaft to accept the Rexroth hydraulic Pump.
Subsea motor 300kW, 3.3kV, Double Ended Drive for Hydraulic Power. SME ROV18-4, 300kw, 4 Pole, 3300/3/60, SS316 Construction Subsea Motor.
A submersible electric motor to drive a dredging pump, in a water depth of 20m. SME ROV18-4 ,400kW 530HP, 4 Pole, 400/3/50, SS316 Construction, Subsea Motor with 20m of Cable terminated in Bulkhead on the motor. Motor with RTD's and Water Detector.
ROV Motors.
4) HPU for your underwater subsea project. SME ROV14-4, 185kW 200HP, 4 Pole, 3000/3/60, Aluminium Construction Subsea Motor coupled with Rexroth A11VL0190 Hydraulic Pump to deliver 285 LPM at 310 Bar. 5) High voltage motor-pump sets that will power-up the hydraulic power unit on an ROV. The requirements being 3000VAC 50Hz, 15kW, 1500rpm (motor), 20 Lpm (hydraulic fluid flow rate), 21 Mpa (pump outlet pressure). Two units for 1000msw and one unit for 1500msw. SME ROV10-4, 15kW 20HP, 4 Pole, 3000/3/50, Aluminium Construction Subsea Motor, Coupled to Rexroth A10VSO18DFR Hydraulic Pump to give 20L/m at 21 Mpa. Epoxy coated for protection.
Submersible motor for operations at 6000m. SME 145kw 8 Pole 1500rpm 6600/3/50 Submersible Motor. SME 400kw 4 Pole 1500rpm 6600/3/50 Submersible Motor.
We can offer our SME ROV22-12, 150kW, 12-Pole, 500rpm, 3300/3/50, SS316 Construction Subsea Motor. This motor will be manufactured to your exact requirements, and to interface with your submersible pump. SME ROV14-2, 186kW 250HP, 2-Pole, 3300/3/50, SS316 Construction Subsea Motor, with Flange and shaft to interface with Water Pump.
SME 400kw 4-Pole 1500rpm 3300/3/50 Submersible Motor.
SME 400kw 4 Pole 1500rpm 6600/3/50 Submersible Motor.
SME 145kw 8 Pole 1500rpm 3300/3/50 Submersible Motor.
SME 145kw 8 Pole 1500rpm 6600/3/50 Submersible Motor. SME ROV18-4, 300kW, 4 Pole, 1800rpm, 3000/3/60, SS316 Construction Subsea Motor to drive Hydraulic Pump.
SME ROV10-4, 40kW, 4 Pole, 1800rpm, 3000/3/60, SS316 Construction Subsea Motor to drive Hydraulic Pump. SME 10-inch, 37kW 50HP, 2 Pole, 380/3/50, Ni Al Br Construction Submersible Motor, with Modified Shaft and Flange to replace a Hayward Tyler MS 201-50 Motor and pump. SME 10-inch, 37kW 50HP, 2 Pole, 380/3/50, Super Duplex Construction Submersible Motor with Modified Shaft and Flange to replace a Hayward Tyler MS 201-50 Motor and pump. SME ROV14, 250kW, 4 Pole, 3000/3/50, SS316 Construction Subsea Motor fitted with A4VG250EP4D1/32R-NSD10F001DP Hydraulic Pump. SME ROV14, 250kW, 2 Pole, 3000/3/50, SS316 Construction Subsea Motor to Drive Water Pump. SME ROV14-4, 60kW, 4 Pole, 3000/3/50, SS316 Construction Subsea Motor fitted with A4VG40EP4D1/32R-NSC02F013DP and A10VO28DFR/31R-PSC62K01 Hydraulic Pumps at either end. SME ROV14-4, 150kW 200HP, 690/3/60, Anodised Aluminium Construction Subsea Electric Motor. Fitted with a Rexroth A11VLO260LRDS/11R-NTD12N00 (CW ROTATION) PUMP-PISTON-VARIABLE at one end, and a Rexroth AZPW-2x-019-022LRRXXMB-SO593P (CCW ROTATION) PUMP-SINGLE-GEAR-SAE`A` 19cc, at the other end. Motor will have Oily tube for Power, and Subsea Connector for Temperature and Water Ingress Sensors. Motor available in SS316 stainless steel if preferred.
Motor Rewinds and Refurbishment. Our standard motor refurbishment and rewind programme includes the following:
SILVERCREST / SME manufacture Submersible, ROV, Subsea electric motors to your exact technical specification. We also offer complete submersible electric motor rewinds, rebuilding, electrical conversion, and construction modification.
SILVERCREST / SME can repair, rewind, and completely rebuild the following listed motors. Alstra, Aturia, Bamsa, B. J., Elmaksan, Exodyne/EEMI, G.E., Hayward Tyler, Hitachi, Mercury, Oddesse, Pleuger, Saer, S.M.E., Subteck, Sumo, Sun Star, U.S.
6.6Kv Motors Available.
SILVERCREST / SME Email: sales@SilvercrestSubmarines.com
Silvercrest/ Submersible Motor Engineering 6600vac Subsea Motors.
SME 145kw 8 Pole 1500rpm 6600/3/50 Submersible Motor. SME 400kw 4 Pole 1500rpm 6600/3/50 Submersible Motor. SME ROV22-4 300kW 4 Pole SS316 Construction 6600/3/60 Subsea Motor to drive Hydraulic Pump. SME 36inch, 2200kW, 6 Pole, 6600/3/60Hz submersible motors
SME 36 inch, 1800kW, 4 Pole, 6600/3/60Hz Submersible Motor
SME 36 inch, 1000kW, 8 Pole, 6600/3/60Hz, Submersible Motor
SME 300Kw, 6600vac, 4-pole Subsea Motor.
SME 400Kw, 6600vac, 4-Pole HPU Subsea Motor.
We have manufactured many 6.6kV motors, mainly Submersible Pump Motors for various Mining, and Offshore applications. Usually we supply to Pump Manufacturers who fit these motors to their pumps.
We can offer the following high voltage motors, subject to agreed technical drawings: SME 36-inch, 550kW -540HP, 4 Pole, 10000/3/50, Super Duplex Construction Submersible Motor.
SME ROV22-4 300kW 4 Pole SS316 Construction 4500/3/60 Subsea Motor to drive Hydraulic Pump.
The method of construction changes at 4100V from Random Wound to Formed Coils so there is a jump from 4100V to the 4500V motor. The 4500V motor is constructed very similarly to the 6600V Motor. Silvercrest will bespoke manufacture virtually any shape and size of submersible motor and submersible pump required for subsea operations. We can offer a wide range of HPU and motor-pump sets complete, subject to any modifications, and changes you may require. For example:
SME ROV12-2 48kW 65HP 2-pole 3000/3/50 Aluminium Construction ROV Motor fitted with Rexroth A10VO28DFR1/31R-PSC62N00 Hydraulic Pump. Motor to have Oily Tube connection for Power Leads. Fitted with Temperature Sensing and Water Detectors terminated on Subconn or similar connector. Epoxy coated for protection. SME ROV14, 200kW, 268HP, 4 Pole, 3000/3/50, 1490rpm Stainless Steel Construction Subsea Motor designed to close couple to Rexroth A11VLO190DRS-11-LN-12N00 Hydraulic Pump. SME ROV10-4, 50HP, 4-Pole, 1000-3000/3/50 Anodised Aluminium Construction Subsea Motor. Fitted with Rexroth A10VO45DFR1/3xR-PSC62N00 Hydraulic Pump to provide 66L/m at 200 Bar. Motor fitted with Oily Tube connection for Power and Earth. Temperature and Water Detectors terminated in Subconn Connector. Hydraulic pump close coupled to Motor. SME ROV14-2 motor, 265kw 2-pole 3000/3/60 with Stainless Steel Construction. Fitted with a PTS Sterling 350D-1 ZFB Pump (wet end only). Operating at 2- pole, 60 hertz. Thrust developed at duty: 1820kg. Thrust at Shut-off: 3016kg. Approx. length of pump: 750mm. Bowl diameter: 340mm. SME ROV14-2 300kw 2 pole 3000/3/60 Oil filled Stainless Steel Motor with In built Circulation System and Heat Exchanger coupled to a Sterling 300M-3 Zinc Free Bronze Pump with a duty of 828cu.m/hr at 9 Bar. ROV20-4 type motors, 4 pole/6600vac/3 phase/60hz, with stainless steel construction. Double Ended for fitment with Sauer hydraulic pumps Series-90, with Subsea Connectors for Power and Sensors. We can offer the ROV20 motor with shafts at both ends, to mate with the Sauer Series 90 pumps . SME ROV24-6, 400kW, 6-Pole, 4100/3/30-64, SS316 Construction Motor. Double Ended to have Water Pump at one end, and the Hydraulic Pump at the other end. SME ROV228, 325kW, 8-pole, 3300/3/60, SS316 construction, Subsea Motor to drive Water Pump. SME 36-inch 2200kW 6-Pole 6600/3/60Hz Super Duplex construction. Submersible Motor manufactured for a shaft down application. Motor fitted with 4 x PT100 (3 internally in the windings, 1 on the thrust bearing ). Suitable for connection to CD pump. SME 36-inch, 550kW -540HP, 4 Pole, 10000/3/50, Submersible Motor, Super Duplex Construction.
SPECIFICATIONS FOR SME SUBSEA ELECTRIC MOTORS.
SILVERCREST / SME MOTORS FOR OUR SUBSEA CLIENTS.
ROV submersible motors. We are pleased to be able to offer a replacement motor to meet your specific requirements. Volts 3000VAC Poles 2 Speed 3450 RPM Full Load Torque 769Nm Start Torque 1187Nm Depth Rating 3000 Mts Compensation Oil filled - external compensator (not included) Housing 316 Stainless Steel Mounting Vertical Shaft Spec to be advised KW 290kW @60 Hz HP 390HP @ 60Hz Weight 404kG max Length 1000mm max
EXAMPLES OF OTHER SUBMERSIBLE AND SUBSEA MOTORS WE HAVE MANUFACTURED.
SME 36-inch, 550kW -540HP, 4 Pole, 10000/3/50, Super Duplex Construction Submersible Motor.
SME 36inch, 2200kW, 6 Pole, 6600/3/60Hz submersible motors
SME 36 inch, 1800kW, 4 Pole, 6600/3/60Hz Submersible Motor
SME 36 inch, 1000kW, 8 Pole, 6600/3/60Hz, Submersible Motor
55HP hydraulic power pack motors.
ROV 14-55HP, 3000V, 60Hz, 4 Pole Motor (with pump attached).
Final dimensions and shaft arrangement to be confirmed by customer, foot mountings are adjustable and can be manufactured to suit customer requirement. Volts 3300VAC / 60hz / Three Phase Poles 4 Speed 1750 RPM Depth Rating 3000 Meters nominal Compensation Oil filled - external compensator Housing 316 SS or Hard Anodized Aluminium. Mounting Horizontal Shaft TBC KW 41kW @ 60 Hz Insulation Rating >16kV @ 140 deg C (Mylar) Shaft Seals Bergman mechanical seals.
300 kW PUMP MOTORS. We can offer you submersible motors with the following specification: - Volts 3300VAC / 60hz / Three Phase Poles 2 Speed 3500 RPM Depth Rating 3000 Mts nominal Compensation Oil filled - external cooler/compensator included Housing 316 SS Mounting Vertical (As per details to be supplied) Shaft See above (As per details to be supplied) KW 300kW @ 60 Hz Insulation Rating >16kV @ 140 deg C (Mylar) Shaft Seals Bergman mechanical seals.
Single pump motor to replace a Hayward Tyler Sumo 260kW motor. We can offer the ROV14 motor with shafts at both ends; to mate with 3 x tandem mounted hydraulic pumps on one end, and a 2-stage Plueger MI16 water pumpset on the opposite end. The female spline can be manufactured to mate with the supplied pumpset. Our purpose built pump motors are designed specifically for use in the horizontal axis. Unlike a down hole pump motor such as the HT Sumo, our motors do not use pivot shoe thrust assemblies. As a result our motors are compensated for depth pressure using oil rather than distilled water as in the case of down hole pump motors. Unlike most motor manufacturers, we manufacture our own core laminations on site, affording maximum flexibility in design. We can bespoke manufacture virtually any shape of motor you may require. In this 260kW model, rather than use the pivot shoe arrangement, we fit heavy-duty tapered roller bearings to the rotor to manage the water pump induced end loads. Thus increasing the reliability and service life of the motor by a factor of 10 or more when used in the horizontal axis. Our superior Mylar coated windings are the ultimate in winding coating technology. Mylar coated windings have an insulation rating of >16kV at a temperature of 140 degs C. No other winding coating even comes close to this standard. We can offer you submersible motors with the following specification:-
Volts 3000VAC / 60hz / Three Phase Poles 2 Speed 3500 RPM Depth Rating 3000 Mts nominal Compensation Oil filled - external compensator (not included) Housing 316 SS Mounting Horizontal (Details to be confirmed) Shaft See above (Details to be confirmed) KW 260kW @ 60 Hz Insulation Rating >16kV @ 140 deg C Shaft Seals Bergman mechanical seals. (Tandem seals available) The final specification will need to be agreed upon placement of an order. Insulation rating using Mylar windings.
ROV 14 260kW Pump Motor under construction.
250kw/ 3300V / 50Hz / 4 Pole motors for Hydraulic Power Packs. New submersible motors, for your hydraulic power pack project The requirement being for 250kw, double ended drive, 3300V / 50Hz, 4 pole, motors with subsea connector to be defined.
ROV20-4 motors, 250kw/4 pole/3300vac/3 phase/50hz, with stainless steel construction. Double Ended for fitment with hydraulic pumps, with Subsea Connectors for Power and Sensors. In addition we can supply if requested cooler/heat exchangers (at additional cost), for each of the motors purchased. Our purpose built pump motors are designed specifically for use in the horizontal axis. Unlike a down-hole pump motor such as the HT Sumo, our motors do not use pivot shoe thrust assemblies. As a result our motors are compensated for depth pressure using oil rather than distilled water as in the case of down-hole pump motors. Our superior Mylar coated windings are the ultimate winding coating technology. Mylar coated windings have an insulation rating of >16kV at a temperature of 140 degrees C. No other winding coating even comes close to this standard.
SME ROV20-4 submersible motor. Volts 3300Vac / 50hz / Three Phase / 4 Pole. Speed 1470 RPM @ 50 Hz Depth Rating 3000m nominal Housing 316 SS Mounting Horizontal Shaft See above KW 250kw @ 50 Hz Insulation Rating >16kv @ 140 deg C Shaft Seals Bergman mechanical seals. (Tandem seals available) Instrumentation Motor fitted 1 x RTD water detector, and temperature probe. Connectors Power and Sensors (To be agreed). Eff 92.4% Power Factor .85 Weight 565kg SME ROV10-2, 75HP, 2-Pole, 3000/3/60, SS316 construction. Subsea Motor fitted with SMP 9WH-4 Stage NAB Construction Pump to provide 4000L/M at 5Bar or 1060GPM at 170ft Head. Motor is oil filled and externally compensated with oil. Tube connection for Power and Subconn or equivalent connector for Water Detector and Temperature Monitoring. Subsea Motor fitted with Jetech 15055-UW-H Subsea Quintuplex High Pressure Pump to provide 50L/M at 850Bar. Motor is oil filled and externally compensated with oil. Tube connection for Power and Subconn or equivalent connector for Water Detector and Temperature Monitoring. This unit is operating at the lower end of its range and can have an increased output if necessary. SME ROV22-12, 120HP, 12-Pole, 3000/3/60, SS316 construction. Subsea Motor fitted with Jetech 100J3-UW-H Subsea Triplex High Pressure Pump to provide 46L/M at 850Bar. Motor is oil filled and externally compensated with oil. Tube connection for Power and Subconn or equivalent connector for Water Detector and Temperature Monitoring. SME 400kw 4-Pole 1500rpm 3300/3/50 Submersible Motor. SME 400kw 4-Pole 1500rpm 6600/3/50 Submersible Motor. SME 145kw 8-Pole 1500rpm 3300/3/50 Submersible Motor. SME 145kw 8-Pole 1500rpm 6600/3/50 Submersible Motor.
SME ROV102, 40kw, 2-pole, 380/3/50(or 60hz), 40Kw submersible electric motor, oil filled, with SS316 Construction. Speed 3000 rev/min. Starting Direct. Service continuous. Electric connection Seacon (connector fixed + flying to be moulded to umbilical). Installation Horizontal.
SME ROV14-2 200HP 150kW 2-pole 3000/3/60. Anodised Aluminium Construction Motor to suit operation with Water Jetting Pump. The exact Flange and Shaft requirements to be advised by the client. SME ROV14-4 200HP 4-Pole 3000/3/60 SS316 Construction Subsea Motor to fit Close Coupled Hydraulic Pump. Rexroth Hydraulic Pump A11VLO260DRS-11RNSD21-N00 with Variable Displace and Max flow of 260L/M at 180 Bar.
SME ROV14, 200kW, 268HP, 4-Pole, 3000/3/50, 1490rpm Stainless Steel Construction Subsea Motor. Designed to close couple to Rexroth A11VLO190DRS-11-LN-12N00 Hydraulic Pump. The motor will cool itself in the ambient seawater. Sensors and electrical connector.
SME 50 HP/ 3300V / 60Hz / 4 Pole HPU Motor. ROV and trencher HPU motors.
RO144-150HP / 4 Pole / 3300VAC / 60Hz).
The motor in the photograph is a 150HP ROV HPU motor as delivered to Fugro Ltd for use on the FCV ROV. With modifications to the pump mount and shaft and foot mounts arrangements, to suit the Linde HPR160 hydraulic pump unit. This motor is available in either hard anodized marine grade Aluminium or in SS316 stainless steel construction.
150 HP HPU MOTOR.
Volts 3300VAC / 60hz / Three Phase Poles 4 Speed 1750 RPM Depth Rating 3000 Mts nominal Housing Hard Anodized Aluminium (SS316 optional) Length 671 mm Diameter 350 mm Height 390 mm Mounting Horizontal Shaft TBA HP 150 HP @ 60 Hz Insulation Rating >16kV @ 140 deg Shaft Seals Bergman mechanical seals. Cable Entry TBC Sensors Water ingress x 2 / Temperature x 2 – TBC
400kW/ 3300V / 60Hz / 4 Pole motors for Hydraulic Pumps. These motors being used to power Sauer Series-90-L250 hydraulic pumps. The requirement being for 400kw, single ended drive, 3300V / 60Hz, 4-pole, with subsea connector to be defined. The motors being required for an underwater vehicle.
ROV20-4 motors, 400kw/4 pole/3300vac/3 phase/60hz, with stainless steel construction. Single ended for fitment with Sauer hydraulic pumps Series-90-L250, with subsea connectors for power and sensors. Our purpose built submersible pump motors are designed specifically for use in the horizontal axis. SME motors are compensated for depth pressure using oil rather than distilled water as in the case of down-hole pump motors. Our superior Mylar coated windings are the ultimate in winding coating technology. Mylar coated windings have an insulation rating of >16kV at a temperature of 140 degrees C.
SME ROV20-4 submersible motor specification Volts 3300Vac / 60hz / Three Phase / 4 Pole. Speed 1750 RPM Depth Rating 3000m nominal Housing 316 SS Mounting Horizontal Shaft Splined shaft as below KW 400kw @ 60 Hz Insulation Rating >16kv @ 140 deg C Water detector As per drawing Connectors Power Oily tube connection. Sensors Shaft-spline Pitch diameter = 41.275 [1.625] Pressure angle = 30¢ª Number of teeth = 13 Pitch = 8/16 ANSI B92.1-1970, class 5, fillet root side fit Spline length 42.5mm
Thruster Motors. SME ROV8-4, 5.5kW, 4 Pole, 400/3/50, SS316 construction Subsea Motor for Thruster application (reversing Propeller mounted directly on shaft). This motor was designed as a thruster motor and has an in-built thrust bearing arrangement to handle thrust in both directions. The drawing is for a 2-pole motor but the 4-pole version would be a similar size. The motor mounting arrangements and shaft requirements can be modified to suit different customer applications.
Full Factory Rewind and service of 260kw motors. Our standard refurbishment programme includes the following:
Any further work deemed necessary as a result of the factory inspection will be quoted separately, and a decision given by the customer as to the course of action required on an item-to-item basis.
132Kw/ 1100v/2 pole/50hz/Foot Mount Motor. A replacement 132kw Brook motor for use in a salt mine. We are pleased to be able to offer you our direct replacement SME 132kW/2P/1100V/50Hz/RC315S/M Foot Mount Motor. This unit will be very similar to the Brooke mine motor (Type: W-DF315SN. Serial number: B033586), and have the same voltage and feet spacing as the Brook motor. Volts 1100VAC / 50hz / Three Phase Poles 2 Speed 2975 RPM Amps: 81A Shaft TBC Please note this is a standard air-cooled motor with the terminal box on top. It has no mining approvals or flameproof approvals. The Brook motor is fitted in a 315S-frame (508 and 406mm foot dimensions). The SME motor will be fitted in a frame with the same foot dimensions.
SME ROV104-65HP-3000V- 50HZ submersible motor. Deepwater subsea motors for your 4500m ROV system. The motors to be used in the HPU (Hydraulic Power Units) of a 0hp ROV at a depth of 4500m without a TMS. The pumps for the HPU, will be Rexroth axial piston pumps, type AA10VSO71DRG/31R-PPA12N00. These are pilot controlled constant pressure pumps, with a displacement of 71cc/r, maximum output pressure 240bar, and shaft speed 1500rpm.
Our SME ROV104-65HP-3000V-50HZ Submersible Motor. Construction in aluminium alloy. This motor will be manufactured to your exact requirements. Sensors: We have quoted a Subsea Connector to allow Pin Outs for 1 x RTD for Temperature, and 1 x Water Detector. Power: We have quoted to supply 3m length of Oily Tube with Bulkhead Connectors to be mounted on the Main Junction Box. The final specification and manufacturing drawings to be agreed.
6600V / 60Hz / 4 Pole motors / double end drive for Hydraulic Power Pack. New submersible motors. These motors being used to power Sauer Danfoss Series-90-250 hydraulic pumps. The requirement being for either 400kw or 500kw motors, double ended drive, 6600V, 60Hz, 4-pole, with subsea connector to be defined. Our ROV20-4 type motors, 4-pole/6600vac/3 phase/60hz, with stainless steel construction. Double Ended for fitment with Sauer hydraulic pumps Series-90, with Subsea Connectors for Power and Sensors. We can offer the ROV20 motor with shafts at both ends, to mate with the Sauer Series 90 pumps that you intend using.
400kW/ 3300V / 60Hz / 4 Pole motors for Hydraulic Pumps. New submersible motors. These motors being used to power Sauer Series-90-L250 hydraulic pumps. The requirement being for 400kw, single ended drive, 3300V / 60Hz, 4-pole, with subsea connector to be defined. The motors being required for an underwater vehicle. Our ROV20-4 motors, 400kw/4 pole/3300vac/3 phase/60hz, with stainless steel construction. Single ended for fitment with Sauer hydraulic pumps Series-90-L250, with subsea connectors for power and sensors. Our purpose built submersible pump motors are designed specifically for use in the horizontal axis. SME motors are compensated for depth pressure using oil rather than distilled water as in the case of down-hole pump motors. Our superior Mylar coated windings are the ultimate in winding coating technology. Mylar coated windings have an insulation rating of >16kV at a temperature of 140 degrees C.
SME ROV20-4 submersible motor specification Volts 3300Vac / 60hz / Three Phase / 4 Pole. Speed 1750 RPM Depth Rating 3000m nominal Housing 316 SS Mounting Horizontal Shaft Splined shaft as below KW 400kw @ 60 Hz Insulation Rating >16kv @ 140 deg C Water detector As per drawing attached. Connectors Power Oily tube connection. Sensors. Interface Single ended to suit a Sauer series 90 L250 Hydraulic pump, splined shaft option F1. Shaft-spline Pitch diameter = 41.275 [1.625] Pressure angle = 30¢ª Number of teeth = 13 Pitch = 8/16 ANSI B92.1-1970, class 5, fillet root side fit Spline length 42.5mm
300kW/ 3300V / 60Hz / 4 Pole motors for Hydraulic Power Pack. New submersible motors (with option for one additional motor to fulfil your spares commitment). These motors being used to power Sauer Series-90 hydraulic pumps. The requirement being for 300kW, double ended drive, 3300V / 60Hz, 4 pole, with subsea connector to be defined.
ROV20-4 motors, 300kw/4 pole/3300vac/3 phase/60hz, with stainless steel construction. Double Ended for fitment with Sauer hydraulic pumps Series-90, with Subsea Connectors for Power and Sensors. We can offer the ROV20 motor (as per the attached drawing) with shafts at both ends, to mate with the Sauer Series 90 pumps that you intend using. Our purpose built pump motors are designed specifically for use in the horizontal axis. Unlike a down-hole pump motor such as the HT Sumo, our motors do not use pivot shoe thrust assemblies. As a result our motors are compensated for depth pressure using oil rather than distilled water as in the case of down-hole pump motors. Our superior Mylar coated windings are the ultimate in winding coating technology. Mylar coated windings have an insulation rating of >16kV at a temperature of 140 degrees C. No other winding coating even comes close to this standard.
100 HP ROV Submersible Motor. Silvercrest-SME has placed a 100Hp submersible Rov motor (as illustrated below) on standby. For emergency availability to all Rov operators. The motor has the following specification and is a direct drop in replacement for the Curvetech 100HP unit. The motor is presently set up to receive a Rexroth A10VSO140 pump, but can be modified to accept other pump models if required. The motor is brand new, direct from our factory and has been constructed specifically for this purpose.
ROV124-100HP, 4-pole, 3000v, 60Hz. Mil Spec hard-anodised T6 hardened 6061 grade Aluminium construction, with all 316 hardware. Rotor dynamically balanced. Oil filled externally compensated. Fully performance tested on Dynamometer at rated voltage and frequency, subsea connectors for power and instrumentation. Designed for maximum electrical efficiencies to reduce full load currents. Motor designed for low operating temperatures to extend reliable lifespan. Specialised winding insulation system to ensure long operating life even under the most arduous of duties. On Deck operation generally allowable. Power 100 HP Volts 3000V Frequency 60 Hz Poles 4 RPM 1770 RPM Shaft Woodruff keyed (see attached drawing for detail) Construction Hard Anodized Aluminium 6061-T6 Compensation Oil filled – external-not supplied Power Connector Burton 5757-1236-002
SUBMERSIBLE MOTORS and PUMPS. Silvercrest / Submersible Motor Engineering offer a wide range of electric submersible, subsea and ROV motors, together with hydraulic pumps and water pumps for subsea operations. We can supply ROV- HPU submersible motors from 5W to 400kW. Trenching HPU submersible motors from 100kW to 500kW, trenching jetting- pumps, plough HPU submersible motors, plough jetting-pump sets, turbine and centrifugal water pumps, hydraulic pumps, Rexroth pumps A7 and A10 series, and Sauer 90 series. SME ROV14, 150Kw, 4 Pole, 3000/3/50, 1490rpm Stainless Steel Construction Subsea Motor designed to close couple to Rexroth A11VLO190DRS-11-LN-12N00 Hydraulic Pump. The motor will cool itself in the ambient seawater. Sensors and electrical connector are included in the motor price.
SME ROV14-2, 150kw, 2-Pole, 3000/3/60, SS316 Construction Subsea Motor fitted with 250GM-4C-177-3550 Nickel Aluminium Bronze Pump to produce 210m3/Hr (two pumps 420m3/h). Absorbed Power 130kW with 151kW Non Overloading. The final technical specification and manufacturing drawings to be agreed upon placement of the order by the client. SME ROV24-6, 400kW, 6-Pole, 4100/3/30-64, SS316 Construction Motor. Double Ended to have Water Pump at one end, and the Hydraulic Pump at the other end.
SME ROV16-2, 400kW, 2-Pole, 3300/3/60, SS316 Construction Subsea Motor with integral Thrust Bearing and Interface to suit operation with your Water Pump (vertical operation). The final specification and manufacturing drawings to be agreed upon placement of the order. The motor will be manufactured to your exact requirements as indicated in your specification, and the SME drawings. SME ROV12-2 48kW 65HP 2-pole 3000/3/50 Aluminium Construction ROV Motor fitted with Rexroth A10VO28DFR1/31R-PSC62N00 Hydraulic Pump. Motor to have Oily Tube connection for Power Leads. Fitted with Temperature Sensing and Water Detectors terminated on Subconn or similar connector. Power Conductor and Sensor Connector Blocks to be in the same position on the motor at opposite ends (or as required).
SME ROV228, 325kW, 8-pole, 3300/3/60, SS316 construction, Subsea Motor to drive Water Pump. Motor to include Water Detector and Temperature Detector terminated at Subconn Connector. Power terminated through Oily Tube Connection. Motor to have standard deep groove bearings absorbing no thrust. Motor for horizontal use. Motor designed for continuous operation and will provide at least two minutes of unloaded operation on deck. Epoxy coated for protection.
Submersible motor for operations at 6000m water depth. We are pleased to offer our SME ROV22-12, 150kW, 12-Pole, 500rpm, 3300/3/50, SS316 Construction Subsea Motor. This motor will be manufactured to your exact requirements, and to interface with your submersible pump. SME ROV14-2, 186kW 250HP, 2-Pole, 3300/3/50, SS316 Construction Subsea Motor, with Flange and shaft to interface with Water Pump. Submersible Motor. Power 15 kW, Speed 2910 1/min, voltage 3.3kV, working depth 300m. SME ROV10-2, 15kW 20HP, 2-Pole, 3300/3/50, SS316 Construction Subsea Motor, with Flange and shaft to interface with Water Pump.
We can offer motors at both 3300v and 6600v. However in order to offer a detailed quotation, we will need additional information from you concerning the motor application, materials of motor construction that you require (SS316 is suggested), Pump Thrusts, Pump Interface, etc. Please email us as much information as possible, and perhaps a pump drawing or technical data sheet. We will then revert back to you.
A submersible 280/300kW Electric motor, 3000VAC @60Hz, for subsea application (500uwm), 1800rpm (for Hydraulic pump coupling). We can offer our SME ROV18-4, 300kW, 4 Pole, 1800rpm, 3000/3/60, SS316 Construction Subsea Motor to drive Hydraulic Pump.
A 250kw, 4-pole, 3300/3/50 motor, SS316 Construction. Motor to interface with a A4VG250 Hydraulic Pump. We can offer you motors to meet your specific requirements. SME ROV14-4, 250kw /335Hp, 4-Pole, SS316 Construction, 3300/3/50 Subsea Motor. To Interface with your A4VG250 Hydraulic Pumps.
SME ROV18-4, 400kw, 4 –Pole, 3300/3/60, SS316 Construction, Subsea Motor. To suit Sauer Danfos 90L 250 ump. The final specification and manufacturing drawings to be agreed upon placement of the order.
A 7.5kw motor to replace an obsolete 7.5kW / 2000V / 4 pole / 60Hz Motor based on a Ziehl-Abegg winding set. We can offer you our SME ROV10-4, 7.5kW, 4 pole, 2000/3/60, Aluminium Construction Subsea with Burton Connector. Motor flange and shaft would be to suit pump type, and motor can be oily tube or connector. The final specification and manufacturing drawings to be agreed.
Subsea Digger (pictured above) fitted with SME ROV14-4 75Kw/100HP, 4-pole, 3000/3/60, anodised aluminium subsea motors. Double-ended motors with Interface to suit Sauer and Kawasaki Hydraulic Pumps.
SUBSEA/ROV MOTORS.
Silvercrest / Submersible Motor Engineering build and repair ROV submersible motors for all subsea applications. We design, manufacture, and supply, submersible electric motors for all SUBSEA and ROV, SUBSEA equipment, also for any special purpose submersible electric motor requirements. Silvercrest / Submersible Motor Engineering offer SUBSEA electric generators for Tidal Power Generation. We repair and rewind large high voltage (500kW, 6600V) submersible electric motors. Induction Generators or slow speed Permanent Magnet Synchronous Generators unto 500kW.
SUBMERSIBLE MOTORS and PUMPS.
We have our own submersible motors that are drop-in replacements for most of the popular models in use today. We can supply ROV HPU submersible motors from 30kW to 250kW, trenching HPU submersible motors from 100kW to 500kW, trenching jetting pumps, plough HPU submersible motors, plough jetting pump sets, turbine and centrifugal water pumps, and hydraulic pumps (Rexroth A7 and A10 series, Sauer 90 series and Kawasaki KV3 series). Silvercrest / Submersible Motor Engineering design and build specialized Submersible ROV motors for use SUBSEA in the offshore industry. These motors are usually made to order and vary from 1kW to 600kW, from 400 to 6600 Volts, 50 or 60 Hz, 2 Pole, 4 Pole, 6 Pole and 8 Pole. We can repair, rewind, rebuild, and redesign any ROV submersible electric motor. Silvercrest / Submersible Motor Engineering design and manufacture specialized motors for use on SUBSEA equipment used in the offshore industry. There are two common methods of construction - stainless steel construction or Marine Grade aluminium that is Black anodized to resist corrosion. We can also offer motors manufactured from Duplex and Super Duplex stainless steel. Our subsea motors are usually oil filled and pressure compensated. The common operating voltages are 400 volts, 3300 volts, 4160 volts and 6600 volts (even for small 5kW motors). Our motors operate at depths down to 4000 metres, or deeper by special request. Silvercrest / Submersible Motor Engineering manufacture complete submersible electric motors, motor-pump sets, and ROV HPU. We offer submersible motor rewinding / rebuilding /electrical conversion / and original construction modification. SME can repair and completely rebuild most submersible electric motors (for example: Alstra, Aturia, Bamsa, B. J., Elmaksan, Exodyne/EEMI, G.E., Hayward Tyler, Hitachi, Mercury, Oddesse, Pleuger, Saer, S.M.E., Subteck, Sumo, Sun Star, U.S.).
Company Profile. Silvercrest / Submersible Motor Engineering manufactures new Submersible and ROV Motors. SME also services and repairs all brands of Submersible and ROV Motors. Including Hitachi, Pleuger, Grundfos, Mercury, Byron Jackson, Haywood Tyler, and Franklin. Our business is to manufacture, supply and service Submersible Electric Motors, Subsea and ROV motors. With a compliment of 30 service orientated staff members, we have the ability to service and technically support all makes and models of Submersible Electric Motors at our Maddington, Perth facility. Our sales department, with a total of 75 years experience in the Submersible and Electric motor business, are happy to assist with any enquiries on the purchase of Submersible Motors, HPU, and motor-pump sets, ranging from 3.7kw to 1500kw, in various voltages and frequencies. In our 1200 ft facility, purpose built for manufacture and service of Submersible Electric Motors we offer the following in-house services: Full Machine Shop capacity. Voltage Testing through 10,000 volts. ISO9001 quality assured workshop. An Overhead crane through 10 ton capacity. A state of the art Water Pressure Test facility with full international certification. High POT and Surge Testing. Full Load / Dyno testing to 250kw of all types of Electric Motors with detailed test reports. Balancing Facility available, to 250 kg. SME are a fully integrated manufacturing facility and in addition to our Standard range of submersible motors we also offer the following: Special Motors for specialist applications. 4 Pole, 6 Pole and 8 Pole motors. All Stainless Steel or more exotic material construction. Special Thrust ratings. Special Lead manufacturing. NEMA and other couplings in a variety of materials. Replacement parts of obsolete products. Technical assistance during Commissioning. Trouble Shooting. Repairs to all makes (Oil and Water filled). Rewinds of all Voltages (200 volt to 6.6kv) with 1 Year Warranty on all rewinds. Dynamic testing. Non-Destructive testing. Welding and Machining. On site or Factory Based Cable Splicing. Retro Fitting of Condition Monitoring Equipment. Modification of existing motors to upgrade them higher specifications. Refurbishment of ROV motors using more technically advanced materials. DYNAMOMETER LOAD TESTING.
SME type test their motors with a new 300kW water-cooled eddy current dynamometer with full computer control for accurate load testing.
SILVERCREST / SME SUBSEA, SUBMERSIBLE, ROV ELECTRIC MOTORS.
Submersible Motor Engineering design and build specialized motors for use SUBSEA, and for the off-shore industry. SUBMERSIBLE MOTOR ENGINEERING designs, manufactures and supplies water filled and oil filled subsea submersible motors globally. SUBMERSIBLE MOTOR ENGINEERING has a full Sales, Service & Repair division at our factory in Australia. SUBMERSIBLE MOTOR ENGINEERING offers repair of all submersible electric motors. Submersible Electric Motors, and HPU’s.
Our motors and HPU’s are ideal for driving thruster systems, also excavation and hydraulic tools that require high power inputs. Our submersible motors can also be used to drive other types of rotating machinery, such as water pumps for trenching machines.
Motor winding temperature and water ingress sensors are included. High Reliability Industry Proven Windings Water Ingress and Temp. Sensors Various Voltage Options (3300vac , 4160vac and 6600vac) Interface Kits for a Range of Hydraulic Pumps Motor Options for Pump Drives with a range of shaft speeds.
High efficiency submersible motors and HPU’s, for all subsea, ROV and trencher operations. The perfect power source supply for ROVs, Trenchers, TMS, and subsea tooling applications. These motors are usually made to order, and vary from 1kW to 600kW, from 400vac to 3300vac, 4160vac, and 6600vac, 50 or 60 Hz, 2 Pole, and 4 Pole ( 8 Pole and 10 pole available by request). There are 2 common methods of construction - stainless steel construction or Marine Grade aluminium that is Black anodized to resist corrosion. These motors are usually oil filled, and pressure compensated. Our motors operate at depths down to 4000 metres.
SUBMERSIBLE MOTOR ENGINEERING offer complete submersible electric motor: Rewind / rebuilding /electrical conversion / and construction modification.
Contact: SILVERCREST / SME. Tel: (+44) 1285.760620. Email: sales@SilvercrestSubmarines.com
SILVERCREST / SUBMERSIBLE MOTOR ENGINEERING design, manufacture, and supply, submersible electric motors for bore holes. SUBSEA and ROV electric motors for subsea equipment. Submersible electric motors for sump pumps, and any special purpose submersible electric motor requirements. SILVERCREST / SUBMERSIBLE MOTOR ENGINEERING also offer SUBSEA electric generators for Tidal Power Generation. SILVERCREST / SUBMERSIBLE MOTOR ENGINEERING designs, manufactures and supplies, water filled and oil filled bore hole and subsea submersible motors globally. SILVERCREST / SUBMERSIBLE MOTOR ENGINEERING is a full Sales, Service & Repair company. SILVERCREST / SUBMERSIBLE MOTOR ENGINEERING offers repair of all makes of submersible electric motors. SILVERCREST / SUBMERSIBLE MOTOR ENGINEERING produces new Submersible and ROV Motors. SILVERCREST / SUBMERSIBLE MOTOR ENGINEERING also services and repairs all brands of Submersible and ROV Motors. Including Hitachi, Pleuger, Grundfos, Mercury, Byron Jackson, Haywood Tyler, and Franklin. Our business is to manufacture, supply and service Submersible Electric Motors. With a compliment of 30 service orientated staff members we have the ability to, service and technically support all makes and models of Submersible Electric Motors at our Maddington, Perth (WA) facility. Our sales department, with a total of 75 years experience in the Submersible and Electric motor business. We are happy to assist with any enquiries on the purchase of all Submersible Motor Engineering products, ranging from 3.7kw to 1500kw, in various voltages and frequencies. We manufacture, repair and rewind large high voltage (500kW, 6600V) submersible electric motors. High Voltage water filled submersible motors (3300V, 4160V and 6600V). ROV motors suitable for depths of 4000m. Induction Generators or slow speed Permanent Magnet Synchronous Generators up to 500kW.
SILVERCREST / SUBMERSIBLE MOTOR ENGINEERING offer: New submersible motor sales.
SILVERCREST / SME Email: sales@SilvercrestSubmarines.com
Silvercrest/ Submersible Motor Engineering 6600vac Subsea Motors.
SME 300Kw, 6600vac, 4-pole Subsea Motor.
SME 400Kw, 6600vac, 4-Pole HPU Subsea Motor.
HPU units manufactured by Silvercrest / SME for underwater vehicles.
100hp HPU fitted to a new build ROV.
SUBMERSIBLE MOTOR SYSTEMS.
Silvercrest/SUBMERSIBLE MOTOR ENGINEERING are pleased to be able to offer a complete range of submersible motor systems to meet the demanding requirements of the ROV, sub-sea trenching, and manned submarine industries.
Rov and Subsea Plough motors. Silvercrest/SUBMERSIBLE MOTOR ENGINEERING offer an established range of ROV motors ranging from 5HP to 600HP. All of these motors are available in either SS316 or Hard Anodized Aluminium finish. We will also design and build submersible motors to suit your individual requirements and subsea project. Our motors are in use with most of the major operators worldwide such as Saipem, Sonsub, CTC Marine Projects, Fugro, Thales, MTQ, LD Travocean and Canyon Offshore.
Silvercrest/SUBMERSIBLE MOTOR ENGINEERING also completed the installation of our 69kW (6 x 11.5kW) AC propulsion and ballast system into one of the Odyssey class tourist submarines in Southeast Asia.
Silvercrest/SUBMERSIBLE MOTOR ENGINEERING can offer a range of ‘standard’ motors for use in well-established underwater installations, such as the more popular classes of Rov and subsea ploughs.
Products and Services.
SUBMERSIBLE MOTOR ENGINEERING are a fully integrated and computerised manufacturing facility. In addition to a standard range of replacement motor products Silvercrest/SUBMERSIBLE MOTOR ENGINEERING supply the following:
In addition we offer: Dynamic testing. Non-Destructive testing. Welding and Machining. Modification of existing motors for upgrade to higher specifications. Refurbishment of ROV motors using more technically advanced materials.
Submersible and Rov motors.
We service and repair all brands of Submersible and ROV motors. Including Hitachi, Pleuger, Grundfos, Mercury, Byron Jackson, Haywood Tyler, and Franklin. Our sales department, with a total of 75 years experience in the submersible and electric motor business, are happy to assist with any enquiries on the purchase of submersible motor engineering products ranging from 3.7kw to 1500kw, in various voltages and frequencies.
ROV / TRENCHING REPLACEMENT MOTORS.
We offer a standard range of direct replacement motors, designed as a direct replacement fit into many of the more popular ROVs and trenching systems in use today (for example, the Perry, Hydrovision and Slingsby underwater systems).
Bespoke Manufacturing: Silvercrest can offer bespoke manufacturing of motors to meet your specific requirements. We recently completed the design of a 290HP / 3000VAC trenching motor for use in subsea trenching operations.
Our standard ROV / Trenching Replacement Motor Range include: 75HP Sunn Star replacement. 100HP Sunn Star replacement. 125HP Sunn Star replacement. 75HP Fowler replacement. 100HP Fowler replacement. 100HP Curvetech replacement. MANNED WET and DRY SUBMARINE PROPULSION SYSTEMS. Historically, over the last fifteen years electrical submarine thruster systems have been problematic. Notably AC motor controllers and DC brush motor powered thrusters have been the cause of many a company’s downfall. Other problems such as 120VDC battery buss voltages have compounded the overall problem. Since the early tourist submarines first came into use during the mid 80’s, motor controller technology has steadily developed. Certain manufacturers have produced systems which have proven to be more capable and more importantly, reliable than their early counterparts. Unfortunately, this leaves quite a few of the older tourist and research submersibles struggling with the older unreliable systems that are still in use. A little known fact is that motor drive systems have a finite operating life, indeed they have a ‘shelf life’. This is due to the deterioration of the large capacitors used in the drive controllers. This occurs even when the drive is not in use. If a drive is more than five years old, then it’s capacitors are already approaching the end of their useful life. As a result these drives are now becoming tired and often prone to failure. Usually with accompanying pyrotechnics! Silvercrest can offer a new ‘replacement’ propulsion system for both new build and existing manned submarines. We tailor the installation to solve your propulsion requirements. Once the problems have been identified and assessed, where needed, we will re-design your battery buss arrangement to produce a working voltage suitable to run a reliable and powerful thruster system. We will then design the motors specifically to meet your requirements. The pressure compensation system is added and the final stage of the design process is matching the correct drive with your new motors.
Recently Silvercrest completed the installation of our 69kW (6 x 11.5kW) AC propulsion and ballast system into one of the Odyssey class tourist submarines in south-east Asia. The system utilizes a state of the art, purpose built, 11.5kW thruster / ballast pump motor. A custom built submersible, 3 phase, AC, squirrel cage induction motor encased in a 316 Stainless Steel compensated housing. The motor was designed specifically to match the available buss voltage and it’s dedicated motor invertor controller. The Silvercrest motor is smooth, quiet and powerful. Motor control is supplied through a CT Commander SE invertor controller drive. Manufactured by one of the leading drive manufacturers in the world today. Each drive utilizes digital control using an onboard processor with EEPROM data storage. This allows the drive to store operating parameters and its own operating history for maintenance and fault diagnosis purposes. A twin Burgmann tandem mechanical shaft seal arrangement, fitted on each motor shaft, provides protection from water ingress. This works in conjunction with a custom built 33 Lt capacity oil-filled central motor compensation system. Great attention has been applied to designing our motor systems for reliability and a long working life. All components are rated to at least 150% of required working capacity. This over rating of individual components ensures that no single part of the system can ever be overloaded during correct use. Specific motor functions and operational profiles can be catered for and programmed into the CT controller. For example the Odyssey system has a ‘Turbo’ function, whereby the motors run normally with a 7.5kW max output. Then at the flick of a switch on the pilot’s console, the motor can be enabled to output it’s maximum 11.5kW (for 1½ minutes) for use in maneuvering emergencies.
Motors of various ratings are available from Silvercrest/SME, utilizing many of the same frame parts. For example our 15kW motor utilizes the exact same parts as the 11.5kW unit, but with more motor laminations and therefore a slightly longer body. This reduces your spares requirement even when mixing and matching the motor sizes. Military spec versions of the motors are also available on request.
Small Thrusters built for a manned submersible.
Silvercrest / SME delivered in twelve weeks from placement of order, a complete new thruster system for a dry-transfer submarine.
SME 10kW / 160VAC (inverter controlled - 240VDC supplied) thruster.
OVERVIEW. The new propulsion system is 240VDC based, using a 6-pole motor with its invertor drive programmed for maximum frequency output of 40-45 Hz. Using a directly driven motor to propeller configuration, this relates to a top speed of 900RPM. The thruster nozzle and propeller were designed for optimum performance at this speed, with as linear a performance profile as possible.
In order to improve the reliability of the system and to reduce motor, invertor and associated cabling sizes, the battery buss voltage from each battery pod was connected in series via a new purpose built 240VDC distribution panel. As the supply to the inverters was derived from a battery, the issue of supply frequency was not a concern. Therefore we opted for 50Hz inverter units as these are more ‘standard’ and therefore more readily available and cheaper. Silvercrest/SME controller specialists carried out the initial invertor installation and commissioning of the motors and controllers. During installation the motor controller sets were ‘dynamometer’ tuned using an in-built optimization facility. The controllers can then be either generically programmed for use in any location or individually in-situ programmed to provide optimum operating performance for each given motor operating position. For motor speed control signals into the inverter, the simplest option, from a fault finding and maintenance point of view, was to provide an analog voltage signal (+10VDC to -10VDC). This option required a small interface bi-directional interface PCB that was mounted directly on the face of the controller. We have used this option on other manned submarine applications with excellent results. The propellers and nozzles were custom designed for each application, using computer 3D modeling to analyze the CFD of our designs to visualize and adjust operating profiles. As a result we are able to design for optimum performance and efficiency.
(Example:- Finished 3 blade results).
SPECIFICATIONS FOR SUBMERSIBLE MOTOR ENGINEERING SUBSEA ELECTRIC MOTORS.SILVERCREST can design and build SUBSEA motors to suit most requirements, due our totally flexible design capabilities.
Flexible External Dimensions to suit all applications. Dimensions to allow drop in replacement for existing units. Anodised aluminium, or 316 stainless steel construction. Power drive to load using an output shaft with a standard coupling, or close coupled. SUBMERSIBLE MOTOR ENGINEERING can design and build a motor with a completely new lamination to meet special design requirements, if necessary. SUBMERSIBLE MOTOR ENGINEERING design their motors so they do not run hot. Typical motors can run on deck for at least 10 minutes on full load, with no cooling, without overheating. The motors are designed to be compact in size and suitable for heavy-duty applications, such as subsea trenching.
In general the SUBMERSIBLE MOTOR ENGINEERING subsea submersible motors have low loss lamination steel (3 Watts/kg), which allows for higher flux densities, and less heat, with less material and weight. All fixing holes are blind except the "oil in" and "oil out" fittings and the stator pack fixing bolt, if applicable. SUBMERSIBLE MOTOR ENGINEERING strongly recommend that the motors are supplied with PT100s fitted in the windings and also in the bearings and that the internal motor temperature. SME can also offer additional protection with a water detector. The auxiliary connections for PT100s, can be made through standard high pressure, water tight, plug and sockets as supplied by "Subconn", "Impulse", and "Burton". These are also fitted to a connection block on the stator, not on the end shield. All motors are rated for continuous operation, and all prototype motors are full load performance tested at rated voltage and rated frequency, to confirm their performance characteristics. All motors can be issued with a "Type Test Certificate" or even full load tested at additional cost, if required.
Please contact us direct for confirmation of any drawing dimensions or performance data.
ELECTRIC MOTORS FOR SUBSEA MINING. Submersible Motor Engineering are a leading supplier of Electric Motors for subsea applications such as ROVs, TMS units, HPUs, Subsea Trenching machines, and Subsea Ploughs.
SUBMERSIBLE MOTOR ENGINEERING was recently awarded a contract to design and build a set of electric motors for a Subsea Mining project which is understood to be the first deep water Subsea mining project in the world. The motors will have to operate at up to 2,000 metres depth, and will be subject to continuous heavy vibration of up to 10 mm/s and shock loading up to 10G. Due to the depth and the high power requirements it was decided the machines had to operate at 6600 volts to reduce the current in the long umbilical power supply cable.
SUBMERSIBLE MOTOR ENGINEERING commonly produce motors to operate at 3000, 3300, and 4160 volts, but 6600 volts posed some new challenges as we needed to design and build the motors with hot pressed formed coil stator windings. The shock and vibration requirements also required the selection of a very heavy duty bearing arrangement, which was reviewed by SKF to ensure the final design was more than capable of handling the required duty.
There are three different mining machines, and they require five different types of motors which drive the cutter heads, slurry pumps, and hydraulic power units, (HPUs). The cutter head motors are rated at 300kW and 600kW, 4 Pole. The slurry pumps at 330kW, 6 Pole, and 650kW 12 Pole. The HPU motors at 400kW 4 Pole. The motors were all full load dynamometer tested by SUBMERSIBLE MOTOR ENGINEERING. All of the motors except the HPU motors will operate with Variable Frequency Drives and these motors were dynamometer tested with the drives. All of this testing was undertaken with the customer at SUBMERSIBLE MOTOR ENGINEERING’s Maddington factory. All the motors have all been delivered to the customer.
18 inch AND 22 inch Motors. SUBMERSIBLE MOTOR ENGINEERING now produce 18 inch and 22 inch motors with 2 or 4 pole speeds. These motors are water filled and available with 2300, 3300, 4160, or 6600 volt windings. The thrust bearings are continuously rated at 7,700 kg (17,000 lbs).
SUBMERSIBLE MOTOR ENGINEERING recently supplied two motors rated at 625Hp, 4160 volts, 4 pole, which have a continuous thrust load of about 7,000 kg and a closed valve thrust load of about 10,000 kg. Prior to installation these motors and pumps were independently tested by S&N Pumps in Houston.
These motors can be supplied in 316 Stainless Steel or Duplex Stainless Steel. As with all the SUBMERSIBLE MOTOR ENGINEERING product range, these motors are also available with SUBMERSIBLE MOTOR ENGINEERING’s Heat Exchanger cooling system to ensure the motors are suitable for the most demanding applications.
SUBMERSIBLE MOTOR ENGINEERING now offer 6”, 8”, 10”, 12”, 14”, 16”, 18” and 22” motors as standard and stock motors up to 16” in Perth at our factory.
WD MOTORS. SUBMERSIBLE MOTOR ENGINEERING have been producing their range WD “sump pump” motors for many years to cover a broad range of submerged pumping applications. The WD range from SUBMERSIBLE MOTOR ENGINEERING offers a motor that is suitable for an extremely broad range of uses. The mechanical interface can be designed to match many different types of pumps. These motors has been designed to operate as a wet motor, either in a sump or mounted in a manifold, or as a dry motor with a water jacket feed from the pumped liquid.
A recent customer had an existing pumping station on a river bank in Queensland. He needed a motor that could be fitted to the existing pumps. The original pumps were flooded regularly which caused the air cooled motors to fail. The new motors were required to operate in a dry environment most of the time, but to also be able to operate during the regular floods that occurred at the site. SUBMERSIBLE MOTOR ENGINEERING provided three 150kW, 4 Pole, WD motors fitted with a water jacket to allow long term reliability in an ambient that regularly reaches in excess of 40 Deg C. The Water Jacket was fed by a small bleed from the Pump Discharge. These motors were installed on the pumps and were operating well despite being flooded several times in their first few months of operation. WD Motors are a very flexible product and SUBMERSIBLE MOTOR ENGINEERING can engineer these motors to solve many complex applications.
HIGH VOLTAGE SUBMERSIBLE MOTOR REPAIRS. SUBMERSIBLE MOTOR ENGINEERING design and manufacture large High Voltage Submersible Motors so we are quite capable of servicing and maintaining other brands of submersible motors. SUBMERSIBLE MOTOR ENGINEERING has repaired numerous Pleuger, Weir, Haywood Tyler, and Byron Jackson, high voltage sea water lift pump motors for some of the premier oil companies around the world.
SUBMERSIBLE MOTOR ENGINEERING is the service supplier of choice for Oil and Gas, Mining, and the Municipal Water Supply Industries, especially in Australia, New Zealand, and South East Asia. In most cases SUBMERSIBLE MOTOR ENGINEERING can offer and deliver a much quicker and cost effective repair than the original OEM.
SUBMERSIBLE MOTOR ENGINEERING can also provide full load pump testing to ensure the repaired motor will be reliable before it is re-installed.
SUBMERSIBLE MOTOR ENGINEERING can also offer on-site inspection, provision of on-site spares, training of staff about maintenance and maintenance issues, and commissioning staff during installations.
SUBMERSIBLE MOTOR ENGINEERING should be the first choice for the provision of Maintenance and Service of Submersible Electric Motors.
DYNAMOMETER LOAD TESTING. SUBMERSIBLE MOTOR ENGINEERING have increased their load testing capacity in Maddington with the acquisition of a new 2,500kW “water brake” dynamometer and additional high voltage transformers, switchgear, and instrumentation. SUBMERSIBLE MOTOR ENGINEERING can now provide a broad range of no load and full load testing at 50 or 60 Hz, and typical voltages of 2300, 3000, 3300, 4160, and 6600 volts. The extensive range of transformers and voltage regulators as well as multiple dynamometers means SUBMERSIBLE MOTOR ENGINEERING can ensure that new, and repaired, motors, are tested to ensure they meet any applicable requirements and specifications.
SUBMERSIBLE MOTOR ENGINEERING NEW OFFICE. SME have recently moved into bigger and better premises in Phoenix, Arizona. The new factory has 17,500 sq ft (1,622 m2) of space and has been set up to offer customers the repair and rewinding of submersible motors. There is a fully equipped machine shop, winding shop, and testing facility. The new building has a 600 amp power supply, so they can run large motors on no load.
SUBMERSIBLE MOTOR ENGINEERING carry a large stock of new submersible motors and plan to increase this in the near future.
PERMANENT MAGNET GENERATORS FOR TIDAL GENERATION. SUBMERSIBLE MOTOR ENGINEERING recently built a prototype subsea generator that was rated at 100kW, 40 Poles, (18 RPM), and 500 Volts. The generator is air filled as it is not expected to operate below 20 metres of depth, and weighed 4.5 tonnes fully assembled.
The generator was full load tested, which was quite complicated to organize, as we needed a 1.5 MW variable speed motor/drive and a 10:1 ratio gearbox that could handle the full load torque of approximately 60,000 Nm. The performance matched the design quite closely, with an efficiency of 86%, and a PF of 0.99. This generator was designed for very low speed operation to negate the need for a gearbox, however, SUBMERSIBLE MOTOR ENGINEERING now believe it is probably better to design the generator for a higher speed with a single stage gearbox.
Submersible Motor Engineering manufacture: High temperature submersible subsea motors for 55 deg.C. water ambient. High efficiency water filled submersible subsea motors. All stainless steel construction submersible subsea and ROV motors. Full performance testing of submersible motors. 1000V and other special voltages - NO PROBLEM! Super Duplex submersible subsea motors. We offer a wide range of electric submersible motors, with matched hydraulic and water pumps for use subsea, and with underwater vehicles, and ROVs. Drop in replacement motors for most of the popular submersible motors in use offshore and subsea. Subsea ROV Trenching Motors, Hydraulic Pumps and Water Pumps. We supply ROV HPU submersible motors from 30kW to 150kW. Trenching HPU submersible motors from 100kW to 500kW. Subsea trenching jetting pumps, subsea plough HPU submersible motors, subsea plough jetting pump sets, turbine and centrifugal water pumps, and hydraulic pumps (including Rexroth, Sauer, and Kawasaki). HPU (Hydraulic Power Units) for subsea, and ROV operations. Submersible Motor Engineering Hydraulic Power Units (HPU) are used throughout the subsea oil and gas industry, for subsea hydraulic power generation, and for running high pressure/high flow water pumps.
Submersible Subsea Motors. SME design and manufacture a world leading range of Subsea Electric Motors, including motors for HPU's on ROV's, Electric Thrusters for Manned Submarines, and Heavy Duty Jetting Pumps on Subsea Trenchers. SME motors are robust and reliable in the toughest of environments. Our flexible design capabilities mean we can manufacture Subsea Motors to suit any application. Our range of motors allow Flexible External Dimensions to suit all requirements and provide the possibility of "Drop In" replacement motors. SME have produced over 100 different types of Subsea motors and thousands of motors. We offer a variety of Construction Materials from Anodised Aluminium to Exotic Stainless Steel Alloys to ensure long term reliability in varied environments whilst still offering the advantages of light weight design. To ensure the integrity of the motors SME does not use castings, and all components are manufactured from solid metal or extrusions. Motors can be offered with a variety of Interfaces for Driven Equipment from Robust Shafts with Multiple Shaft Seals, to Close Coupled Motors with Female Spline Hubs to allow direct fitment of Hydraulic Pumps. SME can design and manufacture from the "Lamination Up" to ensure the Motor is ideally suited for the application. This bespoke Manufacturing policy ensures we can meet any special design requirements. SME can build motors from Fractional Kilowatt Motors right through to large outputs in the Megawatts and above to ensure we meet all requirements. SME Subsea Motors can be manufactured in all voltages through to 6600V at 50Hz or 60Hz, or for use with variable Speed Drives. Due to SME's proprietary Insulation System motors up to 4160V can be built with a Random Winding to reduce size and weight whilst losing nothing in terms of reliability. This insulation system is specifically engineered to ensure suitability of operation in Hydraulic Oil or many of the Bio-Degradable Oils commonly used for Compensation circuits. All motors are designed for external compensation allowing for operation at depths as much as 4000M. The Motors can also be offered with Cooling circuits to ensure high output motors maintain minimal operating temperatures at Full Load. SME Motors are fitted with Water Detection Probes and Temperature Detectors and these can be terminated to a variety of different Subsea Connectors. Power can be supplied to the motors through Subsea Connectors or Highly reliable Oily Tube Connections. SME's extensive testing facilities ensure we can test these Subsea Motors at rated Voltage and Frequency. This testing can also involve Hydraulic Load testing on a HPU or Flow and Pressure Testing of Jetting Pump in our Test tank. Full string testing involving the Drives, Control Gear, Motor and Driven equipment can also be organised. Submersible Motor Engineering's extensive Service Capability also ensures we are best location for Service and Refurbishment of Subsea Motors of any manufacturer. Quite often SME can return motors to their clients in a better than new condition due to our ability to implement the latest Engineering Practices into the repair process.
75hp ROV Electric motor ready for shipping.
200hp Submersible Electric ROV motor under construction. Subsea Submersible Motors. SME design and manufacture a world leading range of Subsea Electric Motors, Submersible Electric Motors, and ROV Electric Motors. For HPU's on ROV's, Electric Thrusters for Manned Submarines, and Heavy Duty Jetting Pumps on Subsea Trenchers. SME motors are robust and reliable in the toughest of environments. Our flexible design capabilities mean we can manufacture Subsea, Submersible and ROV Motors to suit any application. Our range of motors allow Flexible External Dimensions to suit all your requirements, and provide the possibility of "Drop In" replacement motors. SME have produced over 100 different types of Subsea, Submersible and ROV motor. We have manufactured thousands of motors, which have been supplied worldwide to our onshore and offshore customers. We offer a variety of Construction Materials from Anodised Aluminium, to exotic Stainless Steel Alloys. To ensure long term reliability in varied environments, whilst still offering the advantages of light weight design. To ensure the integrity of the motors SME does not use castings, and all components are manufactured from solid metal or extrusions. Our motors can be offered with a variety of Interfaces for Driven Equipment - from Robust Shafts with Multiple Shaft Seals, to Close Coupled Motors with Female Spline Hubs, to allow direct fitment of Hydraulic Pumps. SME can design and manufacture from the "Lamination Up" to ensure the motor is ideally suited for your exact application. This bespoke manufacturing policy ensures we can meet any special design requirements that you may have. SME can build motors from Fractional Kilowatt Motors, right through to large outputs in the Megawatts and above to ensure we meet all requirements. SME Subsea Motors can be manufactured in all voltages from 24V through to 6600V, at 50Hz or 60Hz, or for use with Variable Speed Drives. Due to SME's proprietary Insulation System, motors up to 4160V can be built with a Random Winding to reduce size and weight whilst losing nothing in terms of reliability. This insulation system is specifically engineered to ensure suitability of operation in Hydraulic Oil, or many of the Bio-Degradable Oils commonly used for Compensation circuits. All motors are designed for external compensation allowing for operation at subsea depths to 4000M. The Motors can also be offered with cooling circuits, to ensure high output motors maintain minimal operating temperatures at Full Load. SME Motors are fitted with Water Detection Probes and Temperature Detectors, and these can be terminated to a variety of different Subsea Connectors. Power can be supplied to the motors through Subsea Connectors or Highly reliable Oily Tube Connections. SME's extensive testing facilities ensure we can test these Subsea Motors at rated Voltage and Frequency. This testing can also involve Hydraulic Load testing on a HPU, or Flow and Pressure Testing of Jetting Pumps in our test tank. Full string testing involving the Drives, Control Gear, Motor and Driven equipment can also be organised. Submersible Motor Engineering's extensive Service Capability also ensures we are best location for Service and refurbishment of Subsea Motors of any other manufacturer. Quite often SME can return motors to their clients in a better than new condition, due to our ability to implement the latest Engineering Practices into the repair process. SME PROFILE. Submersible Motor Engineering is an Australian Company that designs and manufactures Submersible and Subsea Electric Motors for the Global Market. SME has the ability to design and produce specialist electric motors for complex applications, in many cases for a "one off' requirement. SME should be the company of choice for you to work with. To provide high quality Engineered Solutions for your Submersible and Subsea Electric Motor requirements. SME offers a Repair, Rewind, Modification, and Technical Support Service in Perth, and in Phoenix. Our facilities ensure that we can handle any job we are confronted with, regardless of complexity. Our purpose built testing facility ensures absolute confidence in workmanship and reliability for our clients. When it comes to Sales and Service of Submersible and Subsea Motors, SME's extensive range of worldwide locations ensures that we can provide Excellent Service and Technical Support on our own SME range of products, but also the products from all other manufacturers of Submersible Motors and Subsea Motors.
Subsea Electric Motors & ROV Electric Motors.Submersible Motor Engineering design, manufacture, and supply, Submersible Electric Motors for Deep Well Pumps, Subsea Electric Motors and Submersible Electric Motors for Sump pumps, and any special purpose submersible electric motor requirements. SME also offer Subsea Electric Generators for Tidal and River Power Generation.SME has extensive service, repair, maintenance and testing capabilities, at our purpose built facilities in Western Australia and Arizona. SME can provide solutions for any submersible or subsea electric motor applications– from design and specification through to servicing, repair and/or replacement. Our experience and commitment to quality allows our clients complete confidence that their requirements are in the best possible hands. Submersible Motor Engineering Pty Ltd is an Australian Company that designs and manufactures Submersible and Subsea Electric Motors for a Global Market. SME has the ability to design and produce specialist electric motors for complex applications, in many cases for a “one off” requirement. SME is the company of choice to work with, to provide High Quality Engineered Solutions for your Submersible and Subsea Motor requirements.SME offers a Repair, rewind, Modification and Technical Support Service in Perth and in Phoenix. Our facilities ensure that we can handle any job we are confronted with, regardless of complexity. Our purpose built testing facility ensures absolute confidence in workmanship and reliability for our clients. When it comes to Sales and Service of Submersible and Subsea Motors, SME’s extensive range of Worldwide Locations ensures that we can provide Excellent Service and Technical Support on our own SME range of products, but also the products from all other manufacturers of Submersible Motors or Subsea Motors
SME design and manufacture a world leading range of Subsea Electric Motors, including motors for HPU’s on ROV‘s, Electric Thrusters for Manned Submarines, and Heavy Duty Jetting Pumps on Subsea Trenchers. SME motors are robust and reliable in the toughest of environments. Our flexible design capabilities mean we can manufacture Subsea Motors to suit any application. Our range of motors allow Flexible External Dimensions to suit all requirements and provide the possibility of “Drop In‘’ replacement motors. SME have produced over l00 different types of Subsea motors and thousands of motors. We offer a variety of Construction Materials from Anodised Aluminium to Exotic Stainless Steel Alloys to ensure long term reliability in varied environments whilst still offering the advantages of light weight design. To ensure the integrity of the motors SME does not use castings and all components are manufactured from solid metal or extrusions. Motors can be offered with a variety of Interfaces for Driven Equipment — from Robust Shafts with Multiple Shaft Seals to Close Coupled Motors with Female Spline Hubs to allow direct fitment of Hydraulic Pumps. SME can design and manufacture from the “Lamination Up” to ensure the Motor is ideally suited for the application. This bespoke Manufacturing policy ensures we can meet any special design requirements. SME can build motors from Fractional Kilowatt Motors right through to large outputs in the Megawatts and above to ensure we meet all requirements. SME Subsea Motors can be manufactured in all voltages through to 6600V at 50Hz or 60Hz, or for use with Variable Speed Drives. Due to SME’s proprietary Insulation System motors up to 4l60V can be built with a Random Winding to reduce size and weight whilst losing nothing in terms of reliability. This insulation system is specifically engineered to ensure suitability of operation in Hydraulic Oil or many of the Bio-Degradable Oils commonly used for Compensation circuits. All motors are designed for external compensation allowing for operation at depths as much as 4000M. The Motors can also be offered with Cooling circuits to ensure high output motors maintain minimal operating temperatures at Full Load. SME Motors are fitted with Water Detection Probes and Temperature Detectors and these can be terminated to a variety of different Subsea Connectors. Power can be supplied to the motors through Subsea Connectors or Highly reliable Oily Tube Connections. SME’s extensive testing facilities ensure we can test these Subsea Motors at rated Voltage and Frequency. This testing can also involve Hydraulic Load testing on a HPU or Flow and Pressure Testing of Jetting Pumps in our Test tank. Full string testing involving the Drives, Control Gear, Motor and Driven equipment can also be organised. Submersible Motor Engineering’s extensive Service Capability also ensures we are the best location for Service and Refurbishment of Subsea Motors of any manufacturer. Quite often SME can return motors to their clients in a better than new condition due to our ability to implement the latest Engineering Practices into the repair process. SME SPECIFICATION FOR SUBMERSIBLE MOTORS. Standard Water Filled Submersible, water tight, and water filled, with double insulated wire and capable of continuous operation at nameplate power under water in a maximum water temperature of 35 Deg.C. without de-rating, and suitable for “Direct on Line” starting. Six lead motors for “Star/Delta” starting are available as an option. Heat Exchanger Water Filled Submersible, water tight, and water filled, with double insulated wire and capable of continuous operation at nameplate power under water in a maximum water temperature of 55 Deg.C. without de-rating, and suitable for “Direct on Line” starting. Six lead motors for “Star/Delta” starting are available as an option. This motor is recommended for high ambient water temperatures and for extended motor life due to the reduced winding temperatures. SUBSEA PUMPS.SME design and manufacture a world leading range of Electric and Hydraulically Driven Subsea Pumps. These are designed to operate as Heavy Duty Jetting Pumps on Subsea Trenchers and Ploughs, Subsea Dredging and Excavation Equipment. SME Pumps are robust and reliable in the toughest of environments. Our flexible design capabilities mean we can manufacture Subsea Pumps to suit most applications. Our range of motors allow Flexible External Dimensions to suit all requirements and provide the possibility of “Drop In‘’ replacement units. We offer a variety of Construction Materials from Anodised Aluminium to Exotic Stainless Steel Alloys to ensure long term reliability in varied environments whilst still offering the advantages of light weight design. SME can design and manufacture from “raw material up” to ensure the Motor and Pump is ideally suited for the application. This bespoke Manufacturing policy ensures we can meet any special design requirements. SME can build motor and pumps from Fractional Kilowatt Motors right through to large outputs in the Megawatts and above to ensure we meet all requirements. SME Electrically Driven Subsea Pumps can be manufactured in all voltages from 24V through to 6600V at 50Hz or 60Hz, or for use with Variable Speed Drives. Due to SME’s proprietary Insulation System motors up to 4160V can be built with a Random Winding to reduce size and weight whilst losing nothing in terms of reliability. This insulation system is specifically engineered to ensure suitability of operation in Hydraulic Oil or many of the Bio-Degradable Oils commonly used for Compensation circuits. All pumps are designed for external compensation allowing for operation at depths as much as 4000M. The Motors can also be offered with Cooling circuits to ensure high output motors maintain minimal operating temperatures at Full Load. SME Motors are fitted with Water Detection Probes and Temperature Detectors and these can be terminated to a variety of different Subsea Connectors. Power can be supplied to the motors through Subsea Connectors or Highly reliable Oily Tube Connections. SME’s extensive testing facilities ensure we can test these Subsea Pumps at rated Voltage and Frequency. This testing includes involve Hydraulic Performance/Reliability testing on a HPU or Job Specific Electrical Supply at rated Voltage and Frequency in our Test tank. Full string testing involving the Drives, Control Gear, Motor and Driven equipment can also be organised. Submersible Motor Engineering’s extensive Service Capability also ensures we are best location for Service and Refurbishment of Subsea Motors and Pumps of any manufacturer. Quite often SME can return motors and pumps to their clients in a better than new condition due to our ability to implement the latest Engineering Practices into the repair process. SME – WD Series Motors – for Open Well or Sump Applications Submerged or not Submerged, Cast Iron, Steel, or Stainless Steel Construction.SME has many years experience in the manufacture of submersible motors and the WD series of motors have been designed for the toughest jobs to ensure reliability and a long service life. When conditions are extreme and performance is critical these motors deliver the quality and durability required. WD motors are designed for continuous operation in sludge, effluent, slurry, and other liquids – to a submergence of 10 metres, in an open well, a river bank, a tailings pond, or a sump. The motors are air filled, with a separate oil filled seal chamber to ensure robust sealing of the drive shaft. The WD Series motors can also be supplied with a large range of sealing options to ensure the motor is suitable for the most extreme conditions from a combination of lip seals, and/or mechanical seals, to complex cartridge seal arrangements. If the motors are going to be continuously submerged they will rely on the liquid they are submerged in for cooling. If they are not going to be submerged continuously – or only intermittently — they are designed with a water jacket for cooling and water is usually bled from the pump through the water jacket. These IP68 motors have been used in both vertical and horizontal applications driving a diverse range of pumps in many unique applications. The Motors can be supplied with an extensive array of flange and shaft dimensions to ensure the motors can be matched to a large range of different pumps. The motors can also be supplied with standard IEC and NEMA flange and shaft dimensions. The motors are very robust and designed to take the physical abuse on a typical mine site. They can tolerate overloads, and a lack of cooling. They can maintain full load operation for 15 minutes with no external cooling. These motors offer a robust alternative to other units that suffer from shorter operating lives – with no changes to the existing Wet end performance. These motors are fitted with moisture detection probes and PT100, or themiistor, thermal protection — as standard – and provided these are properly connected and set to give advance warning of problems these motors will give many years of reliable service in extreme applications.
Service And Repair Of Submersible Electric Motors. SME has extensive service, repair, maintenance and testing capabilities, at our purpose built facilities in Western Australia and Arizona. SME can provide a solution for submersible electric motors – from design and specification through to servicing, repair and/or replacement Our experience and commitment to quality allows our clients complete confidence that their requirements are in the best possible hands. SME specialises in minimizing downtime for critical application submersible electric motors by providing an efficient and cost effective mechanical repair and rewinding service at our ISO 9001 accredited facilities. Our experienced technicians are proficient at working with all brands of submersible electric motors and can quickly return motors back to service. We also maintain detailed records of motor failures across all brands which assist with plant management. SME is well qualified to offer advice to prevent future faults. Motor Modification SME can modify and upgrade all brands of submersible electric motors during the repair and servicing process to meet the requirements of any application. These modifications can include changing materials, adding temperature sensors, re-design to suit different voltages and frequencies, applying protective coatings, offering extended cable lengths and splicing cables, replacing damaged, corroded, or worn parts and other application specific alterations. SME has the “in house” machining and fabrication capabilities to manufacture obsolete parts ensuring maximum life for motors are achieved. In-Field Support SME can provide a number of site support services to ensure the reliability and performance of our clients‘ submersible motors. Our experienced field service engineers can provide installation, commissioning, fault finding supervision, and training. Testing SME‘s West Australian facility, located in Perth, provides for an extensive testing regime for repaired and overhauled motors. SME can full load test motors on our dynamometers and can also offer performance testing of complete pump/motor units in our purpose built test tank – at the specified voltage and frequency up to 6600 volts. SME can guarantee motors that have been serviced and repaired are fit for purpose before dispatch, providing customers with complete confidence in the work prior to re-installation. All motors that are rewound by SME are subject to an immersion pressure test which is conducted in our pressure test vessel to ensure the integrity of the windings prior to assembly and load testing. Our commitment to a strict testing regime protects our clients from the risks of downtime caused by unexpected failure.
Submersible Motor Engineering design, manufacture, and supply, Submersible Electric Motors for Deep Well Pumps, Subsea Electric Motors and Submersible Electric Motors for Sump pumps, and any special purpose submersible electric motor requirements. SME also offer Subsea Electric Generators for Tidal and River Power Generation. SME has extensive service, repair, maintenance and testing capabilities, at our purpose built facilities in Western Australia and Arizona. SME can provide solutions for any submersible or subsea electric motor applications– from design and specification through to servicing, repair and/or replacement. Our experience and commitment to quality allows our clients complete confidence that their requirements are in the best possible hands.
Subsea Electric Motors & ROV Electric Motors.
SME design and manufacture a world leading range of Subsea Electric Motors, including motors for HPU’s on ROV‘s, Electric Thrusters for Manned Submarines, and Heavy Duty Jetting Pumps on Subsea Trenchers. SME motors are robust and reliable in the toughest of environments. Our flexible design capabilities mean we can manufacture Subsea Motors to suit any application. Our range of motors allow Flexible External Dimensions to suit all requirements and provide the possibility of “Drop In‘’ replacement motors. SME have produced over l00 different types of Subsea motors and thousands of motors. We offer a variety of Construction Materials from Anodised Aluminium to Exotic Stainless Steel Alloys to ensure long term reliability in varied environments whilst still offering the advantages of light weight design. To ensure the integrity of the motors SME does not use castings and all components are manufactured from solid metal or extrusions. Motors can be offered with a variety of Interfaces for Driven Equipment — from Robust Shafts with Multiple Shaft Seals to Close Coupled Motors with Female Spline Hubs to allow direct fitment of Hydraulic Pumps. SME can design and manufacture from the “Lamination Up” to ensure the Motor is ideally suited for the application. This bespoke Manufacturing policy ensures we can meet any special design requirements. SME can build motors from Fractional Kilowatt Motors right through to large outputs in the Megawatts and above to ensure we meet all requirements. SME Subsea Motors can be manufactured in all voltages from 24V through to 6600V at 50Hz or 60Hz, or for use with Variable Speed Drives. Due to SME’s proprietary Insulation System motors up to 4l60V can be built with a Random Winding to reduce size and weight whilst losing nothing in terms of reliability. This insulation system is specifically engineered to ensure suitability of operation in Hydraulic Oil or many of the Bio-Degradable Oils commonly used for Compensation circuits. All motors are designed for external compensation allowing for operation at depths as deep as 4000M. The Motors can also be offered with Cooling circuits to ensure high output motors maintain minimal operating temperatures at Full Load. SME Motors are fitted with Water Detection Probes and Temperature Detectors and these can be terminated to a variety of different Subsea Connectors. Power can be supplied to the motors through Subsea Connectors or Highly reliable Oily Tube Connections. SME’s extensive testing facilities ensure we can test these Subsea Motors at rated Voltage and Frequency. This testing can also involve Hydraulic Load testing on a HPU, or Flow and Pressure Testing of Jetting Pumps in our Test tank. Full string testing involving the Drives, Control Gear, Motor and Driven equipment can also be organised. Submersible Motor Engineering’s extensive Service Capability also ensures we are the best location for Service and Refurbishment of Subsea Motors of any manufacturer. Quite often SME can return motors to their clients in a better than new condition due to our ability to implement the latest Engineering Practices into the repair process. Service And Repair Of Submersible Electric Motors
A new service, repair, maintenance and testing facility is being opened in England (UK). SME has extensive service, repair, maintenance and testing capabilities, at our purpose built facilities in Western Australia and Arizona. SME can provide a solution for submersible electric motors – from design and specification through to servicing, repair and/or replacement. Our experience and commitment to quality allows our clients complete confidence that their requirements are in the best possible hands. SME specialises in minimizing downtime for critical application submersible electric motors by providing an efficient and cost effective mechanical repair and rewinding service at our ISO 9001 accredited facilities. Our experienced technicians are proficient at working with all brands of submersible electric motors and can quickly return motors back to service. We also maintain detailed records of motor failures across all brands which assist with plant management. SME is well qualified to offer advice to prevent future faults. Motor ModificationSME can modify and upgrade all brands of submersible electric motors during the repair and servicing process to meet the requirements of any application. These modifications can include changing materials, adding temperature sensors, re-design to suit different voltages and frequencies, applying protective coatings, offering extended cable lengths and splicing cables, replacing damaged, corroded, or worn parts and other application specific alterations. SME has the “in house” machining and fabrication capabilities to manufacture obsolete parts ensuring maximum life for motors are achieved. In-Field SupportSME can provide a number of site support services to ensure the reliability and performance of our clients‘ submersible motors. Our experienced field service engineers can provide installation, commissioning, fault finding supervision, and training. TestingSME‘s factory facility, located in Perth, provides for an extensive testing regime for repaired and overhauled motors. SME can full load test motors on our dynamometers and can also offer performance testing of complete pump/motor units in our purpose built test tank – at the specified voltage and frequency up to 6600 volts. SME can guarantee motors that have been serviced and repaired are fully tested before dispatch, providing customers with complete confidence in the work prior to re-installation. All motors that are rewound by SME are subject to an immersion pressure test which is conducted in our pressure test vessel to ensure the integrity of the windings prior to assembly and load testing. Our commitment to a strict testing regime protects our clients from the risks of downtime caused by unexpected failure.
ROV Subsea Motors. SME ROV14-2, 300kw 400HP, 2 Pole, 3300/3/60, SS316 Construction Submersible Motors to operate subsea water pumps. Motors fitted with Thermex Cooling Circuit and plumbing. SME ROV10-4, 15kW 20 HP, 4 Pole, 3000/3/50, Aluminium Construction Subsea. Motor with flange and shaft to fit with Rexroth A10VSO18DFR Pump. SME ROV14-4, 75kW 100 HP, 4 Pole, 3000/3/50, Aluminium Construction Subsea. Motor with flange and shaft to fit with Hydraulic Pump. SME ROV14-4 200 kw 4 pole, 2400/3/50. SS316 construction subsea motor. Oil Compensators for Subsea Motors. Silvercrest/SME can offer oil compensator units, suitable for deep sea operation of our subsea motors. The most common choice is the 2.7L Compensator - 7 x 1/4" NPT (BSPT). SA-HC-0745-MAS.
This is a rolling diaphragm, positive pressure compensator (2700cc capacity), manufactured in corrosion resistant plastic suitable for ROV and tooling applications. These units are particularly suitable for compensating thrusters, oil filled junction boxes, valve packs, and other subsea applications. Size - 2700 cc. Delrin Plastic Construction. Grade 316 Stainless Steel Spring. Adjustable Pressure Relief Valve. Mounting Feet. Low Level Proximity Sensor Option.
Submersible Motors
SME design and manufacture a broad range of Submersible Electric Motors, including motors for variety of applications from Mine De-watering to Sea Water Lift Pumps. SME motors are robust and reliable in the toughest of environments. Our flexible design capabilities mean we can manufacture Submersible Motors to suit most applications. Our range of motors include Flexible Interface Dimensions to suit all requirements and provide the possibility of “Drop In‘’ replacement motors. We offer a variety of Construction Materials from Cast Iron, SS316 Grade Stainless Steels as Standard to Exotic Stainless Steel Alloys to ensure long term reliability in varied environments whilst still offering the advantages of excellent performance. Motors can be offered with a variety of Interfaces for a broad range of Pump types — from Standard NEMA and IEC frames to unique Flange and shaft arrangements with Multiple Shaft Seals. SME can design and manufacture from the “Lamination Up” to ensure the Motor is ideally suited for the application. This bespoke Manufacturing policy ensures we can meet any special design requirements. SME can build motors from small Kilowatt Motors right through to large outputs in the Megawatts and above to ensure we meet all requirements. SME Submersible Motors can be manufactured in all voltages from 110V through to 6600V at 50Hz or 60Hz, or for use with Variable Speed Drives. Due to SME’s flexible manufacturing systems we can offer motors in water or oil filled constructions. Motors can be provided for internally balanced or header tank installations. SME’s extensive testing facilities ensure we can test these Submersible Motors at rated Voltage and Frequency. This testing can also involve Hydraulic Performance testing on a customers pump in our Test tank. Full string testing involving the Drives, Control Gear, Motor and Driven equipment can also be organised. Submersible Motor Engineering’s extensive Service Capability also ensures we are the best location for Service and Refurbishment of Submersible Motors of any manufacturer. Quite often SME can return motors to their clients in a better than new condition due to our ability to implement the latest Engineering Practices into the repair process. SME – WD Series Motors.For Open Well or Sump Applications Submerged or not Submerged, With Cast Iron, Steel, or Stainless Steel Construction.SME has many years experience in the manufacture of submersible motors and the WD series of motors have been designed for the toughest jobs to ensure reliability and a long service life. When conditions are extreme and performance is critical these motors deliver the quality and durability required. WD motors are designed for continuous operation in sludge, effluent, slurry, and other liquids – to a submergence of 10 metres, in an open well, a river bank, a tailings pond, or a sump. The motors are air filled, with a separate oil filled seal chamber to ensure robust sealing of the drive shaft. The WD Series motors can also be supplied with a large range of sealing options to ensure the motor is suitable for the most extreme conditions from a combination of lip seals, and/or mechanical seals, to complex cartridge seal arrangements. If the motors are going to be continuously submerged they will rely on the liquid they are submerged in for cooling. If they are not going to be submerged continuously – or only intermittently — they are designed with a water jacket for cooling and water is usually bled from the pump through the water jacket. These IP68 motors have been used in both vertical and horizontal applications driving a diverse range of pumps in many unique applications. The Motors can be supplied with an extensive array of flange and shaft dimensions to ensure the motors can be matched to a large range of different pumps. The motors can also be supplied with standard IEC and NEMA flange and shaft dimensions. The motors are very robust and designed to take the physical abuse on a typical mine site. They can tolerate overloads, and a lack of cooling. They can maintain full load operation for 15 minutes with no external cooling. These motors offer a robust alternative to other units that suffer from shorter operating lives – with no changes to the existing Wet end performance. These motors are fitted with moisture detection probes and PT100, or themistor, thermal protection — as standard – and provided these are properly connected and set to give advance warning of problems these motors will give many years of reliable service in extreme applications.
Water Cooled Motors
SME design and manufacture a range of Water Cooled Electric Motors to provide a alternative to Standard Air Cooled Vertical Hollow and Solid Shaft Motors, these motors are for variety of line shaft turbine applications. The removal of the forced air cooling and replacement with a water jacket fed from the discharge of the pump ensures almost silent operation. This makes them uniquely suitable for pumping applications where noise is critical during operation. SME motors are robust and reliable in the toughest of environments. Our flexible design capabilities mean we can manufacture Water Cooled Motors to suit most applications. Our range of motors include Flexible Interface Dimensions to suit all requirements and provide the possibility of “Drop In‘’ replacement motors. We offer a variety of Construction Materials from Cast Iron, SS316 Grade Stainless Steels as Standard to Exotic Stainless Steel Alloys to ensure long term reliability in varied environments whilst still offering the advantages of excellent performance. Motors can be offered with a variety of Interfaces for a broad range of Pump types — from Standard NEMA P Base and IEC frames to unique Flange and shaft arrangements. SME can provide Water Cooled Motors with robustly engineered bearing arrangements to ensure pump thrust loads are absorbed adequately to guarantee long term operation. SME can design and manufacture from the “Lamination Up” to ensure the Motor is ideally suited for the application. This bespoke Manufacturing policy ensures we can meet any special design requirements. SME can build motors from small Kilowatt Motors right through to large outputs in the Megawatts and above to ensure we meet all requirements. SME Submersible Motors can be manufactured in all voltages from 110V through to 6600V at 50Hz or 60Hz, or for use with Variable Speed Drives. Due to SME’s flexible manufacturing systems we can offer motors in water or oil filled constructions. Motors can be provided for internally balanced or header tank installations. SME’s extensive testing facilities ensure we can test these Water Cooled Motors at rated Voltage and Frequency. This testing can also involve Hydraulic Performance testing on a customers pump in our Test tank. Full string testing involving the Drives, Control Gear, Motor and Driven equipment can also be organised. Submersible Motor Engineering’s extensive Service Capability also ensures we are the best location for Service and Refurbishment of Water Cooled Motors of any manufacturer. Quite often SME can return motors to their clients in a better than new condition due to our ability to implement the latest Engineering Practices into the repair process.
SUBSEA PUMPS.
SME design and manufacture a world leading range of Electric and Hydraulically Driven Subsea Pumps. These are designed to operate as Heavy Duty Jetting Pumps on Subsea Trenchers and Ploughs, Subsea Dredging and Excavation Equipment. SME Pumps are robust and reliable in the toughest of environments. Our flexible design capabilities mean we can manufacture Subsea Pumps to suit most applications. Our range of motors allow Flexible External Dimensions to suit all requirements and provide the possibility of “Drop In‘’ replacement units. We offer a variety of Construction Materials from Anodised Aluminium to Exotic Stainless Steel Alloys to ensure long term reliability in varied environments whilst still offering the advantages of light weight design. SME can design and manufacture from “raw material up” to ensure the Motor and Pump is ideally suited for the application. This bespoke Manufacturing policy ensures we can meet any special design requirements. SME can build motor and pumps from Fractional Kilowatt Motors right through to large outputs in the Megawatts and above to ensure we meet all requirements. SME Electrically Driven Subsea Pumps can be manufactured in all voltages from 24V through to 6600V at 50Hz or 60Hz, or for use with Variable Speed Drives. Due to SME’s proprietary Insulation System motors up to 4160V can be built with a Random Winding to reduce size and weight whilst losing nothing in terms of reliability. This insulation system is specifically engineered to ensure suitability of operation in Hydraulic Oil or many of the Bio-Degradable Oils commonly used for Compensation circuits. All pumps are designed for external compensation allowing for operation at depths as much as 4000M. The Motors can also be offered with Cooling circuits to ensure high output motors maintain minimal operating temperatures at Full Load. SME Motors are fitted with Water Detection Probes and Temperature Detectors and these can be terminated to a variety of different Subsea Connectors. Power can be supplied to the motors through Subsea Connectors or Highly reliable Oily Tube Connections. SME’s extensive testing facilities ensure we can test these Subsea Pumps at rated Voltage and Frequency. This testing includes involve Hydraulic Performance/Relibility testing on a HPU or Job Specific Electrical Supply at rated Voltage and Frequency in our Test tank. Full string testing involving the Drives, Control Gear, Motor and Driven equipment can also be organised. Submersible Motor Engineering’s extensive Service Capability also ensures we are best location for Service and Refurbishment of Subsea Motors and Pumps of any manufacturer. Quite often SME can return motors and pumps to their clients in a better than new condition due to our ability to implement the latest Engineering Practices into the repair process.
Contact us to discuss your submersible subsea electric motors, ROV motors, HPUs, and motor pump sets.
SILVERCREST / SME. Tel: (+44) 1285.760620. Email: sales@SilvercrestSubmarines.com or Email: sales@SilvercrestSubmarines.co.uk
SILVERCREST / SME. Tel: (+44) 1285 760620 Email: sales@Silvercrestsubmarines.com
STAINLESS STEEL MOTORS
Stainless Steel motors are required by the following industries:
TEMA Stainless Steel motors are designed and manufactured to operate in extreme conditions with high ambient temperatures, high humidity, water, and steam, etc. These motors are IP67 as standard and can run under water! All the motors are tested under water before they are shipped from the factory to ensure that they are completely air and water tight. The motors have a specially designed assembly arrangement which avoids the use of through bolts or endshield bolts. The outer surfaces of the motors are completely smooth to make it easier to clean and wash away any dirt or food scraps that might collect on them.
The motors can be manufactured in 302, 304, or 316 Stainless Steel. Standard motors are produced in SS304 for a long service life with no corrosion. The shafts are made from SS420 as standard.
The motors can be supplied in TENV (Totally Enclosed Non Ventilated) form with no fan, with fan cowl, or TEFC (Totally Enclosed Fan Cooled) with a fan and stainless fan cowl. The TENV motors are more popular as they are easier to clean. (It is difficult to clean under the fan cowl without removing it).
These motors can be supplied with IE2 (Eff1 or MEPS2) or IE3 Efficiency levels and have been tested to IEC60034.2.1:2007 Method A.
These motors have also been tested and certified by CSA for sale in North America and comply with the requirements for Premium Efficiency. The motors have a low temperature rise. Typically the external temperature for an SSP802-4 0.75kW TENV motor will be less than 60 Deg.C. after one hour on full load, and a TEFC motor will be less than 50 Deg.C.
All motors with a connection box are supplied with 150 Deg.C. thermistors in the windings. The motors without a connection box do not have thermistors.
All the motors are suitable for use with Invertors, and can be wound with special Inverter duty wire if requested.
The motors are available in standard IEC frames from 63 to 160 in B3, B5, B35, and B14 configurations. The standard B3 foot mount motors can be easily modified to B5 or B14 for coupling to a suitable gearbox. The motors can also be produced to fit special OEM non standard gearboxes such as SEW and Flender.
The standard Foot mount B3 motor can be easily modified to B3/B5 or B3/B14 by adding a separate flange ring. Likewise a B5 motor can be quickly and easily modified to be B14.
The motors are fitted with special NTN Blue Seal bearings, as standard, which are suitable for a very wide range of temperatures with very low friction losses. The drive end is sealed with two modified PTFE oil seals, with a very low friction coefficient, and the shaft is induction hardened to ensure a long service life.
All motors are fitted with one metre of cable, and tested under water as part of the standard routine testing of these motors. Provided that the connection box lid is not removed after the motors are shipped TEMA can guarantee that the motors are completely air and water tight. This means that condensation will not be able to form inside the motors, and that water, or steam, will not be able to enter the motors.
Stainless Steel motors are more expensive than standard cast iron or aluminium frame motors, but we are sure that the TOTAL COST OF OWNERSHIP for these motors is much less than standard motors. Standard motors do not last very long when subjected to steam cleaning or hot water chemical cleaning every day. When the motors fail the cost of the downtime and lost production can often be much more than the extra cost of a Stainless Steel motor.
The expected life of a Stainless Motor is at least 15 years, so these motors should never fail under normal operating conditions, while a standard motor might only last 6 months.
Standard motors are usually painted and it is not uncommon for flakes of paint to break free, when the motor starts to corrode, and contaminate the food being processed. This is another advantage of stainless steel motors. There is no paint to break off.
Pictures show our stainless steel motors working at food processing plants.
SILVERCREST / SME. Tel: (+44) 1285 760620 Email: sales@Silvercrestsubmarines.com
“Excellence” in the manufacture of “quality” Subsea Electric Motors. We offer Subsea Electric Motors. Full Range of Speed Options. All Voltages and Frequencies. All Construction Options from Anodised Aluminium to Exotic Metal Alloys. Extensive Electrical and Hydraulic Testing Facility. Engineered Motor Solutions for Complex Applications . World Leaders in the Design, Manufacture, and Supply of Subsea electric motors. Over 2000 motors delivered and operating worldwide.
Contact us today: Email. sales@silvercrestsubmarines.co.uk
SME products have been designed and developed utilising many years of operating and service experience with submersible motors and subsea motors.
SME are a quality assured company and are certified to ISO 9001 by SGS for “Design, development, manufacture and testing of submersible subsea electric motors”.
SME produce their motors under a rigorous QA procedure to ensure that all motors are supplied in a “Quality and Reliability Assured” condition. In addition to ensuring the motors are supplied in excellent condition, SME believe it is their responsibility to try to ensure that the end users get many years of reliable life from their SME motors.
At SME we try to help the end user – not just sell them a motor in a box. We offer the services of experienced commissioning engineers to go to site and ensure the motors are installed, commissioned, and protected correctly. We also offer full 24 hour service and testing facilities.
At SME we are continually working to improve the performance of our products and for this reason we reserve the right to make changes without notice to any of the data in this brochure.
Please contact us direct for confirmation of any drawings dimensions or performance data.
SME SUBSEA MOTORS
SME can design and build Subsea motors to suit any requirements, due to our totally flexible design capabilities:
Flexible External Dimensions to suit all applications. Dimensions to allow drop in replacement of existing units. Anodised aluminium, or, 316 stainless steel or more exotic materials, such as Duplex.
Power drive to load using an output shaft with a standard coupling, or, close coupled. Single drive shaft, or, a drive shaft at both ends, double shaft extension.
SME can design and build a motor with a completely new lamination to meet special design requirements, if necessary.
SME design their motors so they do not run hot. Typical motors can run on deck for at least ten minutes on full load, with no cooling, without overheating. The motors are designed to be compact in size and suitable for heavy-duty applications, like trenching.
If weight is important, SME can design the motor for minimum weight by utilising an aluminium construction and a hollow motor shaft, while still ensuring the motor is generously rated for full load operations. If the motor is going to drive a hydraulic pump we recommend a close-coupled arrangement to save the weight of the coupling and the coupling housing.
SME can design and build motors for all voltages from 24 volts to 6600V with 50Hz or 60Hz frequencies, or for VVF requirements. High Voltage motors can have random wound stator windings, or formed coils, depending on space and weight constraints. The winding wire for the High Voltage motors is double insulated and passes a twisted wire test at 16,000 volts and is rated up to 155 Deg.C. All windings are designed to keep ‘turn to turn’ voltage to a minimum. All winding materials and cables are specially selected to be suitable for use in hydraulic oils.
In general, SME Subsea motors have low loss lamination steel (3 watts/kg), which allows for higher flux densities, and less heat, with less materials and weight.
All motors are oil filled and we recommend hydraulic oils for good lubrication characteristics in preference to electrical oil ( which has better di-electric capabilities, but worse lubrication capabilities).
If motors are going to drive a water pump, SME can design the motor to take the thrust load from the pump and keep the sea water out of the motor with a single or double mechanical seal arrangement.
Small thruster motors can be designed and built for voltage/speed control, which is a relatively simple speed control system and can be built with a thrust bearing incorporated to take the thrust load from the impeller.
To ensure the integrity of the motor housing, SME does not use castings. All components are machined from solid or from extrusions. The external aluminium components are typically 6061 T6 marine grade aluminium and hard anodized to a military specification.
All ball bearings are from well known brands such as SKF, FAG, or NSK. Oil seals are high temperature and typically made from Viton. Mechanical seals are typically Burgmann.
All hardware used on SME Subsea motors is 316SS.
All fixing holes are blind. Oil in and out fittings and the stator pack-fixing bolt, if applicable are sealed with O rings.
The preferred power cable entry system for SME motors is to use an “oily tube” connected to an adaptor, which is part of an oil tight rubber gland that is fixed to the stator frame.
SME do not recommend bringing the power cables through the end-shields of the motor as this creates additional complications when the motors are stripped down during service (because the end-shields cannot be readily removed from the stator). Subsea connectors can be offered as an alternative to the Oily Tube if requested.
SME strongly recommend that the motors are fitted with PT100s fitted in the windings and also to the bearings. The internal motor temperatures are monitored and set up to alarm if the temperatures rise above a safe temperature. SME can also offer additional protection with a water detector. The auxiliary connections for PT100s, can be made through standard high pressure, water tight, plug and sockets as, supplied by “Subconn”, “Impulse”, and “Burton”. These are also fitted to a connection block on the stator, not on the end shield.
All finished motors are pressure tested to ensure they are “oil tight” and suitable for compensated operation down to 4000 metres.
All motors are rated for continuous operation and all prototype motors are full load performance tested at rated voltage and rated frequency to confirm their performance characteristics. All motors can be issued with a “Type Test Certificate” or even full load tested at additional cost, if required.
SME can offer to arrange for hydraulic pumps to be set up and tested on the motors at rated voltage and frequency.
SME can offer to supply Hydraulic Power Units, “complete”, with the addition of customer specified Hydraulic Pump.
SME Subsea motors can be designed and built for all subsea applications, such as ROVs, Trenchers, Ploughs, Submarines and Dredges.
All brands of Subsea motor can be serviced, repaired and tested by SME. In some cases the original motors can be significantly upgraded. If you are having problems with your existing Subsea motor please contact SME – we are ready and able to provide assistance and we are very price competitive.
APPLICATIONS Driven equipment can include: Hydraulic Pumps: For ROV Hydraulic Power Units, Subsea Robotics, Thrusters, etc. Water Pumps: For Jetting Systems, Hull Cleaning, Trenching and Pipe and Cable Laying Equipment, Pipe Pressurisation, Dredging, etc. Propellers/Impellers: For Remotely Operated Vehicle Thrusters, Manned Submarine Thrusters, Mass Flow Excavation, etc. Gearboxes: For Subsea Winches, Cable Tensioners and De-reelers. Fish Pumps.
MATERIALS OF CONSTRUCTION SME can manufacture Subsea Motors in Aluminium (Grade 6061 T6), Stainless Steel(Grade 316), Duplex (SAF2205), Super Duplex (SAF2507) and other more exotic materials.
VOLTAGES Motors are available in AC Voltages from 24V to 6600V. Motors up to 4160V in Random Wound Designs. Above 4160V motors are manufactured using a Formed Coil system. Special random wound design motors may be available above 4160V for specific applications.
DEPTH RATING All SME's Subsea Electric Motors are designed for external compensation and have been used at depths of more than 4000M. Compensation advice can be provided on request.
SPEED Motors are available in a variety of speeds at both 50Hz and 60Hz. Synchronous speed at different numbers of poles. (Hz) 2P 4P 6P 8P 10P 12P 50 3000 1500 1000 750 600 500 60 3600 1800 1200 900 720` 600 Lower speed ratings are available on application. Motors are suitable for operation Using variable speed drives and SME can provide advice on variable speed drive operation if requested.
INSTRUMENTATION SME Subsea Motors are available with a range of instrumentation: Bearing and Winding Temperature Monitoring Water Ingress Detection Pressure Transducer Resolvers and Encoders Tachometers
COOLING Motors are generally designed to operate with no additional cooling other than the ambient water temperatures but in some cases external cooling may be required. SME can provide motors with closed loop cooling circuits or motors that are suitable for use with externally fed cooling circuits.
ELECTRICAL CONNECTIONS SME Subsea Motors use an oily tube termination for all power connections as standard. However, appropriately sized and rated Subsea connectors can be used as an alternative, either a Bulkhead Connection on the motor, or as part of a fixed Flying Lead Termination. Instrumentation is generally terminated using a variety of Subsea Connectors. Customers are free to specify their Connectors of choice.
MECHANICAL INTERFACE Motors are design built to suit the application and SME can supply a broad range of interfaces from direct coupled arrangements to the use of separate coupling housings. SHAFTS: Female and Male Spline Shafts, Internal and External Keyed Shafts. FLANGES: NEMA, IEC, SAE, DIN Standards are all available as well as unique requirements. Motors can be provided with Double Ended Arrangements to drive multiple loads.
MOTOR MOUNTING Motors can be provided with various Mounting arrangements including Feet, Flanges, Brackets, or Clamping. In most cases SME can match the mounting interfaces of units being replaced to ensure ease of installation in existing equipment. Motors can be manufactured for Horizontal or Shaft Up or Down installation.
COMPENSATION REQUIREMENTS Motors are built to utilise external compensation. Motors are fitted with oil in and out ports as well as several bleed points to facilitate easy plumbing. Fittings can be provided with BSP, NPT or JIC and other fittings with both straight and tapered threads to provided uniformity on the installation. There are a vast range of acceptable compensation fluids and SME can provide advice in the suitability of various oils. SME MOTOR RANGE
SME is able to provide many and varied Subsea Motors to suit specific applications. Please contact us to discuss your requirements.
SUBSEA PUMPS SME design and manufacture a world leading range of Electric and Hydraulically Driven Subsea Pumps. These are designed to operate as Heavy Duty Jetting Pumps on Subsea Trenchers and Ploughs, Subsea Dredging and Excavation Equipment. SME Pumps are robust and reliable in the toughest environments. Our flexible design capabilities mean we can manufacture Subsea Pumps to suit most applications.
We offer a variety of Construction Materials from 316 grade Stainless Steel to Exotic Stainless Steel Alloys, with nickel aluminium bronze impellers.
SME Electrically Driven Subsea Pumps can be manufactured in all voltages from 380V through to 6600V at 50Hz or 60Hz, or for use with Variable Speed Drives.
All pump motors are designed for external compensation allowing for operation at depths as much as 4000M. The Motors can also be offered with Cooling circuits to ensure high output motors maintain minimal operating temperatures at Full Load.
TESTING SME‘s West Australian facility, located in Perth, provides for an extensive testing regime for repaired and overhauled motors. SME can full load test motors on our dynamometers and can also offer performance testing of complete pump/motor units in our purpose built test tank – at the specified voltage and frequency up to 6600 volts.
SME can guarantee motors that have been serviced and repaired are fit for purpose before dispatch, providing customers with complete confidence in the work prior to re-installation. All motors that re rewound by SME are subject to an immersion pressure test which is conducted in our pressure test vessel to ensure the integrity of the windings prior to assembly and load testing. Our commitment to a strict testing regime protects our clients from the risks of downtime caused by unexpected failure.
Our Factory offers the following equipment: High Voltage Transformers 1000/2400/3300/4160/6600V High Current Voltage Regulator Dynamometer Load Test Equipment 300kW/2600kW Power Generation 350kVA/1350kVA 15kV Hi Pot and Surge Tester Subsea Pump Testing Facilities
SME COMPANY PROFILE Submersible Motor Engineering Pty Ltd is an Australian Company that designs and manufactures Submersible and Subsea Electric Motors for Global Markets. SME has the ability to design and produce specialist electric motors for complex applications, in many cases for a “one off” requirement. SME should be the company of choice to work with to provide High Quality Engineered Solutions for your Subsea Motor requirements. SME offers a Repair, Rewind Modification, and Technical Support Service, in Perth, and in Phoenix. With a new facility soon to be opened in the United kingdom. Our facilities ensure that we can handle any job we are confronted with, regardless of complexity. Our purpose built testing facility ensures absolute confidence in workmanship and reliability for our clients.
When it comes to Sales and Service of Submersible and Subsea Motors, SME’s range of Worldwide Locations ensures that we can provide excellent service and technical support on our own SME range of products, but also the products from all other manufacturers of Subsea Motors.
SILVERCREST / SME. Tel: (+44) 1285 760620 Email: sales@Silvercrestsubmarines.com
Subsea Electric Motors & ROV Electric Motors.
Submersible Motor Engineering design, manufacture, and supply, Submersible Electric Motors for Deep Well Pumps, Subsea Electric Motors and Submersible Electric Motors for Sump pumps, and any special purpose submersible electric motor requirements. SME also offer Subsea Electric Generators for Tidal and River Power Generation. SME has extensive service, repair, maintenance and testing capabilities, at our purpose built facilities in Australia, United Kingdom and the USA. SME can provide solutions for any submersible or subsea electric motor applications– from design and specification through to servicing, repair and/or replacement. Our experience and commitment to quality allows our clients complete confidence that their requirements are in the best possible hands. Submersible Motor Engineering Pty Ltd is an Australian Company that designs and manufactures Submersible and Subsea Electric Motors for a Global Market. SME has the ability to design and produce specialist electric motors for complex applications, in many cases for a “1 off” requirement. SME should be the company of choice to work with to provide High Quality Engineered Solutions for your Submersible and Subsea Motor requirements. SME offers a Repair, rewind, Modification and Technical Support Service in Perth and in Phoenix. Our facilities ensure that we can handle any job we are confronted with, regardless of complexity. Our purpose built testing facility ensures absolute confidence in workmanship and reliability for our clients. When it comes to Sales and Service of Submersible and Subsea Motors, SME’s extensive range of Worldwide Locations ensures that we can provide Excellent Service and Technical Support on our own SME range of products, but also the products from all other manufacturers of Submersible Motors or Subsea Motors. SME design and manufacture a world leading range of Subsea Electric Motors, including motors for HPU’s on ROV‘s, Electric Thrusters for Manned Submarines, and Heavy Duty Jetting Pumps on Subsea Trenchers. SME motors are robust and reliable in the toughest of environments. Our flexible design capabilities mean we can manufacture Subsea Motors to suit any application. Our range of motors allow Flexible External Dimensions to suit all requirements and provide the possibility of “Drop In‘’ replacement motors. SME have produced over l00 different types of Subsea motors and thousands of motors. We offer a variety of Construction Materials from Anodised Aluminium to Exotic Stainless Steel Alloys to ensure long term reliability in varied environments whilst still offering the advantages of light weight design. To ensure the integrity of the motors SME does not use castings and all components are manufactured from solid metal or extrusions. Motors can be offered with a variety of Interfaces for Driven Equipment — from Robust Shafts with Multiple Shaft Seals to Close Coupled Motors with Female Spline Hubs to allow direct fitment of Hydraulic Pumps. SME can design and manufacture from the “Lamination Up” to ensure the Motor is ideally suited for the application. This bespoke Manufacturing policy ensures we can meet any special design requirements. SME can build motors from Fractional Kilowatt Motors right through to large outputs in the Megawatts and above to ensure we meet all requirements. SME Subsea Motors can be manufactured in all voltages from 24V through to 6600V at 50Hz or 60Hz, or for use with Variable Speed Drives. Due to SME’s proprietary Insulation System motors up to 4l60V can be built with a Random Winding to reduce size and weight whilst losing nothing in terms of reliability. This insulation system is specifically engineered to ensure suitability of operation in Hydraulic Oil or many of the Bio-Degradable Oils commonly used for Compensation circuits. All motors are designed for external compensation allowing for operation at depths as much as 4000M. The Motors can also be offered with Cooling circuits to ensure high output motors maintain minimal operating temperatures at Full Load. SME Motors are fitted with Water Detection Probes and Temperature Detectors and these can be terminated to a variety of different Subsea Connectors. Power can be supplied to the motors through Subsea Connectors or Highly reliable Oily Tube Connections. SME’s extensive testing facilities ensure we can test these Subsea Motors at rated Voltage and Frequency. This testing can also involve Hydraulic Load testing on a HPU or Flow and Pressure Testing of Jetting Pumps in our Test tank. Full string testing involving the Drives, Control Gear, Motor and Driven equipment can also be organised. Submersible Motor Engineering’s extensive Service Capability also ensures we are the best location for Service and Refurbishment of Subsea Motors of any manufacturer. Quite often SME can return motors to their clients in a better than new condition due to our ability to implement the latest Engineering Practices into the repair process. Service And Repair Of Submersible Electric Motors SME has extensive service, repair, maintenance and testing capabilities, at our purpose built facilities in Australia, United Kingdom and the USA. SME can provide a solution for submersible electric motors – from design and specification through to servicing, repair and/or replacement. Our experience and commitment to quality allows our clients complete confidence that their requirements are in the best possible hands. SME specialises in minimizing downtime for critical application submersible electric motors by providing an efficient and cost effective mechanical repair and rewinding service at our ISO 9001 accredited facilities. Our experienced technicians are proficient at working with all brands of submersible electric motors and can quickly return motors back to service. We also maintain detailed records of motor failures across all brands which assist with plant management. SME is well qualified to offer advice to prevent future faults. Motor Modification SME can modify and upgrade all brands of submersible electric motors during the repair and servicing process to meet the requirements of any application. These modifications can include changing materials, adding temperature sensors, re-design to suit different voltages and frequencies, applying protective coatings, offering extended cable lengths and splicing cables, replacing damaged, corroded, or worn parts and other application specific alterations. SME has the “in house” machining and fabrication capabilities to manufacture obsolete parts ensuring maximum life for motors are achieved. In-Field Support SME can provide a number of site support services to ensure the reliability and performance of our clients‘ submersible motors. Our experienced field service engineers can provide installation, commissioning, fault finding supervision, and training. Testing SME‘s West Australian facility, located in Perth, provides for an extensive testing regime for repaired and overhauled motors. SME can full load test motors on our dynamometers and can also offer performance testing of complete pump/motor units in our purpose built test tank – at the specified voltage and frequency up to 6600 volts. SME can guarantee motors that have been serviced and repaired are fit for purpose before dispatch, providing customers with complete confidence in the work prior to re-installation. All motors that are rewound by SME are subject to an immersion pressure test which is conducted in our pressure test vessel to ensure the integrity of the windings prior to assembly and load testing. Our commitment to a strict testing regime protects our clients from the risks of downtime caused by unexpected failure. SME design and manufacture a broad range of Submersible Electric Motors, including motors for variety of applications from Mine De-watering to Sea Water Lift Pumps. SME motors are robust and reliable in the toughest of environments. Our flexible design capabilities mean we can manufacture Submersible Motors to suit most applications. Our range of motors include Flexible Interface Dimensions to suit all requirements and provide the possibility of “Drop In‘’ replacement motors. We offer a variety of Construction Materials from Cast Iron, SS316 Grade Stainless Steels as Standard to Exotic Stainless Steel Alloys to ensure long term reliability in varied environments whilst still offering the advantages of excellent performance. Motors can be offered with a variety of Interfaces for a broad range of Pump types — from Standard NEMA and IEC frames to unique Flange and shaft arrangements with Multiple Shaft Seals. SME can design and manufacture from the “Lamination Up” to ensure the Motor is ideally suited for the application. This bespoke Manufacturing policy ensures we can meet any special design requirements. SME can build motors from small Kilowatt Motors right through to large outputs in the Megawatts and above to ensure we meet all requirements. SME Submersible Motors can be manufactured in all voltages from 110V through to 6600V at 50Hz or 60Hz, or for use with Variable Speed Drives. Due to SME’s flexible manufacturing systems we can offer motors in water or oil filled constructions. Motors can be provided for internally balanced or header tank installations. SME’s extensive testing facilities ensure we can test these Submersible Motors at rated Voltage and Frequency. This testing can also involve Hydraulic Performance testing on a customers pump in our Test tank. Full string testing involving the Drives, Control Gear, Motor and Driven equipment can also be organised. Submersible Motor Engineering’s extensive Service Capability also ensures we are the best location for Service and Refurbishment of Submersible Motors of any manufacturer. Quite often SME can return motors to their clients in a better than new condition due to our ability to implement the latest Engineering Practices into the repair process. SPECIFICATION FOR SUBMERSIBLE AND SUBSEA MOTORS.TYPE OF MOTORStandard Water FilledSubmersible, water tight, and water filled, with double insulated wire and capable of continuous operation at nameplate power under water in a maximum water temperature of 35 Deg.C. without de-rating, and suitable for “Direct on Line” starting. Six lead motors for “Star/Delta” starting are available as an option. Heat Exchanger Water FilledSubmersible, water tight, and water filled, with double insulated wire and capable of continuous operation at nameplate power under water in a maximum water temperature of 55 Deg.C. without de-rating, and suitable for “Direct on Line” starting. Six lead motors for “Star/Delta” starting are available as an option. This motor is recommended for high ambient water temperatures and for extended motor life due to the reduced winding temperatures. Oil Filled.Submersible, water tight, and oil filled, with double insulated wire and capable of continuous operation at nameplate power under water in a maximum water temperature of 30 Deg.C. without de-rating, and suitable for “Direct on Line” starting. This motor is recommended for very cold water where there is a probability that the water (in a water filled motor) might freeze. MOTOR RATINGAll motors are rated for continuous duty (S1) at nominated voltage and frequency. WATER COOLINGCooling water flow rate must exceed 0.5 feet/sec or 0.15 metres/sec. The maximum flow rate must not exceed 10 feet/sec or 2.5 rri/sec. The pH level should be between 6.5 and 8.0. WATER FILLEDThe motors are filled with 90% water and 10% propylene-glycol as standard, but some cold weather markets require 70/30 or even 50/50 ratios to prevent the water from freezing. Clean tap water is the preferred water type. (Oil filled motors are filled with a food grade oil). MATERIALSStandard motors have epoxy painted cast iron ends with a 316 Stainless Steel stator frame and 316 hardware. For aggressive water all external metal components are 316 Stainless Steel. (Duplex, Super Duplex and Ni Al Bronze motors can also be supplied). PRESSURE COMPENSATIONPressure compensation is managed by using a suitably sized Neoprene bellows to allow for expansion of the internal water as it heats up – or – from external pressure due to the depth of submergence. SEALSAll motors are fitted with a mechanical seal on the drive end and a stainless steel slinger to prevent external water and foreign material from entering the motor. The seal faces are Silicon Carbide / Silicon Carbide. Some motors can be supplied with double mechanical seals – on request. BEARINGSHydrodynamic carbon sleeve bearings are fitted at both ends of the motor. They are water lubricated, with a large surface area to DOWN THRUST BEARINGAll the Down-Thrust bearings are Kingsbury style, with hardened and lapped cast stainless steel pivot shoes and a wear resistance carbon/antimony carbon disc. UPTHRUST BEARINGUp-Thrust bearings are carbon, or, cloth and resin based wear material. BALANCINGRotors are balanced to less than 1mm/sec in all planes when measured on No Load. LAMINATION STEELAll motors use low loss cold rolled silicon lamination steel with a core loss of 3 Watts/kg at 50 Hz and 1.5T. WINDING WIREStandard winding wire is PEI2 Copper with a continuous watertight polypropylene covering and nylon overcoat for additional mechanical protection. TestingAll motors are Type Tested and Test Reports can be supplied for individual motors to customer requirements. Temperature rise tests must be conducted while the motor is immersed and subjected to a continuous stream of cooling water – usually as part of a pump test. The temperatures inside the motor, and of the cooling water, are monitored and recorded. WINDINGSAfter the stator leads have been fitted the whole stator is submerged in water and pressurised to 30 psi for 30 minutes and then Hi-Pot tested at 2,500 Volts (for 415V and 460V motors while still at 30-psi pressure. The results are recorded. Please note – this is a “one of” factory test. Future Hi-Pot tests should be done at reduced voltages. COMPLETE MOTORThe winding of the complete motor after filling with water/glycol is “Meggered”, (Insulation Resistance Test), and the resistance at 3000 volts, (for 415V motors), should exceed 1000 M0hm. Please note – this is a “one off factory test. Future “Megger” tests should at 1,000 or 500 Volts. NO LOADThe complete motor is run on No Load and the No Load currents, No Load voltages, and the “Run down time“ are recorded. The vibration levels are also measured at both ends of the motor and in both planes. FULL LOAD TESTAll motors can be Full Load Performance Tested for Efficiency, Power Factor, Speed, and Temperature Rise. All calculations are in accordance with IEC Standards. In addition 4 PTl00s are fitted and monitored inside the motor during testing – one in the proximity of the thrust bearing, one in the centre of the stator pack in a stator slot, and one each on the end winding on the drive end and non drive end. LOCKED ROTOR TESTAll motors can be locked rotor tested to determine the locked rotor current and the locked rotor torque. This test may be done on reduced voltage and a number of points plotted to extrapolate the full load condition. MECHANICAL TESTSThe runout for the shaft and the flange spigot are measured and recorded. The dimensions of the shat, flange spigot, shaft projection, thrust clearance, and shaft deflection, should also measured and recorded. SME design and manufacture a world leading range of Subsea Electric Motors, including motors for HPU’s on ROV‘s, Electric Thrusters for Manned Submarines, and Heavy Duty Jetting Pumps on Subsea Trenchers. SME motors are robust and reliable in the toughest of environments. Our flexible design capabilities mean we can manufacture Subsea Motors to suit any application. Our range of motors allow Flexible External Dimensions to suit all requirements and provide the possibility of “Drop In‘’ replacement motors. SME have produced over l00 different types of Subsea motors and thousands of motors. We offer a variety of Construction Materials from Anodised Aluminium to Exotic Stainless Steel Alloys to ensure long term reliability in varied environments whilst still offering the advantages of light weight design. To ensure the integrity of the motors SME does not use castings and all components are manufactured from solid metal or extrusions. Motors can be offered with a variety of Interfaces for Driven Equipment — from Robust Shafts with Multiple Shaft Seals to Close Coupled Motors with Female Spline Hubs to allow direct fitment of Hydraulic Pumps. SME can design and manufacture from the “Lamination Up” to ensure the Motor is ideally suited for the application. This bespoke Manufacturing policy ensures we can meet any special design requirements. SME can build motors from Fractional Kilowatt Motors right through to large outputs in the Megawatts and above to ensure we meet all requirements. SME Subsea Motors can be manufactured in all voltages from 24V through to 6600V at 50Hz or 60Hz, or for use with Variable Speed Drives. Due to SME’s proprietary Insulation System motors up to 4l60V can be built with a Random Winding to reduce size and weight whilst losing nothing in terms of reliability. This insulation system is specifically engineered to ensure suitability of operation in Hydraulic Oil or many of the Bio-Degradable Oils commonly used for Compensation circuits. All motors are designed for external compensation allowing for operation at depths as much as 4000M. The Motors can also be offered with Cooling circuits to ensure high output motors maintain minimal operating temperatures at Full Load. SME Motors are fitted with Water Detection Probes and Temperature Detectors and these can be terminated to a variety of different Subsea Connectors. Power can be supplied to the motors through Subsea Connectors or Highly reliable Oily Tube Connections.
SME’s extensive testing facilities ensure we can test these Subsea Motors at rated Voltage and Frequency. This testing can also involve Hydraulic Load testing on a HPU or Flow and Pressure Testing of Jetting Pumps in our Test tank. Full string testing involving the Drives, Control Gear, Motor and Driven equipment can also be organised. Submersible Motor Engineering’s extensive Service Capability also ensures we are the best location for Service and Refurbishment of Subsea Motors of any manufacturer. Quite often SME can return motors to their clients in a better than new condition due to our ability to implement the latest Engineering Practices into the repair process.
Water Cooled MotorsSME design and manufacture a range of Water Cooled Electric Motors to provide a alternative to Standard Air Cooled Vertical Hollow and Solid Shaft Motors,these motors are for variety of line shaft turbine applications. The removal of the forced air cooling and replacement with a water jacket fed from the discharge of the pump ensures almost silent operation. This makes them uniquely suitable for pumping applications where noise is critical during operation. SME motors are robust and reliable in the toughest of environments. Our flexible design capabilities mean we can manufacture Water Cooled Motors to suit most applications. Our range of motors include Flexible Interface Dimensions to suit all requirements and provide the possibility of “Drop In‘’ replacement motors. We offer a variety of Construction Materials from Cast Iron, SS316 Grade Stainless Steels as Standard to Exotic Stainless Steel Alloys to ensure long term reliability in varied environments whilst still offering the advantages of excellent performance. Motors can be offered with a variety of Interfaces for a broad range of Pump types — from Standard NEMA P Base and IEC frames to unique Flange and shaft arrangements. SME can provide Water Cooled Motors with robustly engineered bearing arrangements to ensure pump thrust loads are absorbed adequately to guarantee long term operation. SME can design and manufacture from the “Lamination Up” to ensure the Motor is ideally suited for the application. This bespoke Manufacturing policy ensures we can meet any special design requirements. SME can build motors from small Kilowatt Motors right through to large outputs in the Megawatts and above to ensure we meet all requirements. SME Submersible Motors can be manufactured in all voltages from 110V through to 6600V at 50Hz or 60Hz, or for use with Variable Speed Drives. Due to SME’s flexible manufacturing systems we can offer motors in water or oil filled constructions. Motors can be provided for internally balanced or header tank installations. SME’s extensive testing facilities ensure we can test these Water Cooled Motors at rated Voltage and Frequency. This testing can also involve Hydraulic Performance testing on a customers pump in our Test tank. Full string testing involving the Drives, Control Gear, Motor and Driven equipment can also be organised. Submersible Motor Engineering’s extensive Service Capability also ensures we are the best location for Service and Refurbishment of Water Cooled Motors of any manufacturer. Quite often SME can return motors to their clients in a better than new condition due to our ability to implement the latest Engineering Practices into the repair process. PumpsSME design and manufacture a world leading range of Electric and Hydraulically Driven Subsea Pumps. These are designed to operate as Heavy Duty Jetting Pumps on Subsea Trenchers and Ploughs, Subsea Dredging and Excavation Equipment. SME Pumps are robust and reliable in the toughest of environments. Our flexible design capabilities mean we can manufacture Subsea Pumps to suit most applications. Our range of motors allow Flexible External Dimensions to suit all requirements and provide the possibility of “Drop In‘’ replacement units. We offer a variety of Construction Materials from Anodised Aluminium to Exotic Stainless Steel Alloys to ensure long term reliability in varied environments whilst still offering the advantages of light weight design. SME can design and manufacture from “raw material up” to ensure the Motor and Pump is ideally suited for the application. This bespoke Manufacturing policy ensures we can meet any special design requirements. SME can build motor and pumps from Fractional Kilowatt Motors right through to large outputs in the Megawatts and above to ensure we meet all requirements. SME Electrically Driven Subsea Pumps can be manufactured in all voltages from 24V through to 6600V at 50Hz or 60Hz, or for use with Variable Speed Drives. Due to SME’s proprietary Insulation System motors up to 4160V can be built with a Random Winding to reduce size and weight whilst losing nothing in terms of reliability. This insulation system is specifically engineered to ensure suitability of operation in Hydraulic Oil or many of the Bio-Degradable Oils commonly used for Compensation circuits. All pumps are designed for external compensation allowing for operation at depths as much as 4000M. The Motors can also be offered with Cooling circuits to ensure high output motors maintain minimal operating temperatures at Full Load. SME Motors are fitted with Water Detection Probes and Temperature Detectors and these can be terminated to a variety of different Subsea Connectors. Power can be supplied to the motors through Subsea Connectors or Highly reliable Oily Tube Connections. SME’s extensive testing facilities ensure we can test these Subsea Pumps at rated Voltage and Frequency. This testing includes involve Hydraulic Performance/Relibility testing on a HPU or Job Specific Electrical Supply at rated Voltage and Frequency in our Test tank. Full string testing involving the Drives, Control Gear, Motor and Driven equipment can also be organised. Submersible Motor Engineering’s extensive Service Capability also ensures we are best location for Service and Refurbishment of Subsea Motors and Pumps of any manufacturer. Quite often SME can return motors and pumps to their clients in a better than new condition due to our ability to implement the latest Engineering Practices into the repair process.
SILVERCREST / SME. Email: sales@Silvercrestsubmarines.com
SUBSEA MOTORS. SME design and manufacture a world leading range of Subsea Electric Motors, including motors for HPU’s on ROV‘s, Electric Thrusters for Manned Submarines, and Heavy Duty Jetting Pumps on Subsea Trenchers. SME motors are robust and reliable in the toughest of environments. Our ?exible design capabilities mean we can manufacture Subsea Motors to suit any application. Our range of motors allow Flexible External Dimensions to suit all requirements and provide the possibility of “Drop In‘’ replacement motors. SME have produced over l00 different types of Subsea motors and thousands of motors. We offer a variety of Construction Materials from Anodised Aluminium to Exotic Stainless Steel Alloys to ensure long term reliability in varied environments whilst still offering the advantages of light weight design. To ensure the integrity of the motors SME does not use castings and all components are manufactured from solid metal or extrusions. Motors can be offered with a variety of Interfaces for Driven Equipment — from Robust Shafts with Multiple Shaft Seals to Close Coupled Motors with Female Spline Hubs to allow direct ?tment of Hydraulic Pumps. SME can design and manufacture from the “Lamination Up” to ensure the Motor is ideally suited for the application. This bespoke Manufacturing policy ensures we can meet any special design requirements. SME can build motors from Fractional Kilowatt Motors right through to large outputs in the Megawatts and above to ensure we meet all requirements. SME Subsea Motors can be manufactured in all voltages from 24V through to 6600V at 50Hz or 60Hz, or for use with Variable Speed Drives. Due to SME’s proprietary Insulation System motors up to 4l60V can be built with a Random Winding to reduce size and weight whilst losing nothing in terms of reliability. This insulation system is speci?cally engineered to ensure suitability of operation in Hydraulic Oil or many of the Bio-Degradable Oils commonly used for Compensation circuits. All motors are designed for external compensation allowing for operation at depths as much as 4000M. The Motors can also be offered with Cooling circuits to ensure high output motors maintain minimal operating temperatures at Full Load. SME Motors are ?tted with Water Detection Probes and Temperature Detectors and these can be terminated to a variety of different Subsea Connectors. Power can be supplied to the motors through Subsea Connectors or Highly reliable Oily Tube Connections.
SME’s extensive testing facilities ensure we can test these Subsea Motors at rated Voltage and Frequency. This testing can also involve Hydraulic Load testing on a HPU or Flow and Pressure Testing of Jetting Pumps in our Test tank. Full string testing involving the Drives, Control Gear, Motor and Driven equipment can also be organised. Submersible Motor Engineering’s extensive Service Capability also ensures we are the best location for Service and Refurbishment of Subsea Motors of any manufacturer. Quite often SME can return motors to their clients in a better than new condition due to our ability to implement the latest Engineering Practices into the repair process.
SUBMERSIBLE MOTORS.
SME design and manufacture a broad range of Submersible Electric Motors, including motors for variety of applications from Mine De-watering to Sea Water Lift Pumps. SME motors are robust and reliable in the toughest of environments. Our ?exible design capabilities mean we can manufacture Submersible Motors to suit most applications. Our range of motors include Flexible Interface Dimensions to suit all requirements and provide the possibility of “Drop In‘’ replacement motors. We offer a variety of Construction Materials from Cast Iron, SS316 Grade Stainless Steels as Standard to Exotic Stainless Steel Alloys to ensure long term reliability in varied environments whilst still offering the advantages of excellent performance. Motors can be offered with a variety of Interfaces for a broad range of Pump types — from Standard NEMA and IEC frames to unique Flange and shaft arrangements with Multiple Shaft Seals. SME can design and manufacture from the “Lamination Up” to ensure the Motor is ideally suited for the application. This bespoke Manufacturing policy ensures we can meet any special design requirements. SME can build motors from small Kilowatt Motors right through to large outputs in the Megawatts and above to ensure we meet all requirements. SME Submersible Motors can be manufactured in all voltages from 110V through to 6600V at 50Hz or 60Hz, or for use with Variable Speed Drives. Due to SME’s flexible manufacturing systems we can offer motors in water or oil filled constructions. Motors can be provided for internally balanced or header tank installations. SME’s extensive testing facilities ensure we can test these Submersible Motors at rated Voltage and Frequency. This testing can also involve Hydraulic Performance testing on a customers pump in our Test tank. Full string testing involving the Drives, Control Gear, Motor and Driven equipment can also be organised. Submersible Motor Engineering’s extensive Service Capability also ensures we are the best location for Service and Refurbishment of Submersible Motors of any manufacturer. Quite often SME can return motors to their clients in a better than new condition due to our ability to implement the latest Engineering Practices into the repair process.
SUBSEA PUMPS. SME design and manufacture a world leading range of Electric and Hydraulically Driven Subsea Pumps. These are designed to operate as Heavy Duty Jetting Pumps on Subsea Trenchers and Ploughs, Subsea Dredging and Excavation Equipment. SME Pumps are robust and reliable in the toughest of environments. Our ?exible design capabilities mean we can manufacture Subsea Pumps to suit most applications. Our range of motors allow Flexible External Dimensions to suit all requirements and provide the possibility of “Drop In‘’ replacement units. We offer a variety of Construction Materials from Anodised Aluminium to Exotic Stainless Steel Alloys to ensure long term reliability in varied environments whilst still o?ering the advantages of light weight design. SME can design and manufacture from “raw material up” to ensure the Motor and Pump is ideally suited for the application. This bespoke Manufacturing policy ensures we can meet any special design requirements. SME can build motor and pumps from Fractional Kilowatt Motors right through to large outputs in the Megawatts and above to ensure we meet all requirements SME Electrically Driven Subsea Pumps can be manufactured in all voltages from 24V through to 6600V at 50Hz or 60Hz, or for use with Variable Speed Drives. Due to SME’s proprietary Insulation System motors up to 4160V can be built with a Random Winding to reduce size and weight whilst losing nothing in terms of reliability. This insulation system is speci?cally engineered to ensure suitability of operation in Hydraulic Oil or many of the Bio-Degradable Oils commonly used for Compensation circuits. All pumps are designed for external compensation allowing for operation at depths as much as 4000M. The Motors can also be offered with Cooling circuits to ensure high output motors maintain minimal operating temperatures at Full Load. SME Motors are ?tted with Water Detection Probes and Temperature Detectors and these can be terminated to a variety of different Subsea Connectors. Power can be supplied to the motors through Subsea Connectors or Highly reliable Oily Tube Connections. SME’s extensive testing facilities ensure we can test these Subsea Pumps at rated Voltage and Frequency. This testing includes involve Hydraulic Performance/Relibility testing on a HPU or Job Specific Electrical Supply at rated Voltage and Frequency in our Test tank. Full string testing involving the Drives, Control Gear, Motor and Driven equipment can also be organised. Submersible Motor Engineering’s extensive Service Capability also ensures we are best location for Service and Refurbishment of Subsea Motors and Pumps of any manufacturer. Quite often SME can return motors and pumps to their clients in a better than new condition due to our ability to implement the latest Engineering Practices into the repair process.
Water Cooled Motors
SME design and manufacture a range of Water Cooled Electric Motors to provide a alternative to Standard Air Cooled Vertical Hollow and Solid Shaft Motors,these motors are for variety of line shaft turbine applications. The removal of the forced air cooling and replacement with a water jacket fed from the discharge of the pump ensures almost silent operation. This makes them uniquely suitable for pumping applications where noise is critical during operation. SME motors are robust and reliable in the toughest of environments. Our ?exible design capabilities mean we can manufacture Water Cooled Motors to suit most applications. Our range of motors include Flexible Interface Dimensions to suit all requirements and provide the possibility of “Drop In‘’ replacement motors. We offer a variety of Construction Materials from Cast Iron, SS316 Grade Stainless Steels as Standard to Exotic Stainless Steel Alloys to ensure long term reliability in varied environments whilst still offering the advantages of excellent performance. Motors can be offered with a variety of Interfaces for a broad range of Pump types — from Standard NEMA P Base and IEC frames to unique Flange and shaft arrangements. SME can provide Water Cooled Motors with robustly engineered bearing arrangements to ensure pump thrust loads are absorbed adequately to guarantee long term operation. SME can design and manufacture from the “Lamination Up” to ensure the Motor is ideally suited for the application. This bespoke Manufacturing policy ensures we can meet any special design requirements. SME can build motors from small Kilowatt Motors right through to large outputs in the Megawatts and above to ensure we meet all requirements. SME Submersible Motors can be manufactured in all voltages from 110V through to 6600V at 50Hz or 60Hz, or for use with Variable Speed Drives. Due to SME’s flexible manufacturing systems we can offer motors in water or oil filled constructions. Motors can be provided for internally balanced or header tank installations. SME’s extensive testing facilities ensure we can test these Water Cooled Motors at rated Voltage and Frequency. This testing can also involve Hydraulic Performance testing on a customers pump in our Test tank. Full string testing involving the Drives, Control Gear, Motor and Driven equipment can also be organised. Submersible Motor Engineering’s extensive Service Capability also ensures we are the best location for Service and Refurbishment of Water Cooled Motors of any manufacturer. Quite often SME can return motors to their clients in a better than new condition due to our ability to implement the latest Engineering Practices into the repair process.
Service And Repair Of Submersible Electric Motors SME has extensive service, repair, maintenance and testing capabilities, at our purpose built facilities in Australia, United Kingdom and the USA. SME can provide a solution for submersible electric motors – from design and speci?cation through to servicing, repair and/or replacement. Our experience and commitment to quality allows our clients complete con?dence that their requirements are in the best possible hands. SME specialises in minimizing downtime for critical application submersible electric motors by providing an ef?cient and cost effective mechanical repair and rewinding service at our ISO 9001 accredited facilities. Our experienced technicians are proficient at working with all brands of submersible electric motors and can quickly return motors back to service. We also maintain detailed records of motor failures across all brands which assist with plant management. SME is well quali?ed to offer advice to prevent future faults. Motor Modification SME can modify and upgrade all brands of submersible electric motors during the repair and servicing process to meet the requirements of any application. These modifications can include changing materials, adding temperature sensors, re-design to suit different voltages and frequencies, applying protective coatings, offering extended cable lengths and splicing cables, replacing damaged, corroded, or worn parts and other application specific alterations. SME has the “in house” machining and fabrication capabilities to manufacture obsolete parts ensuring maximum life for motors are achieved. In-Field Support SME can provide a number of site support services to ensure the reliability and performance of our clients‘ submersible motors. Our experienced ?eld service engineers can provide installation, commissioning, fault finding supervision, and training. Testing SME‘s West Australian facility, located in Perth, provides for an extensive testing regime for repaired and overhauled motors. SME can full load test motors on our dynamometers and can also offer performance testing of complete pump/motor units in our purpose built test tank – at the speci?ed voltage and frequency up to 6600 volts. SME can guarantee motors that have been serviced and repaired are ?t for purpose before dispatch, providing customers with complete confidence in the work prior to re-installation. All motors that are rewound by SME are subject to an immersion pressure test which is conducted in our pressure test vessel to ensure the integrity of the windings prior to assembly and load testing. Our commitment to a strict testing regime protects our clients from the risks of downtime caused by unexpected failure.
GENERAL INFORMATION ON SUBMERSIBLE ELECTRIC MOTORS.
Submersible electric motors are generally long and thin and designed to operate in a borehole coupled to a submersible multistage pump. In recent years the motors have been used in a number of different applications. Typical applications are: · Submersible pumps for water supply – drinking water and industrial water. · Booster pumps for high rise buildings. · Mine dewatering. · Dewatering for Civil Engineering Projects. · Irrigation. · Fire fighting and sprinkler systems. · Air conditioning systems. · Offshore oil rigs – sea water lift pumps for re-injection and cooling, ballast pumps, and fire pumps. · Water treatment plants. · Fountains. These motors, with multistage pumps attached, are designed to be lowered into a small diameter borehole to pump ground water. Typical bore holes have 4”, 6”, 8”, 10”, 12” and 14” internal diameters usually this is a steel or plastic pipe which is pushed into a hole after it is drilled to form the well liner or well casing. The motors are actually smaller than their dimensional name implies. The Inch dimension actually refers to the ID of the hole not the motor diameter. The motors need to be smaller than the hole to allow water to pass between the motor and the well liner and into the pump.
There are three different types of submersible motor:- Canned Type Water filled Type Oil filled Type Comparison of Features Type of Motor Type of Winding Rewind-able Size Reliability Acceptable for pumping drinking water Temp Rating of the Winding Ambient Temp of Water being pumped Canned Or Encapsul-ated Normal Enamel Wire – PEI2 No 4” 6” 8” Good Yes 90ºc Max 35 deg.C. Water Filled PVC Covered or PE / nylon Yes 6” 8” 10” 12” 14” 16” 18” 22” 26” Good Yes 90ºc Max 35 deg.C. Oil Filled Normal Enamel wire Yes 4” to 16” Not so Good Probably not 120º Max 35 deg.C. These parameters will vary between different manufactures. Note: Oil filled motors can be filled with a Vegetable oil, which is safe for human consumption, however most water Authorities do not want to take the risk of consumers complaining of oil in their water, which could happen if and when the oil leaks from the motor. Costs vs Reliability Canned type motors are slightly more expensive than oil filled or water filled motors. Oil filled motors in the smaller sizes are less expensive than water filled motors. Canned and water filled motors tend to be more reliable than the oil filled motors, because of the complexity of ensuring that the oil can expand and contract without escaping from the motor. Cooling and Good Water FlowThese motors rely on good water flow past the motor. Water flow velocity must be between 0.5 ft/sec. to 10 ft/sec. (15cm/sec to 300 cm/sec). If the flow is less than this the motors will probably overheat and burn out. Surprisingly if the flow is more than this, motors will also overheat because the high velocity does not allow efficient heat transfer from the motor to the water. These motors are designed for high power outputs in small sizes in comparison with normal air cooled motors. Because water is a very efficient cooling medium, compared with air, the current density in the stator winding is much higher than an air cooled motor. This is acceptable provided the external body of the motor is efficiently cooled be the external water. If there is no external water flow or if the external water ambient temperature is too high the motor will overheat. If the internal water reaches boiling point it will form steam which will force a way out of the motor past the seals. If enough steam escapes the top bearing will run dry and fail, or the winding wire will melt and cause a catastrophic failure in the winding. Oil also a reasonable conductor for heat compared to air but not as good as water.Oil cooled motors are more tolerant to overheating, but in general the oils used in these motors can only operate up to 90ºC before they start to carburize and degenerate – the oil turns black and has a burnt smell when the motor is opened. Oil cooled motors have to be designed to allow the oil to expand as it heats up. Typically the internal oil will expand by at least 10% and the bellows have to be able to expand to accommodate this as the motor heats up and contract again when the motor cools down. Water does not expand very much as it heats up so it is easier to design the bellows to allow for the expansion and contraction. Internal water will probably escape from the motor and / or external water will enter the motor eventually, however this should not be a problem for the water cooled motor unless sand or foreign matter manages to enter the motor, as this will probably lead to increased wear on the bearings and eventual mechanical failure.
SUBMERSIBLE ELECTRIC MOTORS - DESIGN, MANUFACTURE, SALES & SERVICE.
RECOMMENDED PROTECTION SETTINGS FOR SUBMERSIBLE MOTORS Maximum Motor Winding Temperature for water filled motor – 80 deg.C. Maximum Current Unbalance – 5%. Maximum Overload current above nameplate current + 5%. (We recommend that the overload is set to 5% above the actual current measured when the motor is commissioned. If the current increases the motor will trip which will alert the operator to the fact that something has changed). Current Underload – 10% below current during commissioning. This may need to be increased depending on how the motor is operated. (We believe that the operator should be alerted when the load changes). Over Voltage – 10%. Under Voltage – 10%. Voltage Unbalance – 2%. SME recommend that ALL water filled motors should have at least one PT100 installed in the motor. From experience we know that the hottest spot in most water filled motors is in the end winding on the Drive End. If a PT100 is installed and connected to a display/protection unit the operator can monitor the actual temperature in the motor. There are a lot of variables that effect the winding temperature, such as current unbalance, load, ambient water temperature, etc. and it is impossible to predict exactly what the winding temperature will be in operation. Provided the winding temperature is below 80 deg. C. the operator can be confident that the motor will operate reliably even if there are problems with the site conditions. aw
SILVERCREST / SME. Tel: (+44) 1285 760620 Email: sales@Silvercrestsubmarines.com
Service and Repair of Submersible Electric Motors Submersible Motor Engineering design, manufacture, and supply, Submersible Electric Motors for Deep Well Pumps, Subsea Electric Motors and Submersible Electric Motors for Sump pumps, and any special purpose submersible electric motor requirements. SME also offer Subsea Electric Generators for Tidal and River Power Generation. SME has extensive service, repair, maintenance and testing capabilities, at our purpose built facilities in Australia, United Kingdom and the USA. SME can provide a solution for submersible electric motors – from design and specification through to servicing, repair and/or replacement. Our experience and commitment to quality allows our clients complete confidence that their requirements are in the best possible hands. SME specialises in minimizing downtime for critical application submersible electric motors by providing an efficient and cost effective mechanical repair and rewinding service at our ISO 9001 accredited facilities. Our experienced technicians are proficient at working with all brands of submersible electric motors and can quickly return motors back to service. We also maintain detailed records of motor failures across all brands which assist with plant management. SME is well qualified to offer advice to prevent future faults. Motor Modification SME can modify and upgrade all brands of submersible electric motors during the repair and servicing process to meet the requirements of any application. These modifications can include changing materials, adding temperature sensors, re-design to suit different voltages and frequencies, applying protective coatings, offering extended cable lengths and splicing cables, replacing damaged, corroded, or worn parts and other application specific alterations. SME has the “in house” machining and fabrication capabilities to manufacture obsolete parts ensuring maximum life for motors are achieved. In-Field Support SME can provide a number of site support services to ensure the reliability and performance of our clients‘submersible motors. Our experienced field service engineers can provide installation, commissioning, fault finding supervision, and training. Subsea Electric Motor Testing SME‘s West Australian facility, located in Perth, provides for an extensive testing regime for repaired and overhauled motors. SME can full load test motors on our dynamometers and can also offer performance testing of complete pump/motor units in our purpose built test tank – at the specified voltage and frequency up to 6600 volts. SME can guarantee motors that have been serviced and repaired are fit for purpose before dispatch, providing customers with complete confidence in the work prior to re-installation. All motors that are rewound by SME are subject to an immersion pressure test which is conducted in our pressure test vessel to ensure the integrity of the windings prior to assembly and load testing. Our commitment to a strict testing regime protects our clients from the risks of downtime caused by unexpected failure. Water Cooled Motors
SME design and manufacture a range of Water Cooled Electric Motors to provide an alternative to Standard Air Cooled Vertical Hollow and Solid Shaft Motors, these motors are for variety of line shaft turbine applications. The removal of the forced air cooling and replacement with a water jacket fed from the discharge of the pump ensures almost silent operation. This makes them uniquely suitable for pumping applications where noise is critical during operation. SME motors are robust and reliable in the toughest of environments. Our flexible design capabilities mean we can manufacture Water Cooled Motors to suit most applications. Our range of motors include Flexible Interface Dimensions to suit all requirements and provide the possibility of “Drop In‘’ replacement motors. We offer a variety of Construction Materials from Cast Iron, SS316 Grade Stainless Steels as Standard to Exotic Stainless Steel Alloys to ensure long term reliability in varied environments whilst still offering the advantages of excellent performance. Motors can be offered with a variety of Interfaces for a broad range of Pump types — from Standard NEMA P Base and IEC frames to unique Flange and shaft arrangements. SME can provide Water Cooled Motors with robustly engineered bearing arrangements to ensure pump thrust loads are absorbed adequately to guarantee long term operation. SME can design and manufacture from the “Lamination Up” to ensure the Motor is ideally suited for the application. This bespoke Manufacturing policy ensures we can meet any special design requirements. SME can build motors from small Kilowatt Motors right through to large outputs in the Megawatts and above to ensure we meet all requirements. SME Submersible Motors can be manufactured in all voltages from 110V through to 6600V at 50Hz or 60Hz, or for use with Variable Speed Drives. Due to SME’s flexible manufacturing systems we can offer motors in water or oil filled constructions. Motors can be provided for internally balanced or header tank installations. SME’s extensive testing facilities ensure we can test these Water Cooled Motors at rated Voltage and Frequency. This testing can also involve Hydraulic Performance testing on a customers pump in our Test tank. Full string testing involving the Drives, Control Gear, Motor and Driven equipment can also be organised. Submersible Motor Engineering’s extensive Service Capability also ensures we are the best location for Service and Refurbishment of Water Cooled Motors of any manufacturer. Quite often SME can return motors to their clients in a better than new condition due to our ability to implement the latest Engineering Practices into the repair process. SME can Inspect and Repair the following ROV subsea electric motors:
We offer New SME Electric Motors:
Other Subsea and ROV Electric Motor Services Include: Start up and Installation support. Factory External Splice and Internal Splice (where applicable) Assistance with bid specifications and design. Electric motor troubleshooting and problem solving. Field wire to water efficiency test, flow testing and vibration analysis Full range speed options All voltages and frequencies All construction options from anodized aluminum to exotic metal alloys Extensive Electrical and Hydraulic Testing facility Engineered motor solutions for complex applications
ROV and Subsea Electric Motor Modification SME can modify and upgrade all brands of submersible electric motors during the repair and servicing process to meet the requirements of any application. These modifications can include changing materials, adding temperature sensors, re-design to suit different voltages and frequencies, applying protective coatings, offering extended cable lengths and splicing cables, replacing damaged, corroded, or worn parts and other application specific alterations. SME has the “in house” machining and fabrication capabilities to manufacture obsolete parts ensuring maximum life for motors are achieved.
Electric Motor Testing. SME facilities, located in USA and Australia, provides for an extensive testing regime for repaired and overhauled motors. SME can full load test motors on our dynamometers and can also offer performance testing of complete pump/motor units in our purpose built test tank – at the specified voltage and frequency up to 6600 volts. SME can guarantee motors that have been serviced and repaired are fit for purpose before dispatch, providing customers with complete confidence in the work prior to re-installation. All motors that are rewound by SME are subject to an immersion pressure test which is conducted in our pressure test vessel to ensure the integrity of the windings prior to assembly and load testing. Our commitment to a strict testing regime protects our clients from the risks of
SME Specification For Submersible Motors STANDARD WATER FILLED Submersible, water tight, and water filled, with double insulated wire and capable of continuous operation at nameplate power under water in a maximum water temperature of 35 Deg.C. without de-rating, and suitable for “Direct on Line” starting. Six lead motors for “Star/Delta” starting are available as an option. HEAT EXCHANGER WATER FILLED Submersible, water tight, and water filled, with double insulated wire and capable of continuous operation at nameplate power under water in a maximum water temperature of 55 Deg.C. without de-rating, and suitable for “Direct on Line” starting. Six lead motors for “Star/Delta” starting are available as an option. This motor is recommended for high ambient water temperatures and for extended motor life due to the reduced winding temperatures. OIL FILLED Submersible, water tight, and oil filled, with double insulated wire and capable of continuous operation at nameplate power under water in a maximum water temperature of 30 Deg.C. without de-rating, and suitable for “Direct on Line” starting. This motor is recommended for very cold water where there is a probability that the water (in a water filled motor) might freeze. MOTOR RATING All motors are rated for continuous duty (S1) at nominated voltage and frequency. WATER COOLING Cooling water flow rate must exceed 0.5 feet/sec or 0.15 metres/sec. The maximum flow rate must not exceed 10 feet/sec or 2.5 rri/sec. The pH level should be between 6.5 and 8.0. WATER FILLED The motors are filled with 90% water and 10% propylene-glycol as standard, but some cold weather markets require 70/30 or even 50/50 ratios to prevent the water from freezing. Clean tap water is the preferred water type. (Oil filled motors are filled with a food grade oil). MATERIALS Standard motors have epoxy painted cast iron ends with a 316 Stainless Steel stator frame and 316 hardware. For aggressive water all external metal components are 316 Stainless Steel. (Duplex, Super Duplex and Ni Al Bronze motors can also be supplied). PRESSURE COMPENSATION Pressure compensation is managed by using a suitably sized Neoprene bellows to allow for expansion of the internal water as it heats up – or – from external pressure due to the depth of submergence. SEALS All motors are fitted with a mechanical seal on the drive end and a stainless steel slinger to prevent external water and foreign material from entering the motor. The seal faces are Silicon Carbide / Silicon Carbide. Some motors can be supplied with double mechanical seals – on request. BEARINGS Hydrodynamic carbon sleeve bearings are fitted at both ends of the motor. They are water lubricated, with a large surface area to DOWN THRUST BEARING All the Down-Thrust bearings are Kingsbury style, with hardened and lapped cast stainless steel pivot shoes and a wear resistance carbon/antimony carbon disc. UPTHRUST BEARING Up-Thrust bearings are carbon, or, cloth and resin based wear material. BALANCING Rotors are balanced to less than 1mm/sec in all planes when measured on No Load. LAMINATION STEEL All motors use low loss cold rolled silicon lamination steel with a core loss of 3 Watts/kg at 50 Hz and 1.5T. WINDING WIRE Standard winding wire is PEI2 Copper with a continuous watertight polypropylene covering and nylon overcoat for additional mechanical protection.
Submersible Subsea MotorTesting All motors are Type Tested and Test Reports can be supplied for individual motors to customer requirements. Temperature rise tests must be conducted while the motor is immersed and subjected to a continuous stream of cooling water – usually as part of a pump test. The temperatures inside the motor, and of the cooling water, are monitored and recorded. WINDINGS After the stator leads have been fitted the whole stator is submerged in water and pressurised to 30 psi for 30 minutes and then Hi-Pot tested at 2,500 Volts (for 415V and 460V motors while still at 30-psi pressure. The results are recorded. Please note – this is a “one of” factory test. Future Hi-Pot tests should be done at reduced voltages. COMPLETE MOTOR The winding of the complete motor after filling with water/glycol is “Meggered”, (Insulation Resistance Test), and the resistance at 3000 volts, (for 415V motors), should exceed 1000 M0hm. Please note – this is a “one off factory test. Future “Megger” tests should at 1,000 or 500 Volts. NO LOAD The complete motor is run on No Load and the No Load currents, No Load voltages, and the “Run down time“ are recorded. The vibration levels are also measured at both ends of the motor and in both planes. FULL LOAD TEST All motors can be Full Load Performance Tested for Efficiency, Power Factor, Speed, and Temperature Rise. All calculations are in accordance with IEC Standards. In addition 4 PTl00s are fitted and monitored inside the motor during testing – one in the proximity of the thrust bearing, one in the centre of the stator pack in a stator slot, and one each on the end winding on the drive end and non drive end. LOCKED ROTOR TEST All motors can be locked rotor tested to determine the locked rotor current and the locked rotor torque. This test may be done on reduced voltage and a number of points plotted to extrapolate the full load condition. MECHANICAL TESTS The runout for the shaft and the flange spigot are measured and recorded. The dimensions of the shat, flange spigot, shaft projection, thrust clearance, and shaft deflection, should also measured and recorded.
Subsea Electric Motors SME design and manufacture a world leading range of Subsea Electric Motors, including motors for HPU’s on ROV‘s, Electric Thrusters for Manned Submarines, and Heavy Duty Jetting Pumps on Subsea Trenchers. SME motors are robust and reliable in the toughest of environments. Our flexible design capabilities mean we can manufacture Subsea Motors to suit any application. Our range of motors allow Flexible External Dimensions to suit all requirements and provide the possibility of “Drop In‘’ replacement motors. SME have produced over l00 different types of Subsea motors and thousands of motors. We offer a variety of Construction Materials from Anodised Aluminium to Exotic Stainless Steel Alloys to ensure long term reliability in varied environments whilst still offering the advantages of light weight design. To ensure the integrity of the motors SME does not use castings and all components are manufactured from solid metal or extrusions. SME can design and manufacture from the “Lamination Up” to ensure the Motor is ideally suited for the application. This bespoke Manufacturing policy ensures we can meet any special design requirements. SME can build motors from Fractional Kilowatt Motors right through to large outputs in the Megawatts and above to ensure we meet all requirements. SME Subsea Motors can be manufactured in all voltages from 24V through to 6600V at 50Hz or 60Hz, or for use with Variable Speed Drives. Due to SME’s proprietary Insulation System motors up to 4l60V can be built with a Random Winding to reduce size and weight whilst losing nothing in terms of reliability. This insulation system is specifically engineered to ensure suitability of operation in Hydraulic Oil or many of the Bio-Degradable Oils commonly used for Compensation circuits. All motors are designed for external compensation allowing for operation at depths as much as 4000M. The Motors can also be offered with Cooling circuits to ensure high output motors maintain minimal operating temperatures at Full Load. SME Motors are fitted with Water Detection Probes and Temperature Detectors and these can be terminated to a variety of different Subsea Connectors. Power can be supplied to the motors through Subsea Connectors or Highly reliable Oily Tube Connections. SME’s extensive testing facilities ensure we can test these Subsea Motors at rated Voltage and Frequency. This testing can also involve Hydraulic Load testing on a HPU or Flow and Pressure Testing of Jetting Pumps in our Test tank. Full string testing involving the Drives, Control Gear, Motor and Driven equipment can also be organised. Submersible Motor Engineering’s extensive Service Capability also ensures we are the best location for Service and Refurbishment of Subsea Motors of any manufacturer. Quite often SME can return motors to their clients in a better than new condition due to our ability to implement the latest Engineering Practices into the repair process.
Subsea Pumps, and Subsea HPUs. SME design and manufacture a world leading range of Electric and Hydraulically Driven Subsea Pumps. These are designed to operate as Heavy Duty Jetting Pumps on Subsea Trenchers and Ploughs, Subsea Dredging and Excavation Equipment. SME Pumps are robust and reliable in the toughest of environments. Our flexible design capabilities mean we can manufacture Subsea Pumps to suit most applications. Our range of motors allow Flexible External Dimensions to suit all requirements and provide the possibility of “Drop In ‘’ replacement units. We offer a variety of Construction Materials from Anodised Aluminium to Exotic Stainless Steel Alloys to ensure long term reliability in varied environments whilst still ofiering the advantages of light weight design. SME can design and manufacture from “raw material up” to ensure the Motor and Pump is ideally suited for the application. This bespoke Manufacturing policy ensures we can meet any special design requirements. SME can build motor and pumps from Fractional Kilowatt Motors right through to large outputs in the Megawatts and above to ensure we meet all requirements. SME Electrically Driven Subsea Pumps can be manufactured in all voltages from 24V through to 6600V at 50Hz or 60Hz, or for use with Variable Speed Drives. Due to SME’s proprietary Insulation System motors up to 4160V can be built with a Random Winding to reduce size and weight whilst losing nothing in terms of reliability. This insulation system is specifically engineered to ensure suitability of operation in Hydraulic Oil or many of the Bio-Degradable Oils commonly used for Compensation circuits. All pumps are designed for external compensation allowing for operation at depths as much as 4000M. The Motors can also be offered with Cooling circuits to ensure high output motors maintain minimal operating temperatures at Full Load. SME Motors are fitted with Water Detection Probes and Temperature Detectors and these can be terminated to a variety of different Subsea Connectors. Power can be supplied to the motors through Subsea Connectors or Highly reliable Oily Tube Connections. SME’s extensive testing facilities ensure we can test these Subsea Pumps at rated Voltage and Frequency. This testing includes involve Hydraulic Performance/Reliability testing on a HPU or Job Specific Electrical Supply at rated Voltage and Frequency in our Test tank. Full string testing involving the Drives, Control Gear, Motor and Driven equipment can also be organised. Submersible Motor Engineering’s extensive Service Capability also ensures we are best location for Service and Refurbishment of Subsea Motors and Pumps of any manufacturer. Quite often SME can return motors and pumps to their clients in a better than new condition due to our ability to implement the latest Engineering Practices into the repair process.
Subsea Electric Motors & ROV Electric Motors. SME design and manufacture a world leading range of Subsea Electric Motors, including motors for HPU’s on ROV‘s, Electric Thrusters for Manned Submarines, and Heavy Duty Jetting Pumps on Subsea Trenchers. SME motors are robust and reliable in the toughest of environments. Our flexible design capabilities mean we can manufacture Subsea Motors to suit any application. Our range of motors allow Flexible External Dimensions to suit all requirements and provide the possibility of “Drop In‘’ replacement motors. SME have produced over l00 different types of Subsea motors and thousands of motors. We offer a variety of Construction Materials from Anodised Aluminium to Exotic Stainless Steel Alloys to ensure long term reliability in varied environments whilst still offering the advantages of light weight design. To ensure the integrity of the motors SME does not use castings and all components are manufactured from solid metal or extrusions. Motors can be offered with a variety of Interfaces for Driven Equipment — from Robust Shafts with Multiple Shaft Seals to Close Coupled Motors with Female Spline Hubs to allow direct fitment of Hydraulic Pumps. SME can design and manufacture from the “Lamination Up” to ensure the Motor is ideally suited for the application. This bespoke Manufacturing policy ensures we can meet any special design requirements. SME can build motors from Fractional Kilowatt Motors right through to large outputs in the Megawatts and above to ensure we meet all requirements. SME Subsea Motors can be manufactured in all voltages from 240Vac through to 6600V at 50Hz or 60Hz, or for use with Variable Speed Drives. Due to SME’s proprietary Insulation System motors up to 4l60V can be built with a Random Winding to reduce size and weight whilst losing nothing in terms of reliability. This insulation system is specifically engineered to ensure suitability of operation in Hydraulic Oil or many of the Bio-Degradable Oils commonly used for Compensation circuits. All motors are designed for external compensation allowing for operation at depths as much as 4000M. The Motors can also be offered with Cooling circuits to ensure high output motors maintain minimal operating temperatures at Full Load. SME Motors are fitted with Water Detection Probes and Temperature Detectors and these can be terminated to a variety of different Subsea Connectors. Power can be supplied to the motors through Subsea Connectors or Highly reliable Oily Tube Connections. SME’s extensive testing facilities ensure we can test these Subsea Motors at rated Voltage and Frequency. This testing can also involve Hydraulic Load testing on a HPU or Flow and Pressure Testing of Jetting Pumps in our Test tank. Full string testing involving the Drives, Control Gear, Motor and Driven equipment can also be organised. Submersible Motor Engineering’s extensive Service Capability also ensures we are the best location for Service and Refurbishment of Subsea Motors of any manufacturer. Quite often SME can return motors to their clients in a better than new condition due to our ability to implement the latest Engineering Practices into the repair proces
Submersible Motor Engineering SME design, manufacture, and supply, Submersible Electric Motors for Deep Well Pumps, Subsea Electric Motors and Submersible Electric Motors for Sump pumps, and any special purpose submersible electric motor requirements. SME also offer Subsea Electric Generators for Tidal and River Power Generation. SME has extensive service, repair, maintenance and testing capabilities, at our purpose built facilities in Australia, United Kingdom and the USA. SME can provide solutions for any submersible or subsea electric motor applications– from design and specification through to servicing, repair and/or replacement. Our experience and commitment to quality allows our clients complete confidence that their requirements are in the best possible hands.
NEWS FLASH.
Submersible Motor Engineering and Pleuger create Global Service Network for submersible motors. Submersible Motor Engineering (SME) is pleased to announce the signing of a Memorandum of Understanding with Pleuger Industries to combine forces for the “After Sales Service” for submersible motors. The agreement provides SME access to Pleugers’ spare parts to assist in the overhaul and service of Pleuger products through the SME Service Network globally. The combined strengths of Pleuger Industries and SME will ensure that they supply a World Class Service network to their existing and future clients. SME will be granted the right to purchase and resell original Pleuger spare parts for submersible electric motors. SME will receive the official “service” representative status of Pleuger. SME designs and manufactures submersible and underwater electric motors for complex bespoke applications. SME offers repair, rewind, modification and technical support services in Australia, Great Britain, and the USA for its own SME product range. Also, for the products of all other subsea or submersible motor manufacturers. Michel Rybken, CEO of Pleuger Industries, said “I see excellent synergies that Pleuger Industries and SME can use for a successful cooperation in the future by adding more value to supply and service our global customer base. Jayson Bennett, Manager of SME, said “This MoU provides a solid foundation for both Pleuger and SME to improve and extend their Sales and Service offerings by utilising both companies existing networks and expertise to achieve a world class Service Network with a Global reach”. Service And Repair Of Submersible Electric Motors SME has extensive service, repair, maintenance and testing capabilities, at our purpose built facilities in Australia, United Kingdom and the USA. SME can provide a solution for submersible electric motors – from design and specification through to servicing, repair and/or replacement. Our experience and commitment to quality allows our clients complete confidence that their requirements are in the best possible hands. SME specialises in minimizing downtime for critical application submersible electric motors by providing an efficient and cost effective mechanical repair and rewinding service at our ISO 9001 accredited facilities. Our experienced technicians are proficient at working with all brands of submersible electric motors and can quickly return motors back to service. We also maintain detailed records of motor failures across all brands which assist with plant management. SME is well qualified to offer advice to prevent future faults. Motor Modification SME can modify and upgrade all brands of submersible electric motors during the repair and servicing process to meet the requirements of any application. These modifications can include changing materials, adding temperature sensors, re-design to suit different voltages and frequencies, applying protective coatings, offering extended cable lengths and splicing cables, replacing damaged, corroded, or worn parts and other application specific alterations. SME has the “in house” machining and fabrication capabilities to manufacture obsolete parts ensuring maximum life for motors are achieved. In-Field Support SME can provide a number of site support services to ensure the reliability and performance of our clients‘ submersible motors. Our experienced field service engineers can provide installation, commissioning, fault finding supervision, and training. Testing SME‘s West Australian facility, located in Perth, provides for an extensive testing regime for repaired and overhauled motors. SME can full load test motors on our dynamometers and can also offer performance testing of complete pump/motor units in our purpose built test tank – at the specified voltage and frequency up to 6600 volts. SME can guarantee motors that have been serviced and repaired are fit for purpose before dispatch, providing customers with complete confidence in the work prior to re-installation. All motors that are rewound by SME are subject to an immersion pressure test which is conducted in our pressure test vessel to ensure the integrity of the windings prior to assembly and load testing. Our commitment to a strict testing regime protects our clients from the risks of downtime caused by unexpected failure. Submersible Motors SME design and manufacture a broad range of Submersible Electric Motors, including motors for variety of applications from Mine De-watering to Sea Water Lift Pumps. SME motors are robust and reliable in the toughest of environments. Our flexible design capabilities mean we can manufacture Submersible Motors to suit most applications. Our range of motors include Flexible Interface Dimensions to suit all requirements and provide the possibility of “Drop In‘’ replacement motors. We offer a variety of Construction Materials from Cast Iron, SS316 Grade Stainless Steels as Standard to Exotic Stainless Steel Alloys to ensure long term reliability in varied environments whilst still offering the advantages of excellent performance. Motors can be offered with a variety of Interfaces for a broad range of Pump types — from Standard NEMA and IEC frames to unique Flange and shaft arrangements with Multiple Shaft Seals. SME can design and manufacture from the “Lamination Up” to ensure the Motor is ideally suited for the application. This bespoke Manufacturing policy ensures we can meet any special design requirements. SME can build motors from small Kilowatt Motors right through to large outputs in the Megawatts and above to ensure we meet all requirements. SME Submersible Motors can be manufactured in all voltages from 110V through to 6600V at 50Hz or 60Hz, or for use with Variable Speed Drives. Due to SME’s flexible manufacturing systems we can offer motors in water or oil filled constructions. Motors can be provided for internally balanced or header tank installations. SME’s extensive testing facilities ensure we can test these Submersible Motors at rated Voltage and Frequency. This testing can also involve Hydraulic Performance testing on a customers pump in our Test tank. Full string testing involving the Drives, Control Gear, Motor and Driven equipment can also be organised. Submersible Motor Engineering’s extensive Service Capability also ensures we are the best location for Service and Refurbishment of Submersible Motors of any manufacturer. Quite often SME can return motors to their clients in a better than new condition due to our ability to implement the latest Engineering Practices into the repair process. Submersible Motor Engineering
Subsea Electric Motors & ROV Electric Motors SME design and manufacture a world leading range of Subsea Electric Motors, including motors for HPU’s on ROV‘s, Electric Thrusters for Manned Submarines, and Heavy Duty Jetting Pumps on Subsea Trenchers. SME motors are robust and reliable in the toughest of environments. Our flexible design capabilities mean we can manufacture Subsea Motors to suit any application. Our range of motors allow Flexible External Dimensions to suit all requirements and provide the possibility of “Drop In‘’ replacement motors. SME have produced over l00 different types of Subsea motors and thousands of motors. We offer a variety of Construction Materials from Anodised Aluminium to Exotic Stainless Steel Alloys to ensure long term reliability in varied environments whilst still offering the advantages of light weight design. To ensure the integrity of the motors SME does not use castings and all components are manufactured from solid metal or extrusions. Motors can be offered with a variety of Interfaces for Driven Equipment — from Robust Shafts with Multiple Shaft Seals to Close Coupled Motors with Female Spline Hubs to allow direct fitment of Hydraulic Pumps. SME can design and manufacture from the “Lamination Up” to ensure the Motor is ideally suited for the application. This bespoke Manufacturing policy ensures we can meet any special design requirements. SME can build motors from Fractional Kilowatt Motors right through to large outputs in the Megawatts and above to ensure we meet all requirements. SME Subsea Motors can be manufactured in all voltages from 24V through to 6600V at 50Hz or 60Hz, or for use with Variable Speed Drives. Due to SME’s proprietary Insulation System motors up to 4l60V can be built with a Random Winding to reduce size and weight whilst losing nothing in terms of reliability. This insulation system is specifically engineered to ensure suitability of operation in Hydraulic Oil or many of the Bio-Degradable Oils commonly used for Compensation circuits. All motors are designed for external compensation allowing for operation at depths as much as 4000M. The Motors can also be offered with Cooling circuits to ensure high output motors maintain minimal operating temperatures at Full Load. SME Motors are fitted with Water Detection Probes and Temperature Detectors and these can be terminated to a variety of different Subsea Connectors. Power can be supplied to the motors through Subsea Connectors or Highly reliable Oily Tube Connections. SME’s extensive testing facilities ensure we can test these Subsea Motors at rated Voltage and Frequency. This testing can also involve Hydraulic Load testing on a HPU or Flow and Pressure Testing of Jetting Pumps in our Test tank. Full string testing involving the Drives, Control Gear, Motor and Driven equipment can also be organised. Submersible Motor Engineering’s extensive Service Capability also ensures we are the best location for Service and Refurbishment of Subsea Motors of any manufacturer. Quite often SME can return motors to their clients in a better than new condition due to our ability to implement the latest Engineering Practices into the repair process.
Wet and Dry Pit Motors SME – WD Series Motors – for Open Well or Sump Applications Submerged or not Submerged, Cast Iron, Steel, or Stainless Steel Construction SME has many years experience in the manufacture of submersible motors and the WD series of motors have been designed for the toughest jobs to ensure reliability and a long service life. When conditions are extreme and performance is critical these motors deliver the quality and durability required. WD motors are designed for continuous operation in sludge, effluent, slurry, and other liquids – to a submergence of 10 metres, in an open well, a river bank, a tailings pond, or a sump. The motors are air filled, with a separate oil filled seal chamber to ensure robust sealing of the drive shaft. The WD Series motors can also be supplied with a large range of sealing options to ensure the motor is suitable for the most extreme conditions from a combination of lip seals, and/or mechanical seals, to complex cartridge seal arrangements. If the motors are going to be continuously submerged they will rely on the liquid they are submerged in for cooling. If they are not going to be submerged continuously – or only intermittently — they are designed with a water jacket for cooling and water is usually bled from the pump through the water jacket. These IP68 motors have been used in both vertical and horizontal applications driving a diverse range of pumps in many unique applications. The Motors can be supplied with an extensive array of flange and shaft dimensions to ensure the motors can be matched to a large range of different pumps. The motors can also be supplied with standard IEC and NEMA flange and shaft dimensions. The motors are very robust and designed to take the physical abuse on a typical mine site. They can tolerate overloads, and a lack of cooling. They can maintain full load operation for 15 minutes with no external cooling. These motors offer a robust alternative to other units that suffer from shorter operating lives – with no changes to the existing Wet end performance. These motors are fitted with moisture detection probes and PT100, or themiistor, thermal protection — as standard – and provided these are properly connected and set to give advance warning of problems these motors will give many years of reliable service in extreme applications.
Water Cooled Motors
SME design and manufacture a range of Water Cooled Electric Motors to provide a alternative to Standard Air Cooled Vertical Hollow and Solid Shaft Motors, these motors are for variety of line shaft turbine applications. The removal of the forced air cooling and replacement with a water jacket fed from the discharge of the pump ensures almost silent operation. This makes them uniquely suitable for pumping applications where noise is critical during operation. SME motors are robust and reliable in the toughest of environments. Our flexible design capabilities mean we can manufacture Water Cooled Motors to suit most applications. Our range of motors include Flexible Interface Dimensions to suit all requirements and provide the possibility of “Drop In‘’ replacement motors. We offer a variety of Construction Materials from Cast Iron, SS316 Grade Stainless Steels as Standard to Exotic Stainless Steel Alloys to ensure long term reliability in varied environments whilst still offering the advantages of excellent performance. Motors can be offered with a variety of Interfaces for a broad range of Pump types — from Standard NEMA P Base and IEC frames to unique Flange and shaft arrangements. SME can provide Water Cooled Motors with robustly engineered bearing arrangements to ensure pump thrust loads are absorbed adequately to guarantee long term operation. SME can design and manufacture from the “Lamination Up” to ensure the Motor is ideally suited for the application. This bespoke Manufacturing policy ensures we can meet any special design requirements. SME can build motors from small Kilowatt Motors right through to large outputs in the Megawatts and above to ensure we meet all requirements. SME Submersible Motors can be manufactured in all voltages from 110V through to 6600V at 50Hz or 60Hz, or for use with Variable Speed Drives. Due to SME’s flexible manufacturing systems we can offer motors in water or oil filled constructions. Motors can be provided for internally balanced or header tank installations. SME’s extensive testing facilities ensure we can test these Water Cooled Motors at rated Voltage and Frequency. This testing can also involve Hydraulic Performance testing on a customers pump in our Test tank. Full string testing involving the Drives, Control Gear, Motor and Driven equipment can also be organised. Submersible Motor Engineering’s extensive Service Capability also ensures we are the best location for Service and Refurbishment of Water Cooled Motors of any manufacturer. Quite often SME can return motors to their clients in a better than new condition due to our ability to implement the latest Engineering Practices into the repair process.
WATER COOLED SUBMERSIBLE SUBSEA MOTOR.
Pumps SME design and manufacture a world leading range of Electric and Hydraulically Driven Subsea Pumps. These are designed to operate as Heavy Duty Jetting Pumps on Subsea Trenchers and Ploughs, Subsea Dredging and Excavation Equipment. SME Pumps are robust and reliable in the toughest of environments. Our flexible design capabilities mean we can manufacture Subsea Pumps to suit most applications. Our range of motors allow Flexible External Dimensions to suit all requirements and provide the possibility of “Drop In‘’ replacement units. We offer a variety of Construction Materials from Anodised Aluminium to Exotic Stainless Steel Alloys to ensure long term reliability in varied environments whilst still ofiering the advantages of light weight design. SME can design and manufacture from “raw material up” to ensure the Motor and Pump is ideally suited for the application. This bespoke Manufacturing policy ensures we can meet any special design requirements. SME can build motor and pumps from Fractional Kilowatt Motors right through to large outputs in the Megawatts and above to ensure we meet all requirements. SME Electrically Driven Subsea Pumps can be manufactured in all voltages from 24V through to 6600V at 50Hz or 60Hz, or for use with Variable Speed Drives. Due to SME’s proprietary Insulation System motors up to 4160V can be built with a Random Winding to reduce size and weight whilst losing nothing in terms of reliability. This insulation system is specifically engineered to ensure suitability of operation in Hydraulic Oil or many of the Bio-Degradable Oils commonly used for Compensation circuits. All pumps are designed for external compensation allowing for operation at depths as much as 4000M. The Motors can also be offered with Cooling circuits to ensure high output motors maintain minimal operating temperatures at Full Load. SME Motors are fitted with Water Detection Probes and Temperature Detectors and these can be terminated to a variety of different Subsea Connectors. Power can be supplied to the motors through Subsea Connectors or Highly reliable Oily Tube Connections. SME’s extensive testing facilities ensure we can test these Subsea Pumps at rated Voltage and Frequency. This testing includes involve Hydraulic Performance/Relibility testing on a HPU or Job Specific Electrical Supply at rated Voltage and Frequency in our Test tank. Full string testing involving the Drives, Control Gear, Motor and Driven equipment can also be organised. Submersible Motor Engineering’s extensive Service Capability also ensures we are best location for Service and Refurbishment of Subsea Motors and Pumps of any manufacturer. Quite often SME can return motors and pumps to their clients in a better than new condition due to our ability to implement the latest Engineering Practices into the repair process.
Please contact us to discuss your subsea, and submersible electric motor requirements. Email: sales@silvercrestsubmarines.com
Service & Repair SME has extensive service, repair, maintenance and testing capabilities in Perth (WA), USA, and UK. SME can provide a solution for submersible electric motors – from design and specification through to servicing, repair and/or replacement. SME specialises in minimizing downtime for critical application submersible electric motors by providing an efficient and cost effective mechanical repair and rewinding service at our ISO 9001 accredited facilities. Our experienced technicians are proficient at working with all brands of submersible electric motors and can quickly return motors back to service. We also maintain detailed records of motor failures across all brands which assist with plant management. SME is well qualified to offer advice to prevent future faults.
SME can inspect and repair most makes of submersible motors:
Repair and Sales of Remotely Operated Vehicles (ROV) motors.
We offer New SME Motors:
Other Services Include: Start up and Installation support. Factory External Splice and Internal Splice (where applicable) Assistance with bid specifications and design. Troubleshooting Field wire to water efficiency test, flow testing and vibration analysis Full range speed options All voltages and frequencies All construction options from anodized aluminum to exotic metal alloys Extensive Electrical and Hydraulic Testing facility Engineered motor solutions for complex applications Motor Modification SME can modify and upgrade all brands of submersible electric motors during the repair and servicing process to meet the requirements of any application. These modifications can include changing materials, adding temperature sensors, re-design to suit different voltages and frequencies, applying protective coatings, offering extended cable lengths and splicing cables, replacing damaged, corroded, or worn parts and other application specific alterations. SME has the “in house” machining and fabrication capabilities to manufacture obsolete parts ensuring maximum life for motors are achieved.
Motor Testing SME provides for an extensive testing regime for repaired and overhauled motors. SME can full load test motors on our dynamometers and can also offer performance testing of complete pump/motor units in our purpose built test tank – at the specified voltage and frequency up to 6600 volts. SME can guarantee motors that have been serviced and repaired are fit for purpose before dispatch, providing customers with complete confidence in the work prior to re-installation. All motors that are rewound by SME are subject to an immersion pressure test which is conducted in our pressure test vessel to ensure the integrity of the windings prior to assembly and load testing. Our commitment to a strict testing regime protects our clients from the risks of downtime caused by unexpected failure. Other Services Include: Start up and Installation support. Factory External Splice and Internal Splice (where applicable) Assistance with bid specifications and design. Troubleshooting Field wire to water efficiency test, flow testing and vibration analysis Full range speed options All voltages and frequencies All construction options from anodized aluminum to exotic metal alloys Extensive Electrical and Hydraulic Testing facility Engineered motor solutions for complex applications
SME design and manufacture a world leading range of Subsea Electric Motors, including motors for ROV HPU’s, and Subsea HPU’s. Electric Thrusters for Manned Submarines, and Heavy Duty Jetting Pumps on Subsea Trenchers. SME motors are robust and reliable in the toughest of environments. Our flexible design capabilities mean we can manufacture Subsea Motors to suit any application. Our range of motors allow Flexible External Dimensions to suit all requirements and provide the possibility of “Drop In‘’ replacement motors. SME have produced over l00 different types of Subsea motors and thousands of motors. We offer a variety of Construction Materials from Anodised Aluminium to Exotic Stainless Steel Alloys to ensure long term reliability in varied environments whilst still offering the advantages of light weight design. To ensure the integrity of the motors SME does not use castings and all components are manufactured from solid metal or extrusions. SME can design and manufacture from the “Lamination Up” to ensure the Motor is ideally suited for the application. This bespoke Manufacturing policy ensures we can meet any special design requirements. SME can build motors from Fractional Kilowatt Motors right through to large outputs in the Megawatts and above to ensure we meet all requirements. SME Subsea Motors can be manufactured in all voltages from 24V through to 6600V at 50Hz or 60Hz, or for use with Variable Speed Drives. Due to SME’s proprietary Insulation System motors up to 4l60V can be built with a Random Winding to reduce size and weight whilst losing nothing in terms of reliability. This insulation system is specifically engineered to ensure suitability of operation in Hydraulic Oil or many of the Bio-Degradable Oils commonly used for Compensation circuits. All motors are designed for external compensation allowing for operation at depths as much as 4000M. The Motors can also be offered with Cooling circuits to ensure high output motors maintain minimal operating temperatures at Full Load. SME Motors are fitted with Water Detection Probes and Temperature Detectors and these can be terminated to a variety of different Subsea Connectors. Power can be supplied to the motors through Subsea Connectors or Highly reliable Oily Tube Connections. SME’s extensive testing facilities ensure we can test these Subsea Motors at rated Voltage and Frequency. This testing can also involve Hydraulic Load testing on a HPU or Flow and Pressure Testing of Jetting Pumps in our Test tank. Full string testing involving the Drives, Control Gear, Motor and Driven equipment can also be organised. Submersible Motor Engineering’s extensive Service Capability also ensures we are the best location for Service and Refurbishment of Subsea Motors of any manufacturer. Quite often SME can return motors to their clients in a better than new condition due to our ability to implement the latest Engineering Practices into the repair process. Subsea Pumps SME design and manufacture a world leading range of Electric and Hydraulically Driven Subsea Pumps. These are designed to operate as Heavy Duty Jetting Pumps on Subsea Trenchers and Ploughs, Subsea Dredging and Excavation Equipment. SME Pumps are robust and reliable in the toughest of environments. Our flexible design capabilities mean we can manufacture Subsea Pumps to suit most applications. Our range of motors allow Flexible External Dimensions to suit all requirements and provide the possibility of “Drop In‘’ replacement units. We offer a variety of Construction Materials from Anodised Aluminium to Exotic Stainless Steel Alloys to ensure long term reliability in varied environments whilst still ofiering the advantages of light weight design. SME can design and manufacture from “raw material up” to ensure the Motor and Pump is ideally suited for the application. This bespoke Manufacturing policy ensures we can meet any special design requirements. SME can build motor and pumps from Fractional Kilowatt Motors right through to large outputs in the Megawatts and above to ensure we meet all requirements. SME Electrically Driven Subsea Pumps can be manufactured in all voltages from 24V through to 6600V at 50Hz or 60Hz, or for use with Variable Speed Drives. Due to SME’s proprietary Insulation System motors up to 4160V can be built with a Random Winding to reduce size and weight whilst losing nothing in terms of reliability. This insulation system is specifically engineered to ensure suitability of operation in Hydraulic Oil or many of the Bio-Degradable Oils commonly used for Compensation circuits. All pumps are designed for external compensation allowing for operation at depths as much as 4000M. The Motors can also be offered with Cooling circuits to ensure high output motors maintain minimal operating temperatures at Full Load. SME Motors are fitted with Water Detection Probes and Temperature Detectors and these can be terminated to a variety of different Subsea Connectors. Power can be supplied to the motors through Subsea Connectors or Highly reliable Oily Tube Connections. SME’s extensive testing facilities ensure we can test these Subsea Pumps at rated Voltage and Frequency. This testing includes involve Hydraulic Performance/Relibility testing on a HPU or Job Specific Electrical Supply at rated Voltage and Frequency in our Test tank. Full string testing involving the Drives, Control Gear, Motor and Driven equipment can also be organised. Submersible Motor Engineering’s extensive Service Capability also ensures we are best location for Service and Refurbishment of Subsea Motors and Pumps of any manufacturer. Quite often SME can return motors and pumps to their clients in a better than new condition due to our ability to implement the latest Engineering Practices into the repair process. Water Cooled Motors SME design and manufacture a range of Water Cooled Electric Motors to provide a alternative to Standard Air Cooled Vertical Hollow and Solid Shaft Motors, these motors are for variety of line shaft turbine applications. The removal of the forced air cooling and replacement with a water jacket fed from the discharge of the pump ensures almost silent operation. This makes them uniquely suitable for pumping applications where noise is critical during operation. SME motors are robust and reliable in the toughest of environments. Our flexible design capabilities mean we can manufacture Water Cooled Motors to suit most applications. Our range of motors include Flexible Interface Dimensions to suit all requirements and provide the possibility of “Drop In‘’ replacement motors. We offer a variety of Construction Materials from Cast Iron, SS316 Grade Stainless Steels as Standard to Exotic Stainless Steel Alloys to ensure long term reliability in varied environments whilst still offering the advantages of excellent performance. Motors can be offered with a variety of Interfaces for a broad range of Pump types — from Standard NEMA P Base and IEC frames to unique Flange and shaft arrangements. SME can provide Water Cooled Motors with robustly engineered bearing arrangements to ensure pump thrust loads are absorbed adequately to guarantee long term operation. SME can design and manufacture from the “Lamination Up” to ensure the Motor is ideally suited for the application. This bespoke Manufacturing policy ensures we can meet any special design requirements. SME can build motors from small Kilowatt Motors right through to large outputs in the Megawatts and above to ensure we meet all requirements. SME Submersible Motors can be manufactured in all voltages from 110V through to 6600V at 50Hz or 60Hz, or for use with Variable Speed Drives. Due to SME’s flexible manufacturing systems we can offer motors in water or oil filled constructions. Motors can be provided for internally balanced or header tank installations. SME’s extensive testing facilities ensure we can test these Water Cooled Motors at rated Voltage and Frequency. This testing can also involve Hydraulic Performance testing on a customers pump in our Test tank. Full string testing involving the Drives, Control Gear, Motor and Driven equipment can also be organised. Submersible Motor Engineering’s extensive Service Capability also ensures we are the best location for Service and Refurbishment of Water Cooled Motors of any manufacturer. Quite often SME can return motors to their clients in a better than new condition due to our ability to implement the latest Engineering Practices into the repair process.
We offer a 2- pole, or 4-pole motor coupled to our own designed pump (especially designed for trenching applications). With a full ocean depth rating, this pump and motor combination is rigorously tested in our factory to full performance before dispatch. Examples:
Also available:
We have many more motor / pump combinations and variations available. Bespoke designed combinations are possible for any application subsea. All of our motors are pressure compensated and suitable for full ocean depth use. Available in Aluminium T6061 or SS316 stainless steel. All motors are fully dyno tested prior to dispatch from the factory
Contact us by email: sales@silvercrestsubmarines.com
Service And Repair Of Submersible Electric Motors Submersible Motor Engineering design, manufacture, and supply, Submersible Electric Motors for Deep Well Pumps, Subsea Electric Motors and Submersible Electric Motors for Sump pumps, and any special purpose submersible electric motor requirements. SME also offer Subsea Electric Generators for Tidal and River Power Generation. SME has extensive service, repair, maintenance and testing capabilities, at our purpose built facilities in Australia, United Kingdom and the USA. SME can provide solutions for any submersible or subsea electric motor applications– from design and specification through to servicing, repair and/or replacement. Our experience and commitment to quality allows our clients complete confidence that their requirements are in the best possible hands. Our experience and commitment to quality allows our clients complete confidence that their requirements are in the best possible hands. SME specialises in minimizing downtime for critical application submersible electric motors, by providing an efficient and cost effective mechanical repair and rewinding service at our ISO 9001 accredited facilities. Our experienced technicians are proficient at working with all brands of submersible electric motors and can quickly return motors back to service. We also maintain detailed records of motor failures across all brands which assist with plant management. SME is well qualified to offer advice to prevent future faults. Motor Modification. SME can modify and upgrade all brands of submersible electric motors during the repair and servicing process to meet the requirements of any application. These modifications can include changing materials, adding temperature sensors, re-design to suit different voltages and frequencies, applying protective coatings, offering extended cable lengths and splicing cables, replacing damaged, corroded, or worn parts and other application specific alterations. SME has the “in house” machining and fabrication capabilities to manufacture obsolete parts ensuring maximum life for motors are achieved. In-Field Support. SME can provide a number of site support services to ensure the reliability and performance of our clients‘ submersible motors. Our experienced field service engineers can provide installation, commissioning, fault finding supervision, and training. Testing. SME‘s West Australian facility, located in Perth, provides for an extensive testing regime for repaired and overhauled motors. SME can full load test motors on our dynamometers and can also offer performance testing of complete pump/motor units in our purpose built test tank – at the specified voltage and frequency up to 6600 volts. SME can guarantee motors that have been serviced and repaired are fit for purpose before dispatch, providing customers with complete confidence in the work prior to re-installation. All motors that are rewound by SME are subject to an immersion pressure test which is conducted in our pressure test vessel to ensure the integrity of the windings prior to assembly and load testing. Our commitment to a strict testing regime protects our clients from the risks of downtime caused by unexpected failure. Water Cooled Motors. SME design and manufacture a range of Water Cooled Electric Motors to provide a alternative to Standard Air Cooled Vertical Hollow and Solid Shaft Motors, These motors are for a variety of line shaft turbine applications. The removal of the forced air cooling and replacement with a water jacket fed from the discharge of the pump ensures almost silent operation. This makes them uniquely suitable for pumping applications where noise is critical during operation. SME motors are robust and reliable in the toughest of environments. Our flexible design capabilities mean we can manufacture Water Cooled Motors to suit most applications. Our range of motors include Flexible Interface Dimensions to suit all requirements and provide the possibility of “Drop In‘’ replacement motors. We offer a variety of Construction Materials from Cast Iron, SS316 Grade Stainless Steels as Standard to Exotic Stainless Steel Alloys to ensure long term reliability in varied environments whilst still offering the advantages of excellent performance. Motors can be offered with a variety of Interfaces for a broad range of Pump types — from Standard NEMA P Base and IEC frames to unique Flange and shaft arrangements. SME can provide Water Cooled Motors with robustly engineered bearing arrangements to ensure pump thrust loads are absorbed adequately to guarantee long term operation. SME can design and manufacture from the “Lamination Up” to ensure the Motor is ideally suited for the application. This bespoke Manufacturing policy ensures we can meet any special design requirements. SME can build motors from small Kilowatt Motors right through to large outputs in the Megawatts and above to ensure we meet all requirements. SME Submersible Motors can be manufactured in all voltages from 110V through to 6600V at 50Hz or 60Hz, or for use with Variable Speed Drives. Due to SME’s flexible manufacturing systems we can offer motors in water or oil filled constructions. Motors can be provided for internally balanced or header tank installations. SME’s extensive testing facilities ensure we can test these Water Cooled Motors at rated Voltage and Frequency. This testing can also involve Hydraulic Performance testing on a customers pump in our Test tank. Full string testing involving the Drives, Control Gear, Motor and Driven equipment can also be organised. Submersible Motor Engineering’s extensive Service Capability also ensures we are the best location for Service and Refurbishment of Water Cooled Motors of any manufacturer. Quite often SME can return motors to their clients in a better than new condition due to our ability to implement the latest Engineering Practices into the repair process. SUBMERSIBLE ELECTRIC MOTORS -DESIGN, MANUFACTURE, SALES & SERVICEQUALITY POLICY Submersible Motor Engineering designs, manufactures, tests, sells, services, and repairs high quality submersible electric motors and motors for remotely operated vehicles. Spare parts are also sold by the Company whose office and factory are located in Maddington, Western Australia. Submersible Motor Engineering (SME) provides high quality, innovative, and reliable products and services through the framework of its ISO 9001:2008 Quality Management System. The Quality Management System is also used to establish and achieve other broad Quality Objectives which are to: ·Meet specified customer requirements on jobs; ·Obtain feedback from customers on the performance of the Company and its products and services in order to make practical improvements that will benefit SME and enhance customer satisfaction; ·Comply with and continually improve the effectiveness of the system; ·Provide training to personnel and management in applicable processes, systems and written instructions to assure product and service quality and to enable personnel to contribute to the maintenance and improvement of the system; ·Use approved suppliers whose products and services meet SME’s requirements. EMAIL: sales@silvercrestsubmarines.com Subsea Electric Motors & ROV Electric Motors SME design and manufacture a world leading range of Subsea Electric Motors, including motors for HPU’s on ROV ‘s, Electric Thrusters for Manned Submarines, and Heavy Duty Jetting Pumps on Subsea Trenchers. SME motors are robust and reliable in the toughest of environments. Our flexible design capabilities mean we can manufacture Subsea Motors to suit any application. Our range of motors allow Flexible External Dimensions to suit all requirements and provide the possibility of “Drop In‘’ replacement motors. SME have produced over l00 different types of Subsea motors and thousands of motors. We offer a variety of Construction Materials from Anodised Aluminium to Exotic Stainless Steel Alloys to ensure long term reliability in varied environments whilst still offering the advantages of light weight design. To ensure the integrity of the motors SME does not use castings and all components are manufactured from solid metal or extrusions. Motors can be offered with a variety of Interfaces for Driven Equipment — from Robust Shafts with Multiple Shaft Seals to Close Coupled Motors with Female Spline Hubs to allow direct fitment of Hydraulic Pumps. SME can design and manufacture from the “Lamination Up” to ensure the Motor is ideally suited for the application. This bespoke Manufacturing policy ensures we can meet any special design requirements. SME can build motors from Fractional Kilowatt Motors right through to large outputs in the Megawatts and above to ensure we meet all requirements. SME Subsea Motors can be manufactured in all voltages from 24V through to 6600V at 50Hz or 60Hz, or for use with Variable Speed Drives. Due to SME’s proprietary Insulation System motors up to 4l60V can be built with a Random Winding to reduce size and weight whilst losing nothing in terms of reliability. This insulation system is specifically engineered to ensure suitability of operation in Hydraulic Oil or many of the Bio-Degradable Oils commonly used for Compensation circuits. All motors are designed for external compensation allowing for operation at depths as much as 4000M. The Motors can also be offered with Cooling circuits to ensure high output motors maintain minimal operating temperatures at Full Load. SME Motors are fitted with Water Detection Probes and Temperature Detectors and these can be terminated to a variety of different Subsea Connectors. Power can be supplied to the motors through Subsea Connectors or Highly reliable Oily Tube Connections. SME’s extensive testing facilities ensure we can test these Subsea Motors at rated Voltage and Frequency. This testing can also involve Hydraulic Load testing on a HPU or Flow and Pressure Testing of Jetting Pumps in our Test tank. Full string testing involving the Drives, Control Gear, Motor and Driven equipment can also be organised. Submersible Motor Engineering’s extensive Service Capability also ensures we are the best location for Service and Refurbishment of Subsea Motors of any manufacturer. Quite often SME can return motors to their clients in a better than new condition due to our ability to implement the latest Engineering Practices into the repair process. Subsea PumpsSME design and manufacture a world leading range of Electric and Hydraulically Driven Subsea Pumps. These are designed to operate as Heavy Duty Jetting Pumps on Subsea Trenchers and Ploughs, Subsea Dredging and Excavation Equipment. SME Pumps are robust and reliable in the toughest of environments. Our flexible design capabilities mean we can manufacture Subsea Pumps to suit most applications. Our range of motors allow Flexible External Dimensions to suit all requirements and provide the possibility of “Drop In‘’ replacement units. We offer a variety of Construction Materials from Anodised Aluminium to Exotic Stainless Steel Alloys to ensure long term reliability in varied environments whilst still ofiering the advantages of light weight design. SME can design and manufacture from “raw material up” to ensure the Motor and Pump is ideally suited for the application. This bespoke Manufacturing policy ensures we can meet any special design requirements. SME can build motor and pumps from Fractional Kilowatt Motors right through to large outputs in the Megawatts and above to ensure we meet all requirements. SME Electrically Driven Subsea Pumps can be manufactured in all voltages from 24V through to 6600V at 50Hz or 60Hz, or for use with Variable Speed Drives. Due to SME’s proprietary Insulation System motors up to 4160V can be built with a Random Winding to reduce size and weight whilst losing nothing in terms of reliability. This insulation system is specifically engineered to ensure suitability of operation in Hydraulic Oil or many of the Bio-Degradable Oils commonly used for Compensation circuits. All pumps are designed for external compensation allowing for operation at depths as much as 4000M. The Motors can also be offered with Cooling circuits to ensure high output motors maintain minimal operating temperatures at Full Load. SME Motors are fitted with Water Detection Probes and Temperature Detectors and these can be terminated to a variety of different Subsea Connectors. Power can be supplied to the motors through Subsea Connectors or Highly reliable Oily Tube Connections. SME’s extensive testing facilities ensure we can test these Subsea Pumps at rated Voltage and Frequency. This testing includes involve Hydraulic Performance/Relibility testing on a HPU or Job Specific Electrical Supply at rated Voltage and Frequency in our Test tank. Full string testing involving the Drives, Control Gear, Motor and Driven equipment can also be organised. Service And Repair Of Submersible Electric Motors SME has extensive service, repair, maintenance and testing capabilities, at our purpose built facilities in Australia, United Kingdom and the USA. SME can provide a solution for submersible electric motors – from design and specification through to servicing, repair and/or replacement. Our experience and commitment to quality allows our clients complete confidence that their requirements are in the best possible hands. SME specialises in minimizing downtime for critical application submersible electric motors by providing an efficient and cost effective mechanical repair and rewinding service at our ISO 9001 accredited facilities. Our experienced technicians are proficient at working with all brands of submersible electric motors and can quickly return motors back to service. We also maintain detailed records of motor failures across all brands which assist with plant management. SME is well qualified to offer advice to prevent future faults. Motor Modification SME can modify and upgrade all brands of submersible electric motors during the repair and servicing process to meet the requirements of any application. These modifications can include changing materials, adding temperature sensors, re-design to suit different voltages and frequencies, applying protective coatings, offering extended cable lengths and splicing cables, replacing damaged, corroded, or worn parts and other application specific alterations. SME has the “in house” machining and fabrication capabilities to manufacture obsolete parts ensuring maximum life for motors are achieved. In-Field Support SME can provide a number of site support services to ensure the reliability and performance of our clients‘ submersible motors. Our experienced field service engineers can provide installation, commissioning, fault finding supervision, and training. Testing SME‘s West Australian facility, located in Perth, provides for an extensive testing regime for repaired and overhauled motors. SME can full load test motors on our dynamometers and can also offer performance testing of complete pump/motor units in our purpose built test tank – at the specified voltage and frequency up to 6600 volts. SME can guarantee motors that have been serviced and repaired are fit for purpose before dispatch, providing customers with complete confidence in the work prior to re-installation. All motors that are rewound by SME are subject to an immersion pressure test which is conducted in our pressure test vessel to ensure the integrity of the windings prior to assembly and load testing. Our commitment to a strict testing regime protects our clients from the risks of downtime caused by unexpected failure. EMAIL: sales@silvercrestsubmarines.com |
|||||||||||||||||||||||||||||||||||||||||||||||||||||||||||||||||||||||||||||||||||||||||||||||||||||||||||||||||||||||||||||||||||||||||||||||||||||||||||||||||||||||||||||||||||||||||||||||||||||||||||||||||||||||||||||||||||||||||||||||||||||||||||||||||||||||||||||||||||||||||||||||||||||||||||||||||||||||||||||||||||||||||||||||||||||||||||||||||||||||||||||||||||||||||||||||||||||||||||||||